GM Service Manual Online
For 1990-2009 cars only

Oil Pan Cleaning and Inspection VE


    Object Number: 1565281  Size: SH
  1. Remove the oil filter fitting (438), as required. Refer to Oil Filter, Adapter, and Pan Cover Removal .

  2. Object Number: 1593663  Size: SH
  3. Remove the oil pressure relief valve (455) and washer (458).

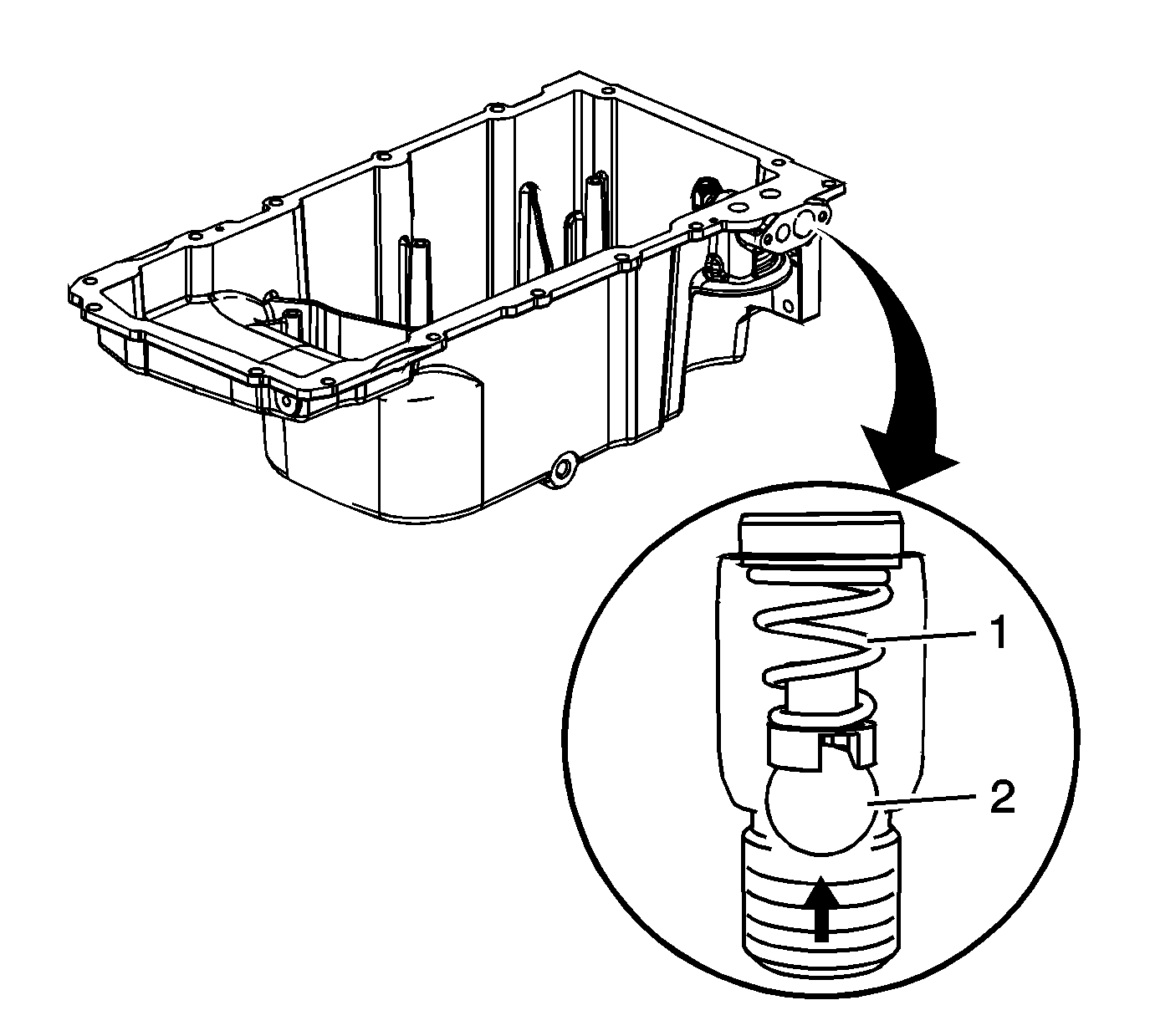
  4. Object Number: 1565291  Size: SH
  5. Inspect the displacement on demand oil pressure relief valve for proper operation. Lightly depress the ball (2). The valve spring (1) should seat the ball to the proper closed position.

  6. Object Number: 1593666  Size: SH
  7. Remove the oil level sensor and O-ring.

  8. Object Number: 1565289  Size: SH
  9. Remove the bolts (427) and baffle (428).
  10. Clean the oil pan in solvent.
  11. Caution: Refer to Safety Glasses Caution in the Preface section.

  12. Dry the oil pan with compressed air.

  13. Object Number: 1565292  Size: SH
  14. Inspect the oil pan for the following conditions:
  15. • Damaged gasket surfaces (1)
    • Restrictions within the oil passages (2) of the pan
    • Damaged oil filter seal surface (3)
    • Threaded bolt holes (4) for damage

Oil Pan Cleaning and Inspection VZ


    Object Number: 1546115  Size: SH
  1. Remove the oil filter fitting (438) and bypass valve (436), as required. Refer to Oil Filter, Adapter, and Pan Cover Removal .

  2. Object Number: 1593668  Size: SH
  3. Remove the oil pressure relief valve (455) and washer (458).

  4. Object Number: 1593670  Size: SH
  5. Inspect the displacement on demand oil pressure relief valve for proper operation. Lightly depress the ball (2). The valve spring (1) should seat the ball to the proper closed position.

  6. Object Number: 1272623  Size: SH
  7. Remove the oil filter tube (447), bolts (435), studs (456), and gaskets (445).

  8. Object Number: 1272628  Size: SH
  9. Remove the oil gallery plugs (449).

  10. Object Number: 309736  Size: SH
  11. Remove the bolts and baffle.
  12. Clean the oil pan in solvent.
  13. Caution: Refer to Safety Glasses Caution in the Preface section.

  14. Dry the oil pan with compressed air.
  15. Inspect the oil pan for the following conditions:
  16. • Damaged gasket surfaces
    • Restrictions within the oil passages of the pan
    • Damaged oil filter seal surface or inoperative oil filter bypass valve
    •  Lightly depress the valve. The valve spring should seat the valve to the proper closed position.
    • Threaded bolt holes for damage
  17. Inspect the oil filter tube for restrictions or damage.