GM Service Manual Online
For 1990-2009 cars only

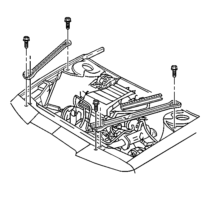
Removal Procedure

  1. Open and support the hood.

  2. Object Number: 317801  Size: SH
  3. Remove the front fender upper diagonal brace-to-inner fender bolt.
  4. Remove the front fender upper diagonal brace-to-radiator support bolts.
  5. Remove the front fender upper diagonal brace.

Installation Procedure


    Object Number: 317801  Size: SH
  1. Install the front fender upper diagonal brace.
  2. Notice: Use the correct fastener in the correct location. Replacement fasteners must be the correct part number for that application. Fasteners requiring replacement or fasteners requiring the use of thread locking compound or sealant are identified in the service procedure. Do not use paints, lubricants, or corrosion inhibitors on fasteners or fastener joint surfaces unless specified. These coatings affect fastener torque and joint clamping force and may damage the fastener. Use the correct tightening sequence and specifications when installing fasteners in order to avoid damage to parts and systems.

  3. Install the bolts to the front fender upper diagonal brace at the radiator support.
  4. Tighten
    Tighten the bolts to 47 N·m (35 lb ft).

  5. Install the front fender diagonal brace-to-inner fender bolt.
  6. Tighten
    Tighten the bolt to 47 N·m (35 lb ft).

  7. Close the hood.