GM Service Manual Online
For 1990-2009 cars only

Battery Positive Cable Replacement L26

Removal Procedure

Important: When replacing battery cables be sure to use replacement cables that are the same type, gage and length.


    Object Number: 911131  Size: SH
  1. Disconnect the negative battery cable. Refer to Battery Negative Cable Disconnection and Connection .
  2. Loosen the positive battery terminal nut.
  3. Remove the positive battery terminal (1) from the battery.
  4. Remove the ground wire bolt (3) and the wire (4) from the frame.

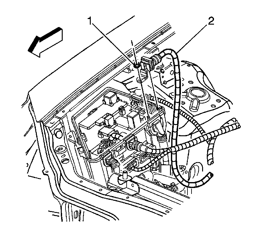
  5. Object Number: 911135  Size: SH
  6. Remove the positive battery cable junction block lead nut (1).
  7. Remove the positive battery cable (2) from the bussed electrical center (BEC).
  8. Remove the BEC (3) from the strut tower.
  9. Unclip and remove the positive battery cable harness from the BEC.
  10. Raise and support the vehicle. Refer to Lifting and Jacking the Vehicle .
  11. Remove the front lower air deflector. Refer to Radiator Air Lower Baffle and Deflector Replacement .

  12. Object Number: 911140  Size: SH
  13. Remove the positive battery cable nut (2) from the starter.
  14. Remove the positive battery cable (3) from the starter motor BAT terminal.
  15. Remove the transaxle stud nut (5).
  16. Remove the engine ground cable (6) from the transaxle stud.
  17. Unclip and remove the battery cable harness from the retainers.
  18. Remove the battery cable harness from the vehicle.
  19. Remove the positive battery cable from the wiring harness conduit.

Installation Procedure


    Object Number: 911140  Size: SH
  1. Install the positive battery cable into the wiring harness conduit.
  2. Install the battery cable harness to the vehicle.
  3. Install the battery cable harness to the retainers.
  4. Install the engine ground cable (6) to the transaxle stud.
  5. Notice: Refer to Fastener Notice in the Preface section.

  6. Install the transaxle stud nut (5).
  7. Tighten
    Tighten the nut to 30 N·m (22 lb ft).

  8. Install the positive battery cable to the starter motor BAT terminal.
  9. Install the starter solenoid BAT terminal nut.
  10. Tighten
    Tighten the nut to 10 N·m (89 lb in).

  11. Install the front lower air deflector. Refer to Radiator Air Lower Baffle and Deflector Replacement .
  12. Lower the vehicle.

  13. Object Number: 911135  Size: SH
  14. Install the positive battery cable harness to the BEC.
  15. Install the BEC to the strut tower.
  16. Install the positive battery cable (2) to the BEC (3).
  17. Install the positive battery cable junction block lead nut (1).
  18. Tighten
    Tighten the nut to 10 N·m (89 lb in).


    Object Number: 911131  Size: SH
  19. Install the ground wire (4) and the bolt (3) to the frame.
  20. Tighten
    Tighten the bolt to 10 N·m (89 lb in).

  21. Install the positive battery terminal (1) to the battery.
  22. Tighten
    Tighten the nut to 15 N·m (11 lb ft).

  23. Connect the negative battery cable. Refer to Battery Negative Cable Disconnection and Connection .

Battery Positive Cable Replacement LY7

Removal Procedure

Important: 

   • Always use replacement cables that are of the same type, diameter and length of the cables that you are replacing.
   • Always route the replacement cable the same as the original cable.

  1. Disconnect the battery negative cable. Refer to Battery Negative Cable Disconnection and Connection .

  2. Object Number: 911131  Size: SH
  3. Disconnect the battery positive cable (1) from the battery.

  4. Object Number: 785724  Size: SH
  5. Depress the tabs in order to remove the cover from the electrical center.

  6. Object Number: 772415  Size: SH
  7. Remove the nut (1) securing the battery positive cable (2) to the electrical center.

  8. Object Number: 887703  Size: SH
  9. Reposition the protective boot from the generator output BAT terminal for access.
  10. Remove the generator output BAT terminal nut (3) and disconnect the battery positive lead (2) from the generator.

  11. Object Number: 887713  Size: SH
  12. Remove the starter terminal nut (1) and disconnect the battery positive cable (2) from the starter.
  13. Lower the vehicle.
  14. Remove the battery positive cable from the engine.

Installation Procedure

  1. Position the battery positive cable to the engine.
  2. Raise and support the vehicle. Refer to Lifting and Jacking the Vehicle .
  3. Notice: Refer to Fastener Notice in the Preface section.


    Object Number: 887713  Size: SH
  4. Connect the battery positive cable (2) to the starter and install the starter terminal nut (1).
  5. Tighten
    Tighten the battery positive cable nut to 13 N·m (115 lb in).


    Object Number: 887703  Size: SH
  6. Connect the battery positive lead (2) to the generator and install the generator BAT terminal nut (3).
  7. Tighten
    Tighten the generator BAT terminal nut to 13 N·m (115 lb in).

  8. Install the protective boot to the generator output BAT terminal.
  9. Lower the vehicle.

  10. Object Number: 772415  Size: SH
  11. Install the nut (1) securing the battery positive cable (2) to the electrical center.
  12. Tighten
    Tighten the battery positive cable to electrical center nut to 15 N·m (11 lb ft).


    Object Number: 785724  Size: SH
  13. Install the electrical center cover.

  14. Object Number: 911131  Size: SH
  15. Connect the battery positive cable (1) to the battery.
  16. Tighten
    Tighten the battery cable to 15 N·m (11 lb ft).

  17. Connect the battery negative cable. Refer to Battery Negative Cable Disconnection and Connection .