GM Service Manual Online
For 1990-2009 cars only

Removal Procedure

Important: Clean the fuel and evaporative emission (EVAP) connections and surrounding areas prior to disconnecting the lines in order to avoid possible system contamination.


    Object Number: 1554559  Size: SH
  1. Relieve the fuel system fuel pressure. Refer to Fuel Pressure Relief .
  2. Drain the fuel tank. Refer to Fuel Tank Draining .
  3. Raise and support the vehicle. Refer to Lifting and Jacking the Vehicle .
  4. Loosen the fuel fill hose clamp (1) at the fuel tank.
  5. Remove the fuel tank fill hose (2) from the fuel tank (3).

  6. Object Number: 1554566  Size: SH
  7. Disconnect the EVAP vent solenoid hose (2) on the tank from the EVAP vent valve solenoid hose (1).

  8. Object Number: 1554568  Size: SH
  9. Disconnect the EVAP vent pipe quick connect fitting (4) from the fill pipe EVAP vent pipe quick connect fitting (1). Refer to Plastic Collar Quick Connect Fitting Service .

  10. Object Number: 1554561  Size: SH
  11. Disconnect the fuel feed (3), and the EVAP (4) lines from the fuel tank lines (1, 2). Refer to Plastic Collar Quick Connect Fitting Service .
  12. Support the exhaust system.
  13. Remove the rubber exhaust pipe hangers in order to allow the exhaust system to drop slightly.

  14. Object Number: 1554563  Size: SH
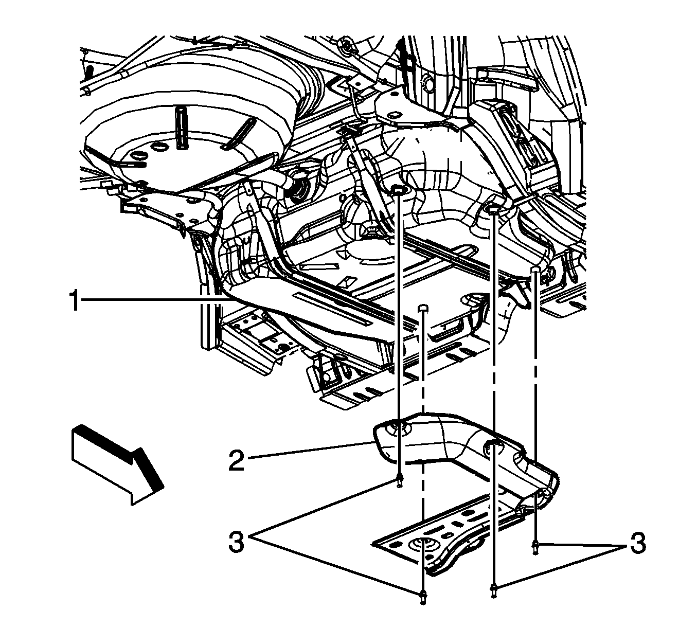
  15. Remove the fuel tank shield retainers (3).
  16. Remove the fuel tank shield (2).

  17. Object Number: 1554562  Size: SH

    Notice: Do not bend the fuel tank straps as this may damage the straps.

  18. Support the fuel tank with a suitable adjustable jack.
  19. Remove the fuel tank strap bolts (3).
  20. Using the jack lower the fuel tank.

  21. Object Number: 1575953  Size: SH
  22. Disconnect the fuel sender jumper harness electrical connector.
  23. Remove the fuel tank and place the tank in a suitable work area.

  24. Object Number: 1575955  Size: SH
  25. Disconnect and remove the fuel pressure sensor and fuel sender jumper harness electrical connectors.

  26. Object Number: 1575957  Size: SH

    Important: Note the routing of the lines for installation.

  27. Disconnect and remove the fuel feed line (3), and the EVAP lines (1, 2). Refer to Plastic Collar Quick Connect Fitting Service .
  28. Remove the EVAP canister. Refer to Evaporative Emission Canister Replacement .
  29. Remove the insulator pads from the fuel tank. Note the location of the insulator pads for installation.

Installation Procedure

Notice: 

   • Do not attempt to straighten kinked nylon pipes. Replace any kinked nylon pipes in order to prevent damage to the vehicle.
   • Do not attempt to repair sections of nylon pipes. Replace damaged nylon pipes.
   • Replace the vapor pipes with original equipment or parts that meet GM specifications.
   • Replace the vapor hoses with original equipment or parts meeting GM specifications. Use only reinforced fuel-resistant hose identified with the word Fluoroelastomer or GM 6163M on the hose.


    Object Number: 1575957  Size: SH
  1. Install the insulator pads to the fuel tank.
  2. Install the EVAP canister. Refer to Evaporative Emission Canister Replacement .
  3. Install and connect the fuel feed line (3), and the EVAP lines (1, 2). Refer to Plastic Collar Quick Connect Fitting Service .

  4. Object Number: 1575955  Size: SH
  5. Install and connect the fuel pressure sensor and fuel sender jumper harness electrical connectors.
  6. Install the fuel tank onto a suitable jack.
  7. Partially raise the fuel tank until the electrical connections can be made.

  8. Object Number: 1575953  Size: SH
  9. Connect the fuel sender jumper harness electrical connector.

  10. Object Number: 1554562  Size: SH
  11. Completely raise the tank.
  12. Notice: Refer to Fastener Notice in the Preface section.

  13. Install the fuel tank strap bolts (3).
  14. Tighten
    Tighten the bolts to 48 N·m (35 lb ft).

  15. Remove the jack from the fuel tank.

  16. Object Number: 1554563  Size: SH
  17. Position the fuel tank shield (2) to the fuel tank.
  18. Install the shield retainers (3).

  19. Object Number: 1554561  Size: SH
  20. Install the rubber exhaust pipe hangers.
  21. Remove the support from the exhaust system.
  22. Connect the fuel feed (3) , and EVAP (4) lines to the fuel tank lines (1, 2). Refer to Plastic Collar Quick Connect Fitting Service .

  23. Object Number: 1554568  Size: SH
  24. Connect the EVAP vent pipe quick connect fitting (4) to the fill pipe EVAP vent pipe quick connect fitting (1). Plastic Collar Quick Connect Fitting Service .

  25. Object Number: 1554566  Size: SH
  26. Connect the EVAP vent solenoid hose (2) on the tank to the EVAP vent valve solenoid hose (1).

  27. Object Number: 1554559  Size: SH
  28. Install the fuel tank fill hose (2) onto the fuel tank (3). Install the hose over the orientation feature (4) on the tank until fully seated to the tank.
  29. Tighten the fuel fill hose clamp (1) at the fuel tank.
  30. Tighten
    Tighten the clamp to 2.5 N·m (22  lb in).

  31. Lower the vehicle.
  32. Add fuel and install the fuel fill cap.
  33. Connect the negative battery cable. Refer to Battery Negative Cable Disconnection and Connection .
  34. Inspect the fuel system for leaks by performing the following steps:
  35. 23.1. Turn ON the ignition for 2 seconds.
    23.2. Turn OFF the ignition for 10 seconds.
    23.3. Turn ON the ignition.
    23.4. Inspect for fuel leaks.
  36. Install the fuel injector sight shield. Refer to Fuel Injector Sight Shield Replacement .