GM Service Manual Online
For 1990-2009 cars only

Removal Procedure

  1. Disconnect the negative battery cable. Refer to Battery Negative Cable Disconnection and Connection .

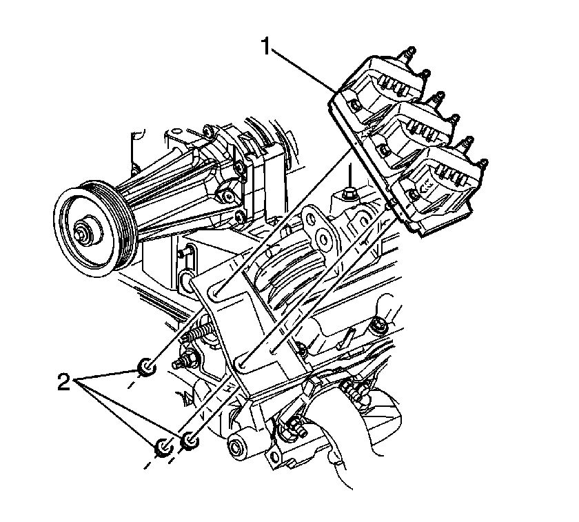
  2. Object Number: 911107  Size: SH
  3. Remove the 14-way electrical connector from the ignition control module (ICM).
  4. Disconnect the spark plug wires from the coil assemblies. Before removing the wires, note the position of the wires .
  5. Remove the ICM nuts (2).
  6. Remove the ICM (1) from the bracket.

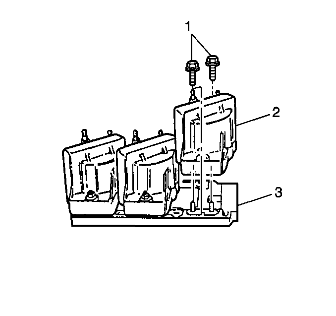
  7. Object Number: 12299  Size: SH
  8. Remove the ignition coil screws (1).
  9. Remove the ignition coils (2) from the ICM (3).

Installation Procedure


    Object Number: 12299  Size: SH
  1. Install the ignition coils (2) to the ICM (3).
  2. Notice: Refer to Fastener Notice in the Preface section.

  3. Install the ignition coil screws (1).
  4. Tighten
    Tighten the screws to 4.5 N·m (40 lb in).


    Object Number: 911107  Size: SH
  5. Install the ICM (1) to the bracket.
  6. Install the ICM nuts (2).
  7. Tighten
    Tighten the nuts to 10 N·m (89 lb in).

  8. Connect the spark plug wires to the ignition coils.
  9. Install the 14-way electrical connector to the ICM.
  10. Tighten
    Tighten the screw to 2.1 N·m (19 lb in).

  11. Connect the negative battery cable. Refer to Battery Negative Cable Disconnection and Connection .