GM Service Manual Online
For 1990-2009 cars only

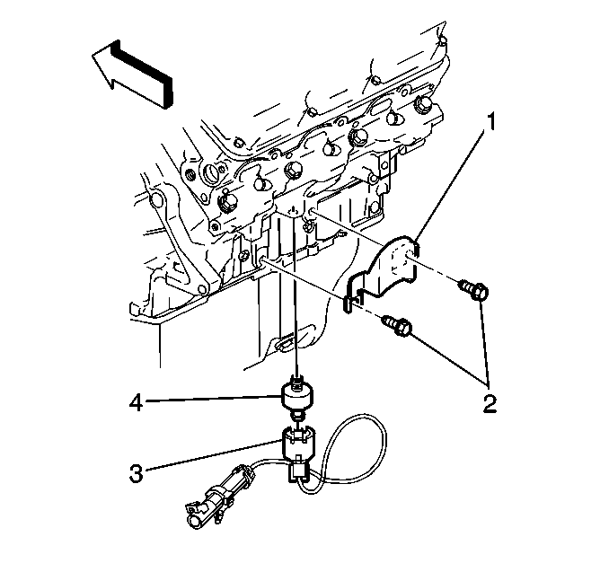
Removal Procedure

Caution: Hot engine coolant may cause severe burns. Although the cooling system has been drained, coolant still remains in the engine water jacket. This coolant will drain with the removal of the knock sensor.

  1. Raise and support the vehicle. Refer to Lifting and Jacking the Vehicle .
  2. Drain the cooling system. Refer to Cooling System Draining and Filling .
  3. Disconnect the knock sensor electrical connector (3) from the knock sensor.

  4. Object Number: 381311  Size: SH
  5. Remove the knock sensor (4).

Installation Procedure

Notice: Refer to Fastener Notice in the Preface section.

Important: DO NOT apply thread sealant to sensor threads. The sensor is coated at factory and applying additional sealant will affect the sensors ability to detect detonation.


    Object Number: 381311  Size: SH
  1. Install the knock sensor (4).
  2. Tighten
    Tighten the knock sensor to 19 N·m (14 lb ft).

  3. Connect the knock sensor electrical connector.
  4. Lower the vehicle.
  5. Fill the cooling system. Refer to Cooling System Draining and Filling .