GM Service Manual Online
For 1990-2009 cars only

Removal Procedure


    Object Number: 1749715  Size: SH
  1. Remove the fuel injector sight shield. Refer to Fuel Injector Sight Shield Replacement .
  2. Remove the AIR pump outlet hose nut (1).
  3. Squeeze the tangs together on the AIR pump outlet hose clamp (2) at the valve until they lock, and reposition the clamp.

  4. Object Number: 1749725  Size: SH
  5. Disconnect the engine wiring harness electrical connector from the AIR check valve.

  6. Object Number: 1749727  Size: SH
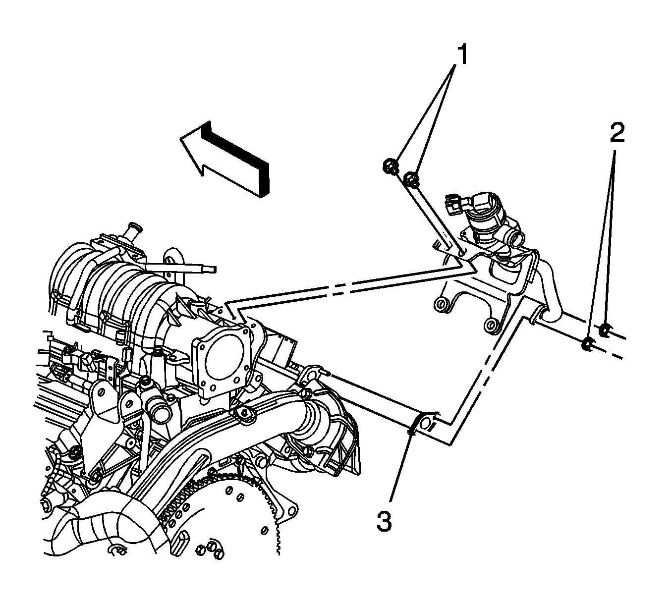
  7. Remove the engine sight shield bracket bolts (1).
  8. Remove the engine sight shield bracket.

  9. Object Number: 1749726  Size: SH
  10. Remove the AIR check valve bracket upper bolts (1).
  11. Remove the AIR check valve to exhaust manifold nuts (2).
  12. Remove the AIR check valve.
  13. Remove and discard the AIR check valve to exhaust manifold gasket (3).

Installation Procedure


    Object Number: 1749726  Size: SH
  1. Install a NEW AIR check valve to exhaust manifold gasket (3).
  2. Install and position the AIR check valve.
  3. Install the AIR check valve to exhaust manifold nuts (2).
  4. Install the AIR check valve bracket upper bolts (1).

  5. Object Number: 1749727  Size: SH
  6. Position the engine sight shield bracket.
  7. Install the engine sight shield bracket bolts (1).

  8. Object Number: 1749725  Size: SH
  9. Connect the engine wiring harness electrical connector to the AIR check valve.

  10. Object Number: 1749715  Size: SH
  11. Install the AIR pump outlet hose to the AIR check valve.
  12. Position and release the AIR pump outlet hose clamp (2) at the AIR check valve.
  13. Notice: Refer to Fastener Notice in the Preface section.

  14. Install the AIR pump outlet hose nut (1).
  15. Tighten
    Tighten the nut to 9 N·m (80 lb in).

  16. Install the fuel injector sight shield. Refer to Fuel Injector Sight Shield Replacement .