GM Service Manual Online
For 1990-2009 cars only

Tools Required

J 34028 Inner Tie Rod Wrench

Disassembly Procedure


    Object Number: 761497  Size: SH
  1. To remove the rack and pinion boot and the breather tube. Refer to Rack and Pinion Boot Replacement .
  2. Place the gear in a vise.
  3. Notice: Do not change the steering gear preload adjustment before moving the inner tie rod from the steering gear. Changing the steering gear preload adjustment before moving the inner tie rod could result in damage to the pinion and the steering gear.

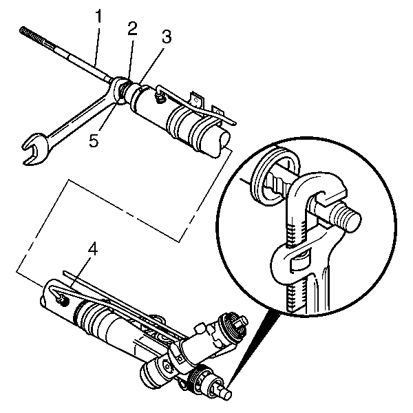
  4. Remove the shock dampener (4) from the inner tie rod housing (6).
  5. Notice: Refer to Pipe Wrench Positioning Notice in the Preface section.

  6. Slide the shock dampener (4) back on the rack (5).
  7. Place a pipe wrench on the rack (5) next to the inner tie rod housing (6).
  8. Place a wrench on the flats of the inner tie rod housing (6).
  9. Rotate the inner tie rod housing (6) counterclockwise, while holding the rack stationary, until the inner tie rod separates from the rack (5).
  10. Notice: Refer to Pipe Wrench Positioning Notice in the Preface section.


    Object Number: 761498  Size: SH
  11. Remove the shock dampener (3) from the inner tie rod housing (2).
  12. Slide the shock dampener (3) back on the rack (5).
  13. Place a pipe wrench on the rack.
  14. Place a wrench on the flats of the inner tie rod housing (2).
  15. Rotate the inner tie rod housing (2) counterclockwise, while holding the rack stationary, until the inner tie rod (1) separates from the rack (5).

  16. Object Number: 800453  Size: SH
  17. If female rack (1) and male inner tie rod (3), remove the old LOCTITE® from the threads (2) of the inner tie rod and the rack.
  18. If male rack (5) and female inner tie rod (4) LOCTITE® will not be present.

Assembly Procedure


    Object Number: 761506  Size: SH
  1. Slide the shock dampener (4) forward onto the rack (3).
  2. Important: Threads must be clean prior to LOCTITE® application. Check LOCTITE®, or equivalent, container for expiration date. Use only enough LOCTITE® to evenly coat threads.

    If male rack (3) and female inner tie rod (2) do not apply LOCTITE®.

  3. If female rack (3) and male inner tie rod (2), apply LOCTITE® 262, or equivalent, to the inner tie rod threads.
  4. Attach the inner tie rod onto the rack (3).
  5. Place a pipe wrench on the rack (3) next to the inner tie rod housing (2).
  6. Notice: Refer to Fastener Notice in the Preface section.

  7. Place a torque wrench and J 34028 on the flats of the inner tie rod housing (2).
  8. Tighten
    Tighten the inner tie rod to 100 N·m (74 lb ft).


    Object Number: 761516  Size: SH
  9. Slide the shock dampener (2) forward onto the rack.
  10. Important: Threads must be clean prior to LOCTITE® application. Check LOCTITE®, or equivalent, container for expiration date. Use only enough LOCTITE® to evenly coat threads.

    If male rack and female inner tie rod (1) do not apply LOCTITE®.

  11. If female rack and male inner tie rod (1), apply LOCTITE® 262, or equivalent, to the inner tie rod threads.
  12. Attach the inner tie rod (1) onto the rack.
  13. Place a pipe wrench on the rack next to the inner tie rod housing (4).
  14. Place a torque wrench and J 34028 on the flats of the inner tie rod housing (7).
  15. Tighten
    Tighten the inner tie rod to 100 N·m (74 lb ft).


    Object Number: 416139  Size: SH
  16. Place the inner tie rod assembly (2) in a vise.
  17. Important: If female rack (1) and male inner tie rod (2) do not stake. If male rack (1) and female inner tie rod (2) you must stake.

  18. Stake both sides of the female inner tie rod assembly housing to the male rack.

  19. Object Number: 416141  Size: SH
  20. Insert a 0.25 mm gage (1) between the rack (2) and the inner tie rod housing in order to check both stakes. The feeler gage (1) must not pass between the rack and the housing stake.

  21. Object Number: 297398  Size: SH
  22. Slide the shock dampener (2) over the inner tie rod housing (3) until the front lip of the shock dampener (2) bottoms against the inner tie rod housing (3).
  23. To assemble the rack and pinion boot and the breather tube. Refer to Rack and Pinion Boot Replacement .