GM Service Manual Online
For 1990-2009 cars only

Removal Procedure

    Important: Do not attempt repairs in order to correct lock cylinder discrepancies. Replace the lock cylinder.


    Object Number: 1362834  Size: SH
  1. Remove the front door trim panel. Refer to Front Side Door Trim Panel Replacement .
  2. Remove the front door water deflector. Refer to Front Side Door Water Deflector Replacement .
  3. Remove the front door outside handle. Refer to Front Side Door Outside Handle Replacement .
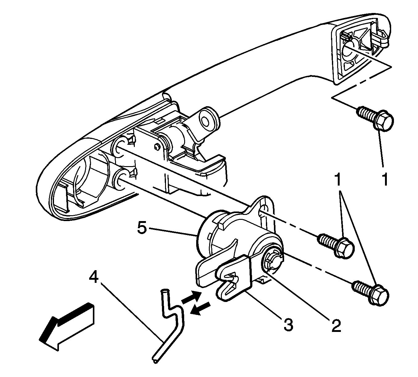
  4. Remove the lock paw retaining clip (2).
  5. Remove the lock cylinder paw (3).
  6. Remove the lock cylinder (5) from the outside door handle.

Installation Procedure


    Object Number: 1362834  Size: SH
  1. Install the lock cylinder (5) into the outside door handle.
  2. Install the lock cylinder paw (3).
  3. Install the lock cylinder paw retaining clip (2).
  4. Install the front door outside handle. Refer to Front Side Door Outside Handle Replacement .
  5. Inspect the door for proper operation.
  6. Install the front door water deflector. Refer to Front Side Door Water Deflector Replacement .
  7. Install the front door trim panel. Refer to Front Side Door Trim Panel Replacement .