GM Service Manual Online
For 1990-2009 cars only

Tools Required

    • J 39232 Wiper Transmission Separator
    • J 39529 Wiper Transmission Installer

Removal Procedure

  1. Remove the air inlet grille panel. Refer to Air Inlet Grille Panel Replacement in Body Front End.

  2. Object Number: 306506  Size: SH
  3. Disconnect the wiper transmission link from the wiper motor crank arm using the J 39232 .

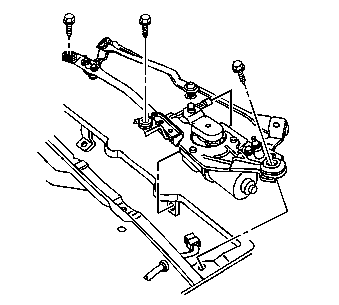
  4. Object Number: 815220  Size: SH
  5. Remove the wiper drive system module screws.
  6. Rotate the wiper drive system module to access the wiper motor electrical connector.
  7. Disconnect the wiper motor electrical connector.
  8. Remove the wiper drive system module from the vehicle.

Installation Procedure


    Object Number: 815220  Size: SH
  1. Position the wiper drive system module to the vehicle.
  2. Connect the wiper motor electrical connector.
  3. Rotate the wiper drive system module to the mounting position.
  4. Notice: Refer to Fastener Notice in the Preface section.

  5. Install the wiper drive system module screws.
  6. Tighten
    Tighten the screws to 10 N·m (89 lb in).

  7. Install the wiper transmission link to the wiper motor crank arm using the J 39529 .
  8. Install the air inlet grille panel. Refer to Air Inlet Grille Panel Replacement in Body Front End.
  9. Inspect the wipers for proper operation.