GM Service Manual Online
For 1990-2009 cars only
Figure 1:

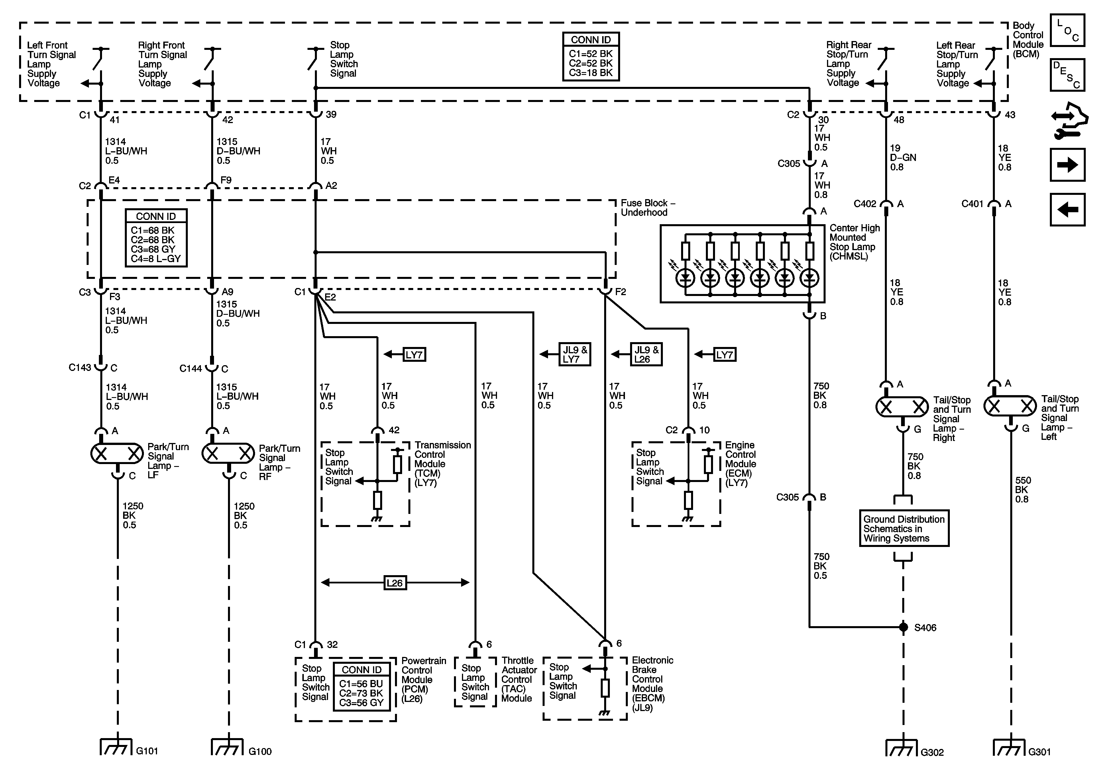
Turn Signal, Hazard, and Stop Lamps Inputs


Object Number: 1645706  Size: FS
Master Electrical Component List
Exterior Lighting Systems Description and Operation
Control Module References
Turn Signal, Hazard and Stop Lamps Outputs
Fuse Block - Underhood B+ Bus
Data Link Connector (DLC) Schematics L26
Data Link Connector (DLC) Schematics LY7
Exterior Lights and Interior Lights References
Driver Information System Schematics
G202
Figure 2:

Turn Signal, Hazard, and Stop Lamps Outputs


Object Number: 1645708  Size: FS
Master Electrical Component List
Exterior Lighting Systems Description and Operation
Control Module References
Park Lamps
Turn Signal, Hazard and Stop Lamps Inputs
G302
G101, G102, G103, G111, G112, and G113
G100
G302
G301
Figure 3:

Park Lamps


Object Number: 1645709  Size: FS
Master Electrical Component List
Exterior Lighting Systems Description and Operation
Control Module References
Backup and License Lamps
Turn Signal, Hazard and Stop Lamps Outputs
Fuse Block - Underhood B+ Bus
B+ Bus - Underhood Fuse Block - 2 of 2
Fog Lights Schematics
Headlights/Daytime Runing Lights (DRL) Schematics
Lamp Controls
G101, G102, G103, G111, G112, and G113
G100
G202
G101, G102, G103, G111, G112, and G113
G100
G301
G302
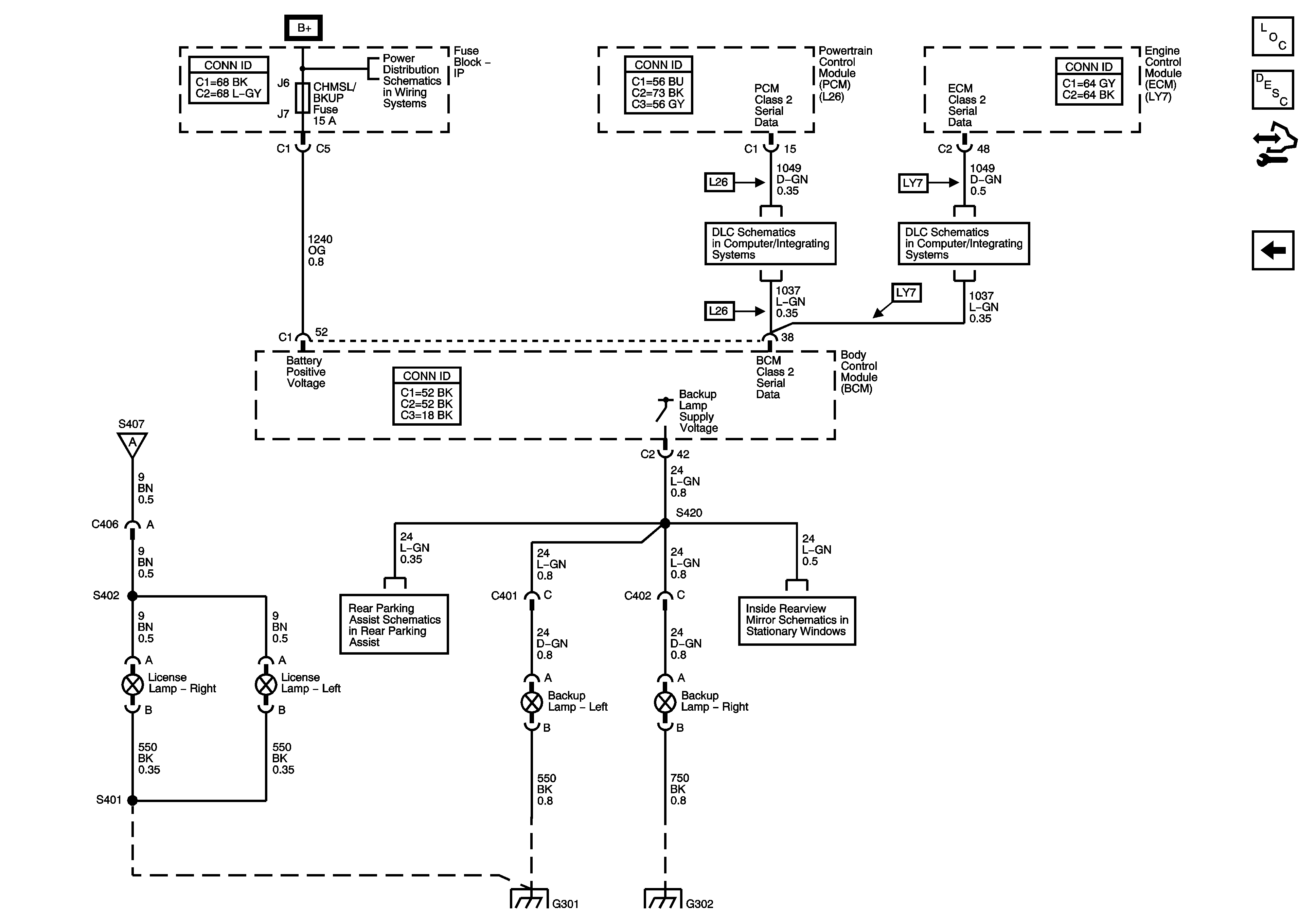
Figure 4:

Backup and License Lamps


Object Number: 1645710  Size: FS
Master Electrical Component List
Exterior Lighting Systems Description and Operation
Control Module References
Park Lamps
Fuse Block - Underhood B+ Bus
Data Link Connector (DLC) Schematics L26
Data Link Connector (DLC) Schematics LY7
Park Lamps
Object Detection Schematics
Inside Rearview Mirror Schematics
G301
G302