GM Service Manual Online
For 1990-2009 cars only
Makes
🢒
Generic
🢒
2006
🢒
Unit Repair
🢒
Body
🢒
Wiring Systems
🢒 Theft Deterrent System Schematics
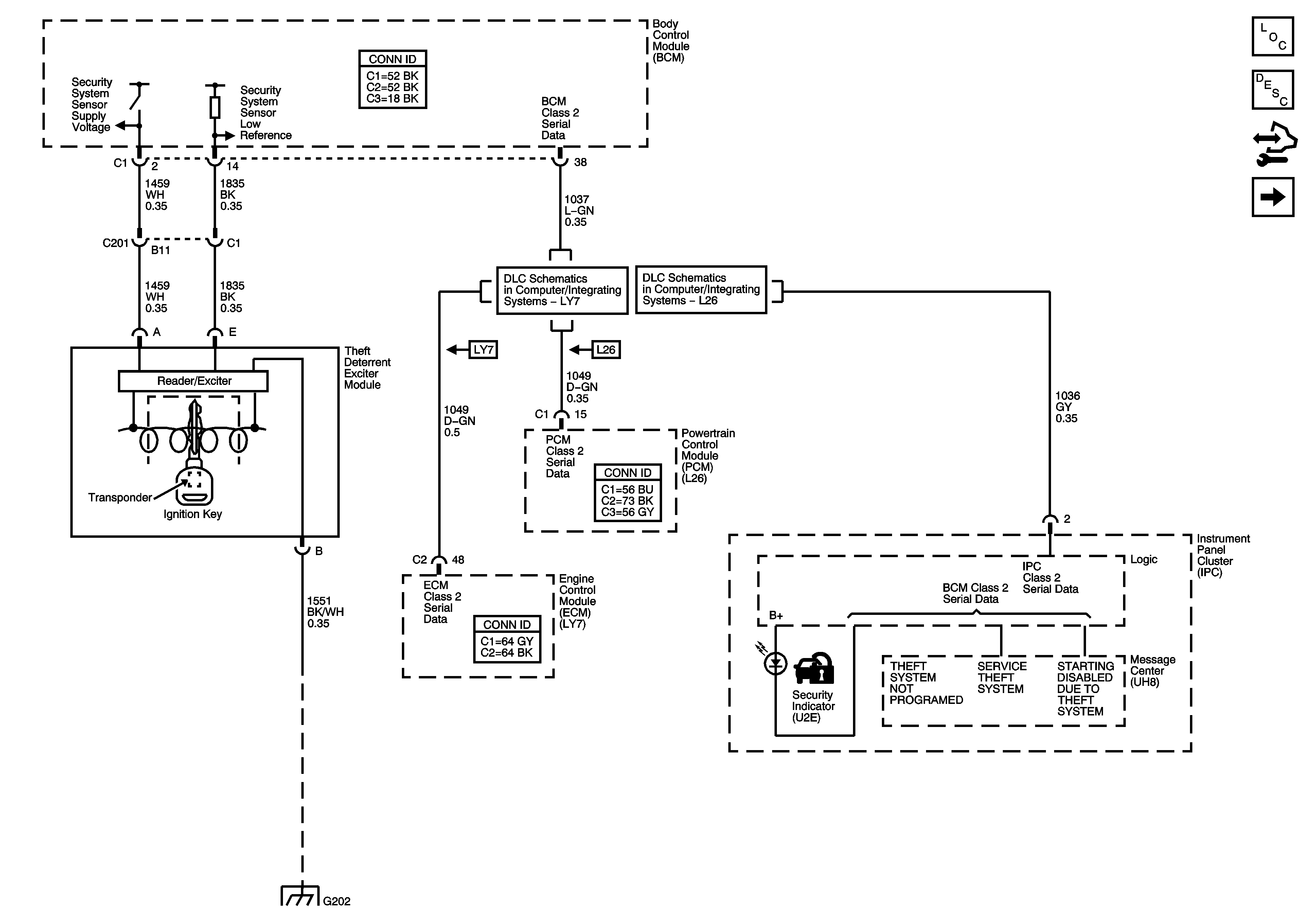
Figure
1:
Vehicle Theft Deterrent (VTD) System
Master Electrical Component List
Content Theft Deterrent (CTD) Description and Operation
Control Module References
Content Theft Deterrent (CTD) System
Data Link Connector (DLC) Schematics LY7
Data Link Connector (DLC) Schematics L26
G202
Figure
2:
Content Theft Deterrent (CTD) System
Master Electrical Component List
Vehicle Theft Deterrent (VTD) Description and Operation
Control Module References
Vehicle Theft Deterrent (VTD) System
Switches
Ajar Indicators
Horns Schematics
Headlights/Daytime Runing Lights (DRL) Schematics
Park Lamps
Body Rear End Schematics
Ajar Indicators
Courtesy Lamps
G202
G302