GM Service Manual Online
For 1990-2009 cars only

Power Steering Fluid Reservoir Inlet Hose Replacement LY7

Removal Procedure

  1. Remove the fuel injection sight shield. Refer to Fuel Injector Sight Shield Replacement .
  2. Remove as much power steering fluid from the remote power steering fluid reservoir as possible.
  3. Place drain pans under the vehicle as needed.

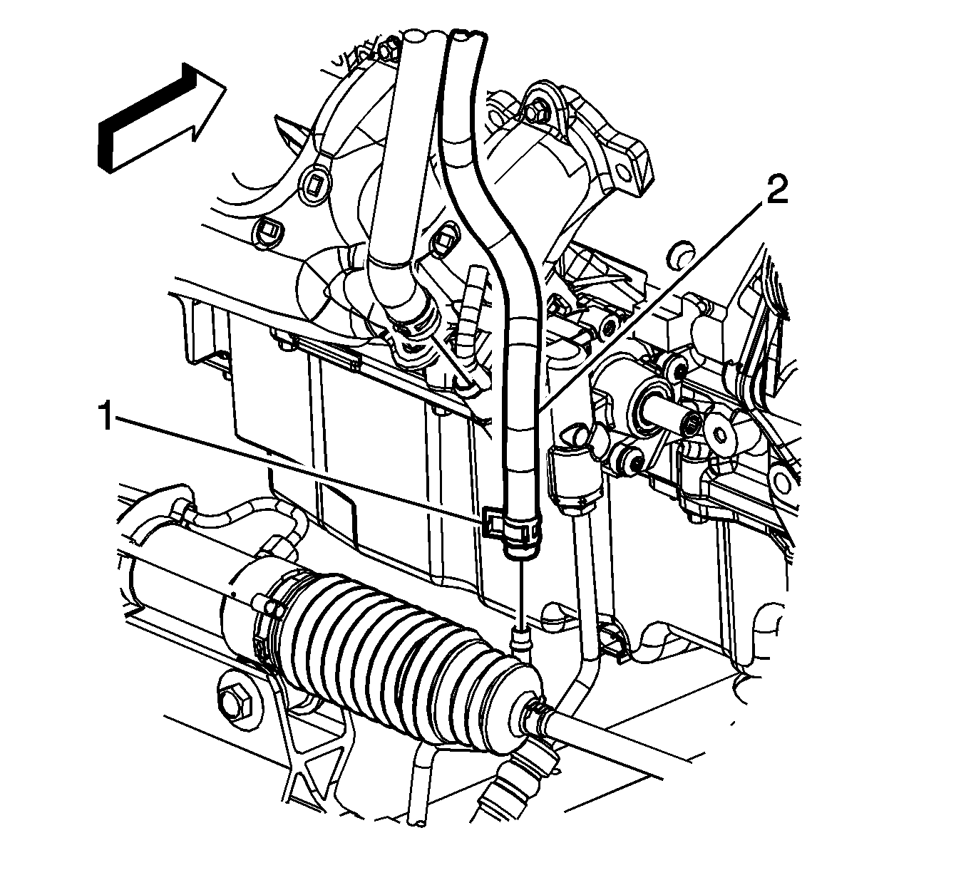
  4. Object Number: 1878099  Size: SH
  5. Loosen the power steering reservoir inlet hose clamp (1) and disconnect the power steering reservoir inlet hose (2) at the power steering cooler hose.

  6. Object Number: 1878164  Size: SH
  7. Loosen the power steering reservoir inlet hose clamp (1) and disconnect the power steering reservoir inlet hose (2) at the remote power steering fluid reservoir.
  8. Remove the power steering reservoir inlet hose from the vehicle.

Installation Procedure

  1. Install the power steering reservoir inlet hose to the vehicle.

  2. Object Number: 1878164  Size: SH
  3. Connect the power steering reservoir inlet hose (2) and release the power steering reservoir inlet hose clamp (1) in place at the remote power steering fluid reservoir.

  4. Object Number: 1878099  Size: SH
  5. Connect the power steering reservoir inlet hose (2) and release the power steering reservoir inlet hose clamp (1) in place at the power steering cooler hose.
  6. Clean any excess fluid from the vehicle and remove any drain pans.
  7. Fill and bleed the power steering fluid system. Refer to Power Steering System Bleeding .
  8. Install the fuel injection sight shield. Refer to Fuel Injector Sight Shield Replacement .