GM Service Manual Online
For 1990-2009 cars only

Power Steering Fluid Reservoir Outlet Hose Replacement LY7

Removal Procedure

  1. Remove the fuel injector sight shield. Refer to Fuel Injector Sight Shield Replacement .
  2. Remove as much power steering fluid from the remote power steering fluid reservoir as possible.
  3. Place drain pans under the vehicle as needed.

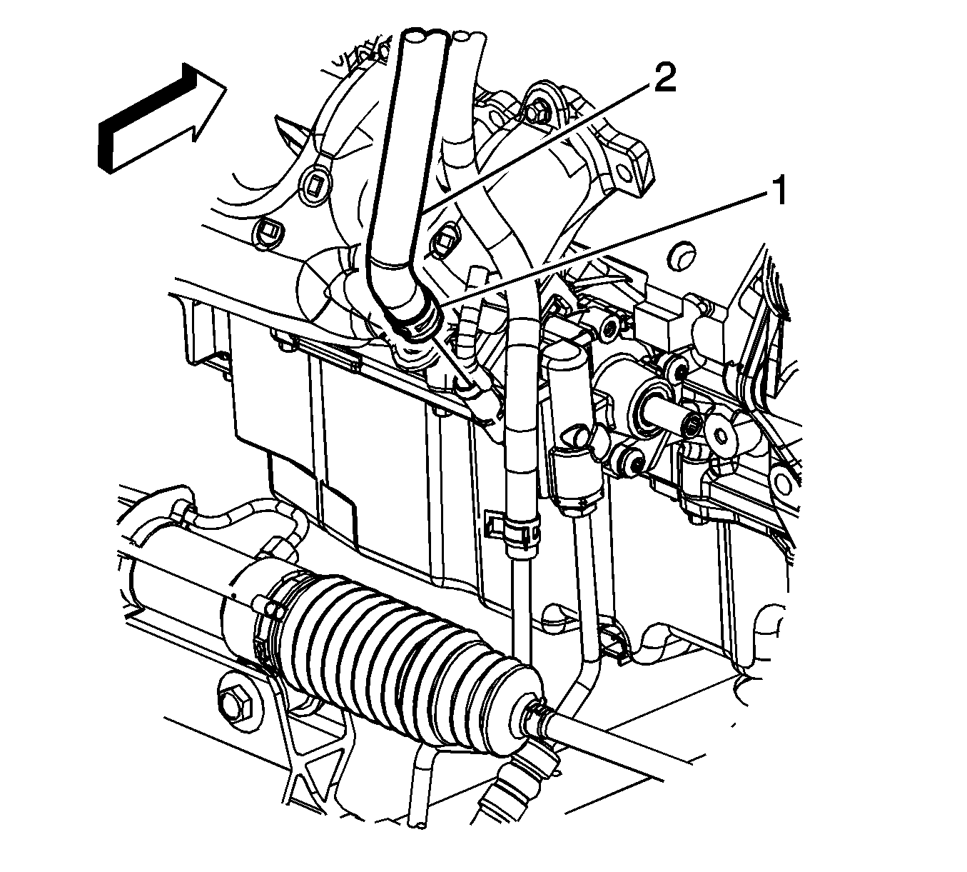
  4. Object Number: 1878273  Size: SH
  5. Loosen the power steering fluid reservoir outlet hose clamp (1) and disconnect the power steering fluid reservoir outlet hose (2) from the power steering pump.
  6. Loosen the power steering fluid reservoir outlet hose clamp and disconnect the power steering fluid reservoir outlet hose from the remote power steering fluid reservoir.
  7. Remove the power steering fluid reservoir outlet hose from the vehicle.

Installation Procedure

  1. Install the power steering fluid reservoir outlet hose to the vehicle.

  2. Object Number: 1878273  Size: SH
  3. Connect the power steering fluid reservoir outlet hose (2) to the power steering pump and release the power steering fluid reservoir outlet hose clamp (1).
  4. Connect the power steering fluid reservoir outlet hose to the remote power steering fluid reservoir and release the power steering fluid reservoir outlet hose clamp.
  5. Clean any excess fluid from the vehicle and remove any drain pans.
  6. Fill and bleed the power steering fluid system. Refer to Power Steering System Bleeding .
  7. Install the fuel injector sight shield. Refer to Fuel Injector Sight Shield Replacement .