GM Service Manual Online
For 1990-2009 cars only

Tools Required

    • J 21854-01 Pivot Pin Remover
    • J 23653-SIR Steering Column Lock Plate Compressor
    • J 42137 Cam Orientation Plate Adapter

Removal Procedure

    Caution: Refer to SIR Caution in the Preface section.

  1. Disable the SIR system. Refer to SIR Disabling and Enabling in SIR.

  2. Object Number: 338052  Size: SH
  3. Remove the SIR coil. Refer to Inflatable Restraint Steering Wheel Module Coil Replacement in SIR.
  4. Compress the cam orientation plate using J 23653-SIR and J 42137 .
  5. Remove the bearing retainer from the shaft.


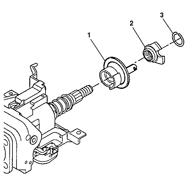
    Object Number: 338056  Size: SH
  6. Remove J 23653-SIR and J 42137 from the steering column.
  7. Remove and dispose the bearing retainer (3).
  8. Remove the cam orientation plate (2).
  9. Remove the turn signal cancel cam assembly (1).

  10. Object Number: 338012  Size: SH
  11. Remove the upper bearing spring (3).
  12. Remove the upper bearing inner race seat (2).
  13. Remove the inner race (1).

  14. Object Number: 295948  Size: SH
  15. Remove the pivot pins (1) using J 21854-01 .

  16. Object Number: 338062  Size: SH
  17. Pull the tilt arm in order to disengage the steering wheel lock shoes from the dowel pins (2) in the steering column support assembly.

  18. Object Number: 338016  Size: SH
  19. Remove the housing and bearing assembly (1).

Installation Procedure


    Object Number: 338016  Size: SH
  1. Install the housing and bearing assembly (1).

  2. Object Number: 338067  Size: SH
  3. Using the tilt lever position, lock the shoes to the dowel pins (2).
  4. Rotate the tilt head assembly (1) in order to align the holes for the pivot pins.

  5. Object Number: 299893  Size: SH
  6. Install the 2 pivot pins by performing the following steps:
  7. 4.1. Lubricate the pivot pins (1) with, GM P/N 12346293 (Canadian P/N 992723).
    4.2. Press the pivot pins (1) until the pins are firmly seated.
    4.3. Stake the pivot pins at three new locations (1).

    Object Number: 338012  Size: SH
  8. Install the inner race (1).
  9. Install the upper bearing inner race seat (2).
  10. Install the upper bearing spring (3).

  11. Object Number: 338056  Size: SH
  12. Install the turn signal cancel cam assembly (1).
  13. Install the cam orientation plate (2).
  14. Install the bearing retainer (3).

  15. Object Number: 338052  Size: SH
  16. Install the bearing retainer ring to the steering shaft.
  17. Compress the cam orientation plate using J 23653-SIR and J 42137 .

  18. Remove J 23653-SIR and J 42137 .
  19. Install the SIR coil. Refer to Inflatable Restraint Steering Wheel Module Coil Replacement in SIR.
  20. Enable the SIR system. Refer to SIR Disabling and Enabling in SIR.