GM Service Manual Online
For 1990-2009 cars only

Removal Procedure

    Caution: Refer to SIR Caution in the Preface section.


    Object Number: 368481  Size: SH
  1. Disable the SIR coil. Refer to SIR Disabling and Enabling .
  2. Remove the tilt lever. Refer to Tilt Lever Replacement .
  3. Remove the steering wheel from the column. Refer to Steering Wheel Replacement .
  4. Remove the steering column from the vehicle. Refer to Steering Column Replacement .
  5. Inspect the steering column for accident damage. Refer to Steering Column Accident Damage Inspection .
  6. Place the steering column in the center position.
  7. Use a small screwdriver to pull the filler plug out of the bottom of the lower trim cover.

  8. Object Number: 368477  Size: SH
  9. Insert a small screwdriver into the filler plug hole in the bottom of the lower trim cover.
  10. Use the screwdriver to push up on the manual override of the steering wheel theft deterrent lock (1).
  11. Turn the key to the lock position. Remove the key.

  12. Object Number: 1702768  Size: SH
  13. Unsnap the lower trim cover from the upper trim cover.
  14. Remove the lower trim cover.
  15. Remove the ignition lock cylinder. Refer to Ignition Lock Cylinder Replacement .

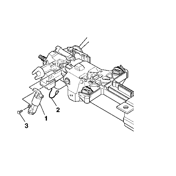
  16. Object Number: 626493  Size: SH
  17. Remove the black connector (2) from the ignition lock cylinder solenoid (1).
  18. Remove the tapping screw (3) from the ignition lock cylinder solenoid (1) mounting hole and the ignition switch assembly.
  19. Pry the ignition lock cylinder solenoid (1) off of the ignition lock cylinder case assembly.

Installation Procedure


    Object Number: 626493  Size: SH
  1. Snap the ignition lock cylinder solenoid (1) onto the ignition lock cylinder case assembly.
  2. Install the tapping screw (3) into the mounting hole of the ignition lock cylinder solenoid (1) and the ignition switch assembly.
  3. Install the ignition lock cylinder. Refer to Ignition Lock Cylinder Replacement .
  4. Install the black connector into the ignition lock cylinder solenoid (2).

  5. Object Number: 1702768  Size: SH
  6. Install the lower trim cover onto the steering column.
  7. Snap the lower trim cover to the upper trim cover.
  8. Caution: Refer to SIR Inflator Module Coil Caution in the Preface section.

  9. Install the steering wheel onto the steering column. Refer to Steering Wheel Replacement .
  10. Install the steering column into the vehicle. Refer to Steering Column Replacement .
  11. Install the tilt lever. Refer to Tilt Lever Replacement
  12. Enable the SIR system. Refer to SIR Disabling and Enabling .