GM Service Manual Online
For 1990-2009 cars only

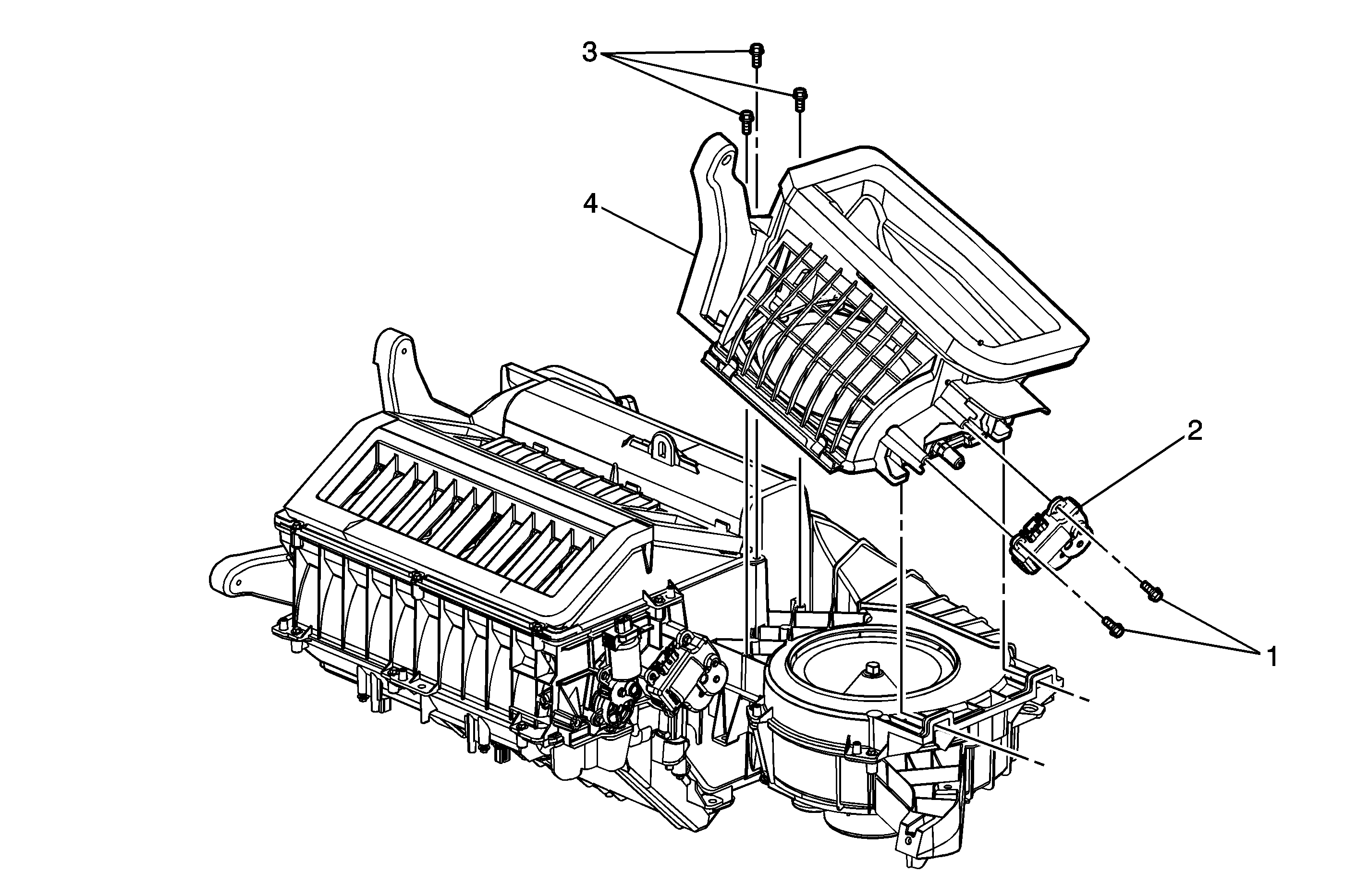
Object Number: 1537842  Size: MF

Callout

Component Name

Preliminary Procedure

Remove the HVAC module assembly. Refer to HVAC Module Assembly Replacement .

1

Actuator Recirculation Screw (Qty: 2)

Notice: Refer to Fastener Notice in the Preface section.

Tip
Disconnect electrical connector.

Tighten
1.5 N·m (13 lb in)

2

Recirculation Door Actuator

Tip
Tilt recirculation door assembly to insert tabs into the HVAC module assembly.

3

Recirculation Door Assembly Screw (Qty: 3)

Tighten
1.5 N·m (13 lb in)

4

Recirculation Assembly Door