GM Service Manual Online
For 1990-2009 cars only
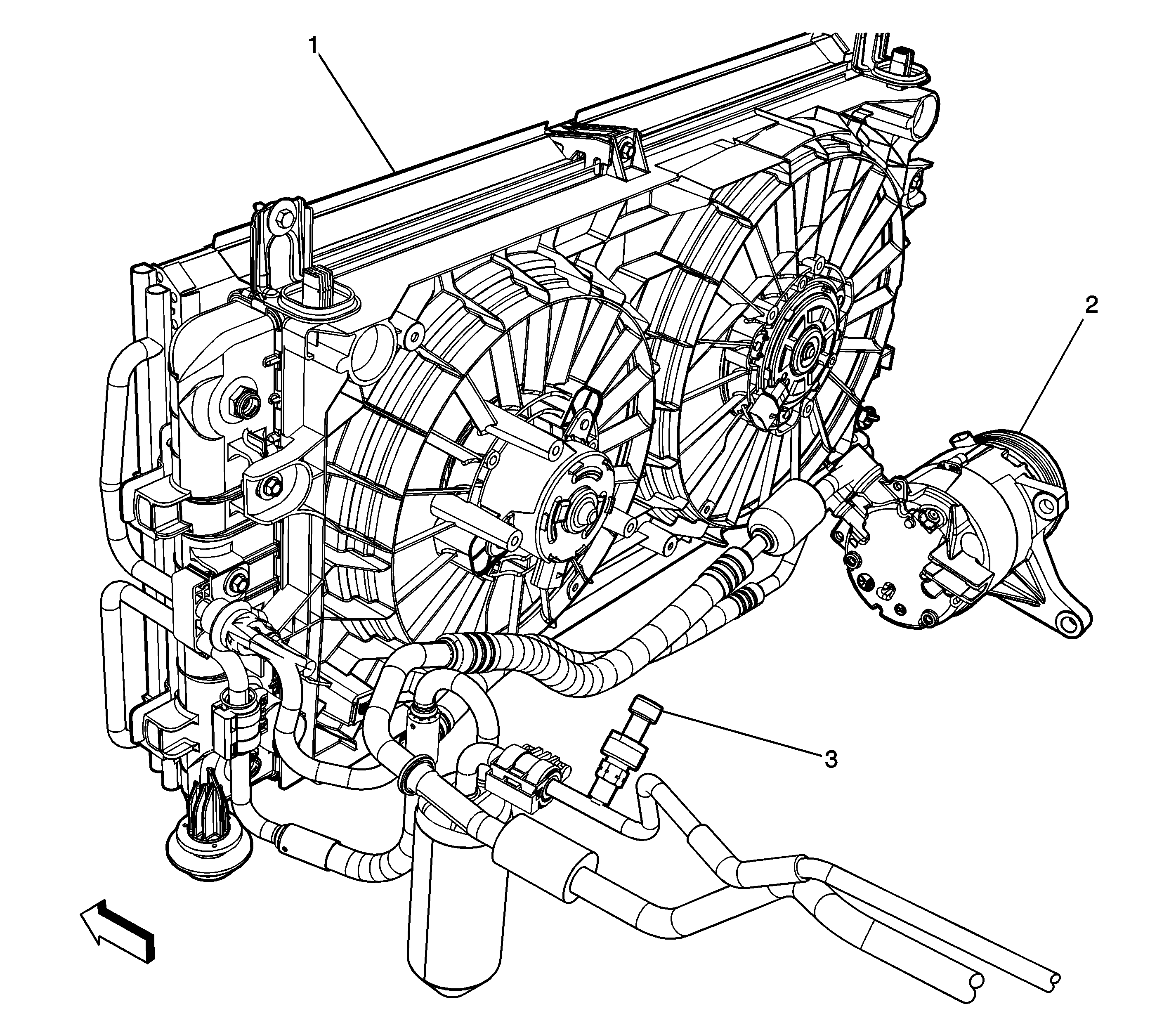
Figure 1:

Front A/C Components


Object Number: 1507664  Size: LF
(1)Radiator
(2)A/C Compressor Clutch
(3)A/C Refrigerant Pressure Sensor
Figure 2:

Interior HVAC Components


Object Number: 1507662  Size: LF
(1)Air Temperature Sensor - Inside
(2)Air Temperature Sensor - Upper Left
(3)Air Temperature Sensor - Upper Right
(4)Air Temperature Sensor - Upper Right
(5)Air Temperature Sensor - Upper Right
(6)Recirculation Actuator
(7)Blower Motor
(8)Blower Motor Control Processor
(9)Air Temperature Actuator - Right
(10)Motor Actuator
(11)HVAC Control Module
(12)Air Temperature Actuator - Left
Figure 3:

Front of the I/P


Object Number: 1509879  Size: LF
(1)Lamp Switch Assembly - Fog Lamp
(2)Instrument Panel Cluster (IPC)
(3)Ignition Switch
(4)Air Temperature Sensor - Inside
(5)Sunload Sensor Assembly (CJ2) or Ambient Light Sensor (C67)
(6)Theft LED
(7)Driver Information Center (DIC)
(8)Radio
(9)HVAC Control Module
(10)Heated Seat Switch - Front Passenger
(11)Cigar Lighter
(12)Heated Seat Switch - Driver
(13)Steering Wheel Controls - Right
(14)Cruise Control Switch
(15)Voice Recorder / Cruise Switch Assembly
(16)Steering Wheel Controls - Left
(17)Turn Signal / Multifunction Switch
(18)I/P Dimmer Switch
(19)Lamp Switch Assembly - Interior Lamps