GM Service Manual Online
For 1990-2009 cars only
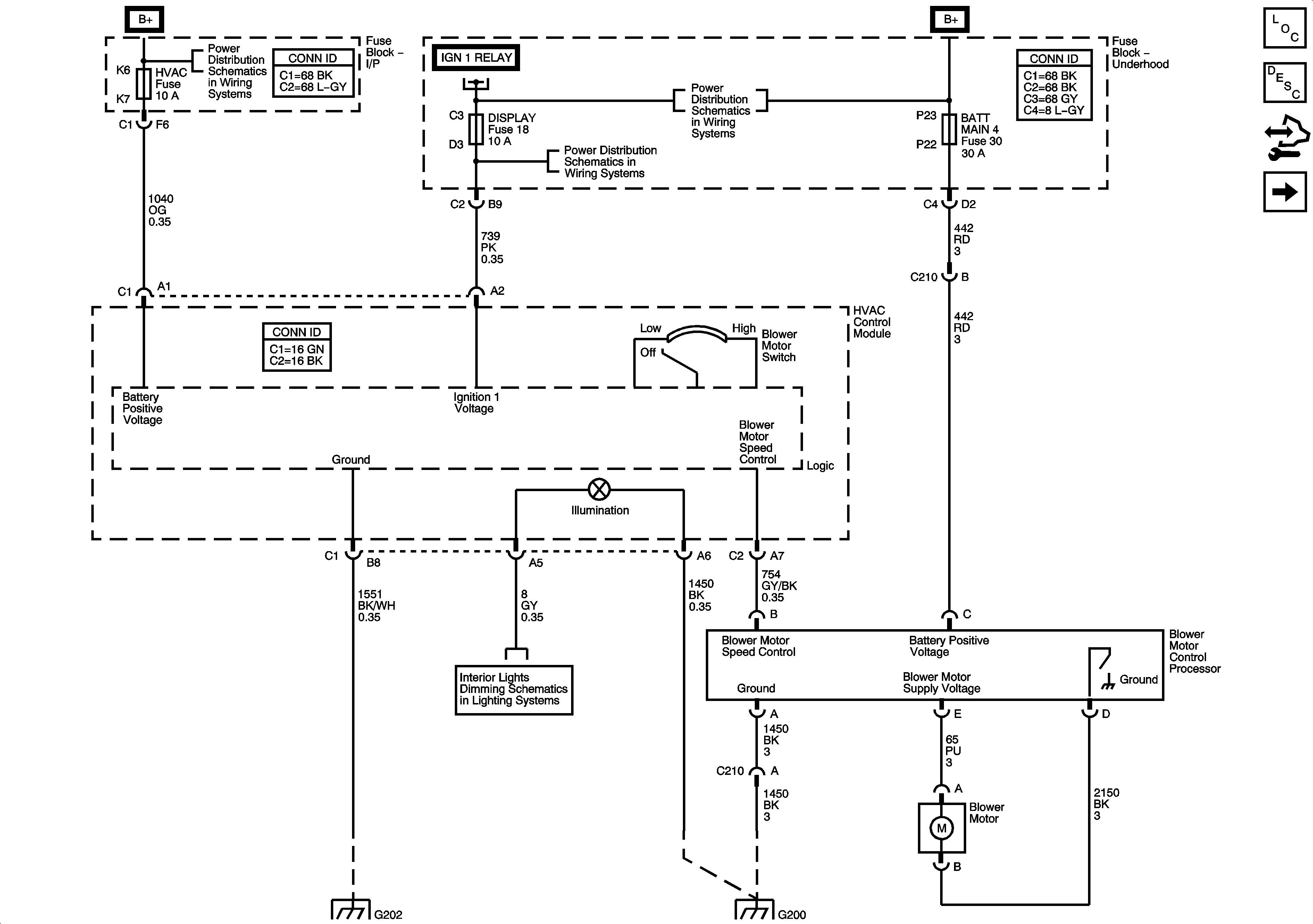
Figure 1:

Power, Ground, and Blower Controls


Object Number: 1645675  Size: FS
Master Electrical Component List
Air Delivery Description and Operation
Control Module References
Compressor Controls and Serial Data (L26)
Fuse Block - Underhood B+ Bus
Fuse Block - Underhood B+ Bus
Fuse Block - Underhood ABS, TRANS SOL, PCM, SIR, and DISPLAY Fuses, CRANK Relay, and Fuse Block - I/P CRUISE SW Fuse
Fuse Block - Underhood B+ Bus
I/P, Console, and Driver Door Lighting
G202
G200
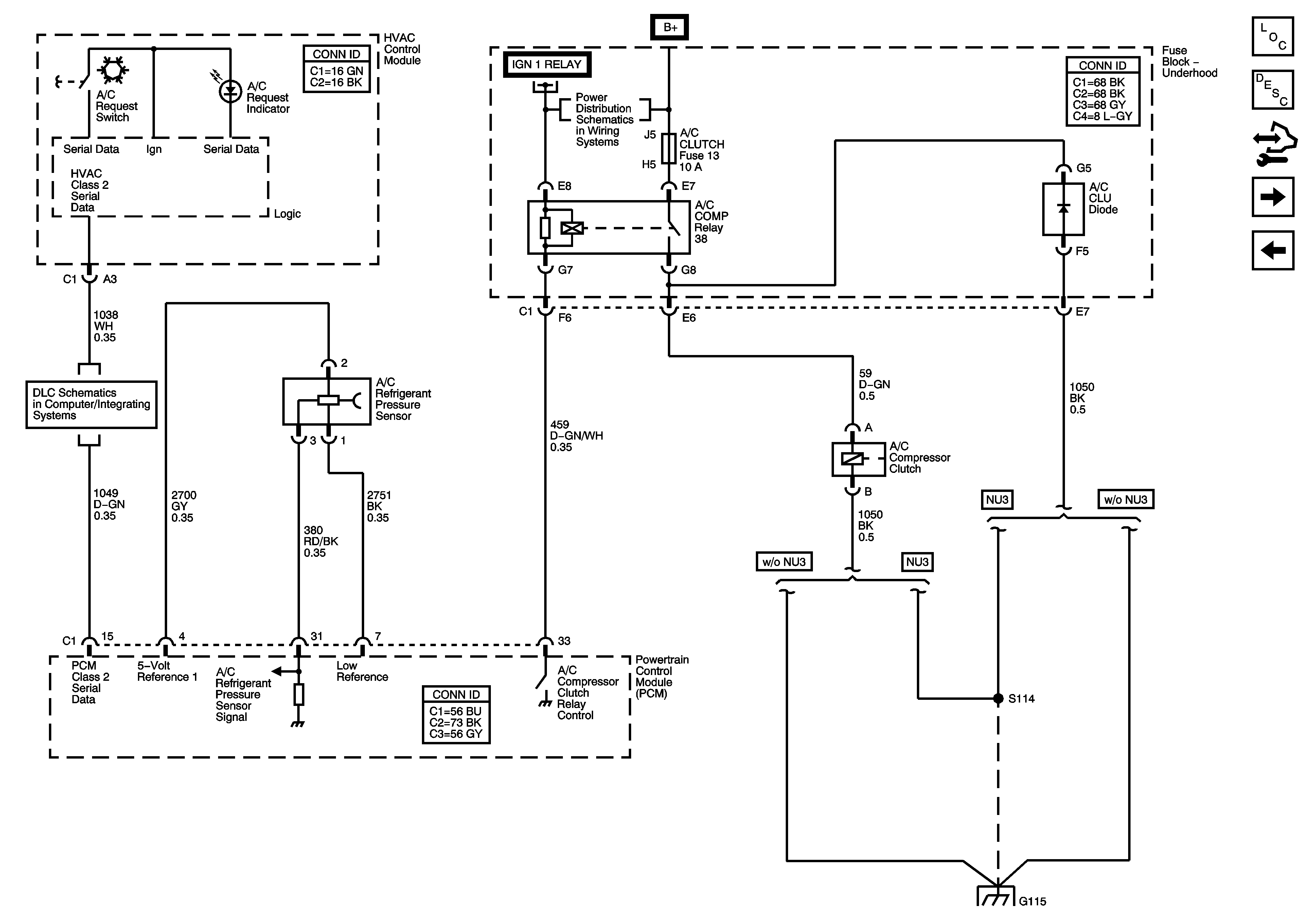
Figure 2:

Compressor Controls and Serial Data (L26)


Object Number: 1645677  Size: FS
Master Electrical Component List
Air Temperature Description and Operation
Control Module References
Compressor Controls and Serial Data (LY7)
Power, Ground and Blower Controls
Fuse Block - Underhood B+ Bus
Fuse Block - Underhood B+ Bus
Data Link Connector (DLC) Schematics L26
G115 (L26)
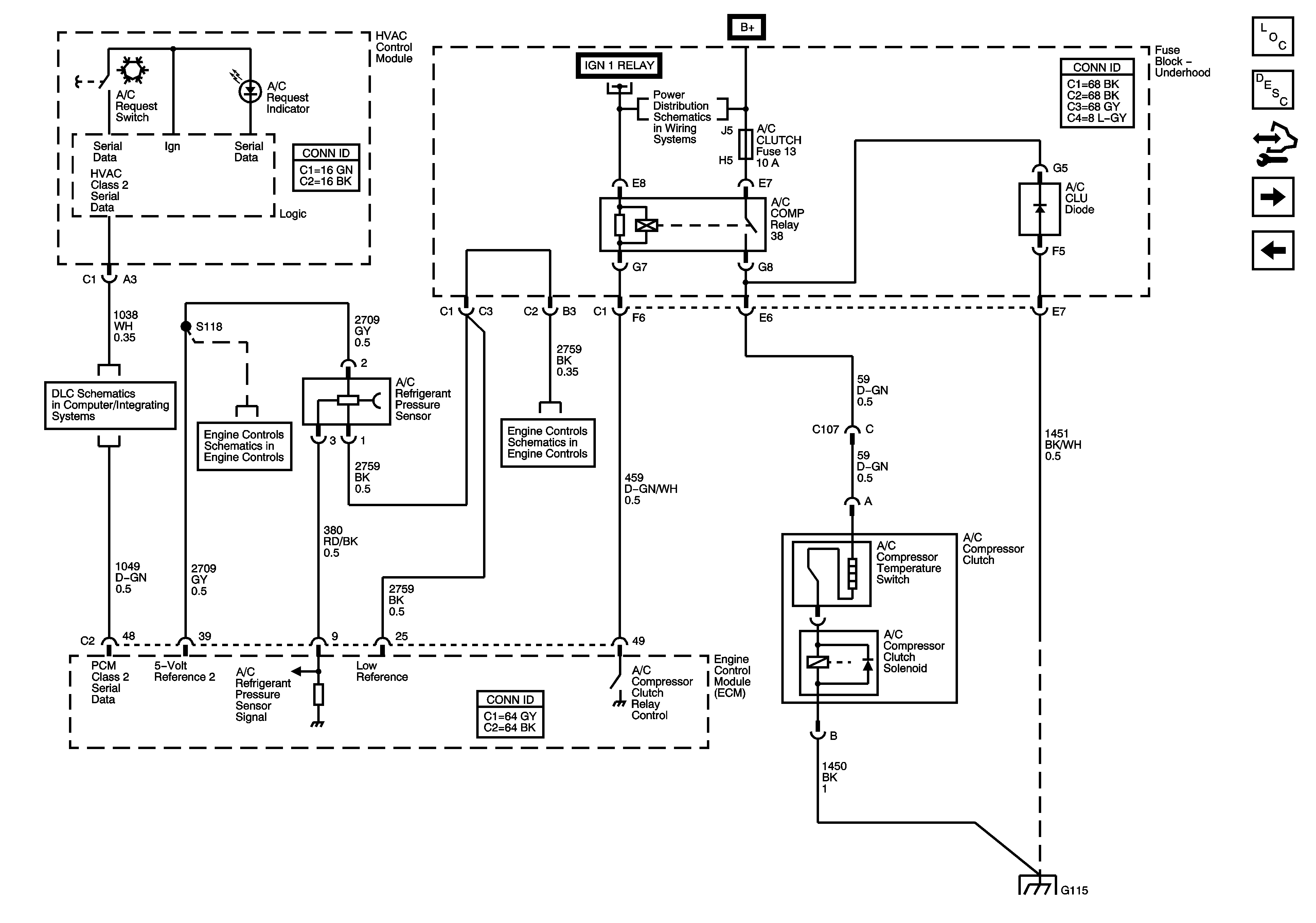
Figure 3:

Compressor Controls and Serial Data (LY7)


Object Number: 1645679  Size: FS
Master Electrical Component List
Air Temperature Description and Operation
Control Module References
Air Temperature and Sunload Sensors
Compressor Controls and Serial Data (L26)
Fuse Block - Underhood B+ Bus
Fuse Block - Underhood B+ Bus
Data Link Connector (DLC) Schematics LY7
5 Volt and Low Reference page 1 of 2
5 Volt and Low Reference page 1 of 2
G115 (LY7)
Figure 4:

Air Temperature and Sunload Sensors


Object Number: 1645680  Size: FS
Master Electrical Component List
Air Temperature Description and Operation
Control Module References
Air Delivery/Temperature Controls
Compressor Controls and Serial Data (LY7)
Headlights/Daytime Runing Lights (DRL) Schematics
Fuse Block - Underhood ABS, TRANS SOL, PCM, SIR, and DISPLAY Fuses, CRANK Relay, and Fuse Block - I/P CRUISE SW Fuse
G202
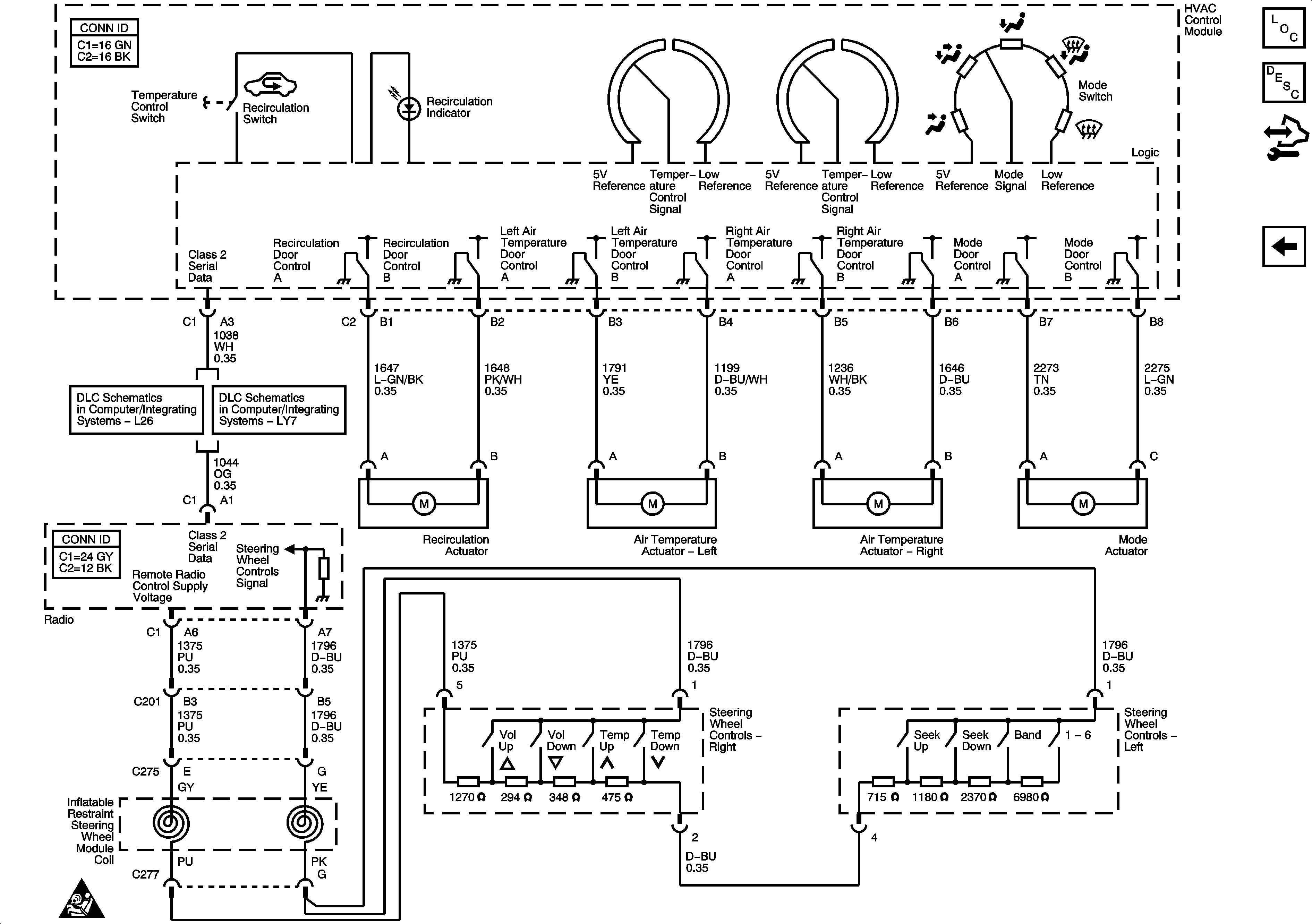
Figure 5:

Air Delivery/Temperature Controls


Object Number: 1645682  Size: FS
Master Electrical Component List
Air Temperature Description and Operation
Control Module References
Air Temperature and Sunload Sensors
Data Link Connector (DLC) Schematics L26
Data Link Connector (DLC) Schematics LY7
HVAC Schematic Icons