GM Service Manual Online
For 1990-2009 cars only
Figure 1:

Passenger Seat


Object Number: 1507669  Size: LF
(1)Heated Seat Element - Passenger Cushion
(2)Heated Seat Element - Passenger Back
(3)Inflatable Restraint Front Passenger Presence System (PPS) Sensor
(4)Heated Seat Relay
(5)Horizontal Motor (part of the Adjuster Assembly)
(6)Front Vertical Motor (part of the Adjuster Assembly)
(7)Rear Vertical Motor (part of the Adjuster Assembly)
(8)Inflatable Restraint Front Passenger Presence System (PPS) Module
(9)Seat Adjuster Switch - Passenger
Figure 2:

Front of the Engine Compartment


Object Number: 1507659  Size: LF
(1)Inflatable Restraint Front End Sensor - Right
(2)Inflatable Restraint Front End Sensor - Left
(3)Hood Ajar Switch (AP3)
Figure 3:

Air Bags


Object Number: 1507681  Size: LF
(1)Inflatable Restraint I/P Module
(2)Inflatable Restraint Roof Rail Module - Right (AY1)
(3)Inflatable Restraint Roof Rail Module - Left (AY1)
(4)Inflatable Restraint Steering Wheel Module
(5)Floor Panel
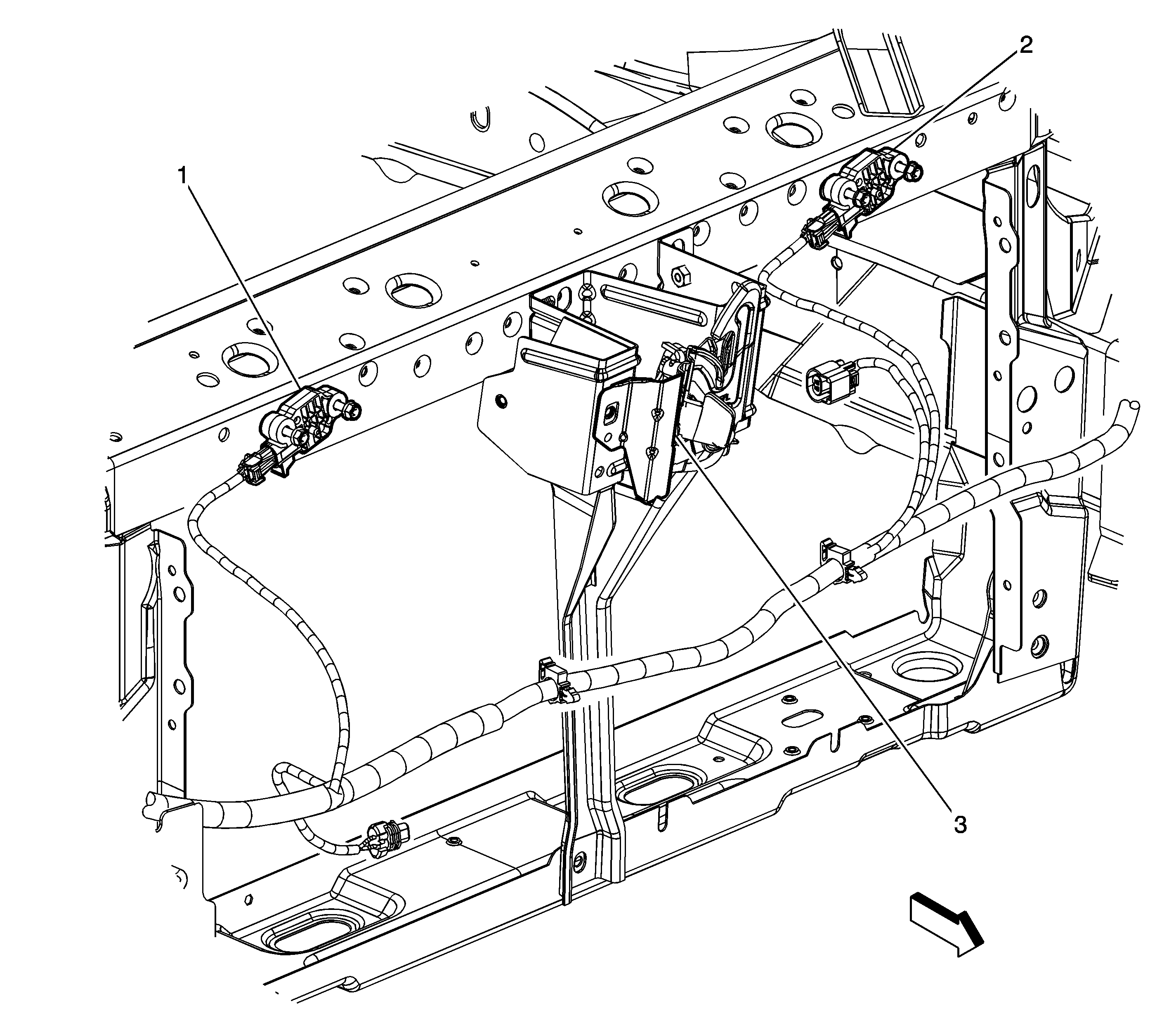
Figure 4:

Driver Door


Object Number: 1507640  Size: LF
(1)Door Frame
(2)Outside Rearview Mirror - Driver
(3)Door Lock / Window Switch - Driver
(4)Outside Rearview Mirror Switch
(5)Window Motor - Driver
(6)Inflatable Restraint Side Impact Sensor - Left (AY1)
(7)Door Lock - Driver
Figure 5:

Passenger Door


Object Number: 1507641  Size: LF
(1)Outside Rearview Mirror - Front Passenger
(2)Door Frame
(3)Door Lock - Front Passenger
(4)Inflatable Restraint Side Impact Sensor - Right (AY1)
(5)Door Lock Switch - Front Passenger
(6)Window Switch - Front Passenger
(7)Window Motor - Front Passenger
Figure 6:

Under the Passenger Seat


Object Number: 1552094  Size: LF
(1)Front Passenger Seat
(2)Driver Seat
(3)Inflatable Restraint Sensing and Diagnostic Module (SDM)