GM Service Manual Online
For 1990-2009 cars only

Exhaust Manifold Replacement - Right Side 3.8L

Removal Procedure


    Object Number: 910984  Size: SH
  1. Remove the fuel injector sight shield. Refer to Fuel Injector Sight Shield Replacement .
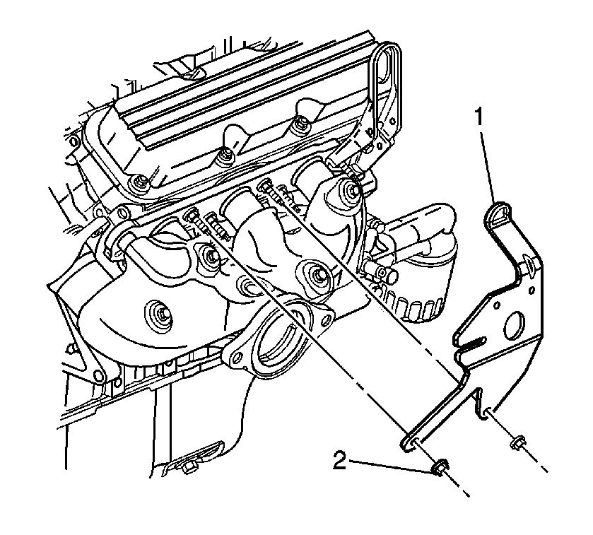
  2. Remove the exhaust crossover heat shield nuts (1).
  3. Remove the exhaust crossover heat shield (2).

  4. Object Number: 911162  Size: SH
  5. Remove the exhaust crossover pipe studs (3) from the right exhaust manifold.
  6. Raise and support the vehicle. Refer to Lifting and Jacking the Vehicle .

  7. Object Number: 911163  Size: SH
  8. Remove the exhaust manifold pipe stud nuts (2) and the catalytic converter pipe (3) from the right exhaust manifold.
  9. Lower the vehicle.
  10. Rotate the engine to access the right side of the engine. Refer to Rotating the Engine for Service Access .

  11. Object Number: 911055  Size: SH
  12. Disconnect the heated oxygen sensor (HO2S) electrical connector (1).
  13. Remove the HO2S electrical connector (1) from the engine sight shield bracket.
  14. Remove the HO2S (2) from the right exhaust manifold. Refer to Heated Oxygen Sensor 1 Replacement .
  15. Remove the right side spark plugs from cylinders 2, 4 and 6. Refer to Spark Plug Replacement .

  16. Object Number: 911011  Size: SH
  17. Remove the fuel injector sight shield bracket nuts (2).
  18. Remove the fuel injector sight shield bracket (1).

  19. Object Number: 910986  Size: SH
  20. Remove the right engine lift bracket bolt (2) and the nut (3).
  21. Remove the right engine lift bracket (1).

  22. Object Number: 911016  Size: SH
  23. Remove the right exhaust manifold heat shield bolts (2).
  24. Remove the right exhaust manifold heat shield (1).
  25. Raise the vehicle.

  26. Object Number: 911025  Size: SH
  27. Remove the exhaust gas recirculation (EGR) valve inlet adapter pipe bolt (1) from the right exhaust manifold.
  28. Lower the vehicle.

  29. Object Number: 910980  Size: SH
  30. Remove the right exhaust manifold studs (4) and the nuts (3).
  31. Remove the right exhaust manifold (2).
  32. Remove the right exhaust manifold gasket (1).

  33. Object Number: 305693  Size: SH
  34. Remove the exhaust manifold studs if damaged.
  35. Clean and Inspect the right exhaust manifold. Refer to Exhaust Manifold Cleaning and Inspection .

Installation Procedure


    Object Number: 305693  Size: SH
  1. Install the exhaust manifold studs if removed.

  2. Object Number: 910980  Size: SH
  3. Install the right exhaust manifold gasket (1).
  4. Install the right exhaust manifold (2).
  5. Notice: Use the correct fastener in the correct location. Replacement fasteners must be the correct part number for that application. Fasteners requiring replacement or fasteners requiring the use of thread locking compound or sealant are identified in the service procedure. Do not use paints, lubricants, or corrosion inhibitors on fasteners or fastener joint surfaces unless specified. These coatings affect fastener torque and joint clamping force and may damage the fastener. Use the correct tightening sequence and specifications when installing fasteners in order to avoid damage to parts and systems.

  6. Install the right exhaust manifold studs (4) and the nuts (3).
  7. Tighten
    Tighten the studs and the nuts to 30 N·m (22 lb ft).

  8. Raise the vehicle.

  9. Object Number: 911025  Size: SH
  10. Install the exhaust gas recirculation (EGR) valve inlet adapter pipe bolt (1) to the right exhaust manifold.
  11. Tighten
    Tighten the bolt to 29 N·m (21 lb ft).

  12. Lower the vehicle.

  13. Object Number: 911016  Size: SH
  14. Install the right exhaust manifold heat shield (1).
  15. Install the right exhaust manifold heat shield bolts (2).
  16. Tighten
    Tighten the bolts to 10 N·m (89 lb in).


    Object Number: 910986  Size: SH
  17. Install the right engine lift bracket (1).
  18. Install the right engine lift bracket bolt (2) and the nut (3).
  19. Tighten
    Tighten the bolt and the nut to 30 N·m (22 lb ft).


    Object Number: 911011  Size: SH
  20. Install the fuel injector sight shield bracket (1).
  21. Install the fuel injector sight shield bracket nuts (2).
  22. Tighten
    Tighten the nuts to 30 N·m (22 lb ft).

  23. Install the right side spark plugs to cylinders 2, 4 and 6. Refer to Spark Plug Replacement .

  24. Object Number: 911055  Size: SH
  25. Install the HO2S (2) to the right exhaust manifold. Refer to Heated Oxygen Sensor 1 Replacement
  26. Install the HO2S electrical connector (1) to the engine sight shield bracket.
  27. Connect the HO2S electrical connector (1).
  28. Return the engine to the original position.
  29. Raise the vehicle.

  30. Object Number: 911163  Size: SH
  31. Install the catalytic converter pipe (3) to the right exhaust manifold.
  32. Install the catalytic converter pipe stud nuts (2) to the right exhaust manifold.
  33. Tighten
    Tighten the stud nuts to 35 N·m (26 lb ft).

  34. Lower the vehicle.

  35. Object Number: 911162  Size: SH
  36. Install the exhaust crossover pipe studs (3) to the right exhaust manifold.
  37. Tighten
    Tighten the studs to 20 N·m (15 lb ft).


    Object Number: 910984  Size: SH
  38. Install the exhaust crossover heat shield (2).
  39. Install the exhaust crossover heat shield nuts (1).
  40. Tighten
    Tighten the nuts to 20 N·m (15 lb ft).

  41. Install the engine mount struts. Refer to Engine Mount Strut Replacement - Right Side and Engine Mount Strut Replacement - Left Side .
  42. Install the fuel injector sight shield. Refer to Fuel Injector Sight Shield Replacement .

Exhaust Manifold Replacement - Right Side RPO LY7

Removal Procedure


    Object Number: 1408730  Size: SH
  1. Remove the air inlet duct. Refer to Air Cleaner Inlet Duct Replacement .
  2. Remove the master cylinder fluid level sensor in order to provide clearance for lowering the powertrain. Refer to Brake Fluid Level Indicator Switch Replacement .
  3. Remove the engine mount struts. Refer to Engine Mount Strut Replacement - Left Side and Engine Mount Strut Replacement - Right Side .
  4. Raise and support the vehicle. Refer to Lifting and Jacking the Vehicle .
  5. Remove the catalytic converter. Refer to Catalytic Converter Replacement .

  6. Object Number: 1395470  Size: SH

    Important: Use a long extension in order to remove the exhaust crossover pipe nuts.

  7. Remove the exhaust crossover pipe to right bank exhaust manifold nuts (3).

  8. Object Number: 1645139  Size: SH
  9. Remove the exhaust manifold bolts.
  10. Remove the exhaust manifold.
  11. Remove and discard the exhaust manifold gasket.

  12. Object Number: 1645140  Size: SH
  13. If replacing the exhaust manifold, remove the exhaust manifold heat shield bolts and the heat shield.
  14. Clean the exhaust manifold sealing surfaces.

Installation Procedure


    Object Number: 1645140  Size: SH
  1. If the exhaust manifold was replaced, position the exhaust manifold heat shield to the exhaust manifold.
  2. Notice: Refer to Fastener Notice in the Preface section.

  3. Install the exhaust manifold heat shield bolts.
  4. Tighten
    Tighten the bolts to 10 N·m (89 lb in).


    Object Number: 1645139  Size: SH
  5. Insert one bolt through a bolt hole in the exhaust manifold.
  6. Position the NEW exhaust manifold gasket over the bolt.
  7. Position the exhaust manifold to the cylinder head.
  8. Tighten the bolt until snug.
  9. Install the remaining exhaust manifold bolts.
  10. Tighten
    Tighten the bolts to 20 N·m (15 lb ft).


    Object Number: 1395470  Size: SH
  11. Install the exhaust crossover pipe to right bank exhaust manifold nuts (3).
  12. Tighten
    Tighten the bolts to 34 N·m (25 lb ft).

  13. Install the catalytic converter. Refer to Catalytic Converter Replacement .
  14. Connect the intermediate steering shaft to the steering gear. Refer to Intermediate Steering Shaft Replacement .
  15. Lower the vehicle.
  16. Install the engine mount struts. Refer to Engine Mount Strut Replacement - Left Side and Engine Mount Strut Replacement - Right Side .
  17. Install the master cylinder fluid level sensor. Refer to Brake Fluid Level Indicator Switch Replacement .
  18. Install the air inlet duct. Refer to Air Cleaner Inlet Duct Replacement .