GM Service Manual Online
For 1990-2009 cars only
Makes
🢒
Generic
🢒
2006
🢒
Unit Repair
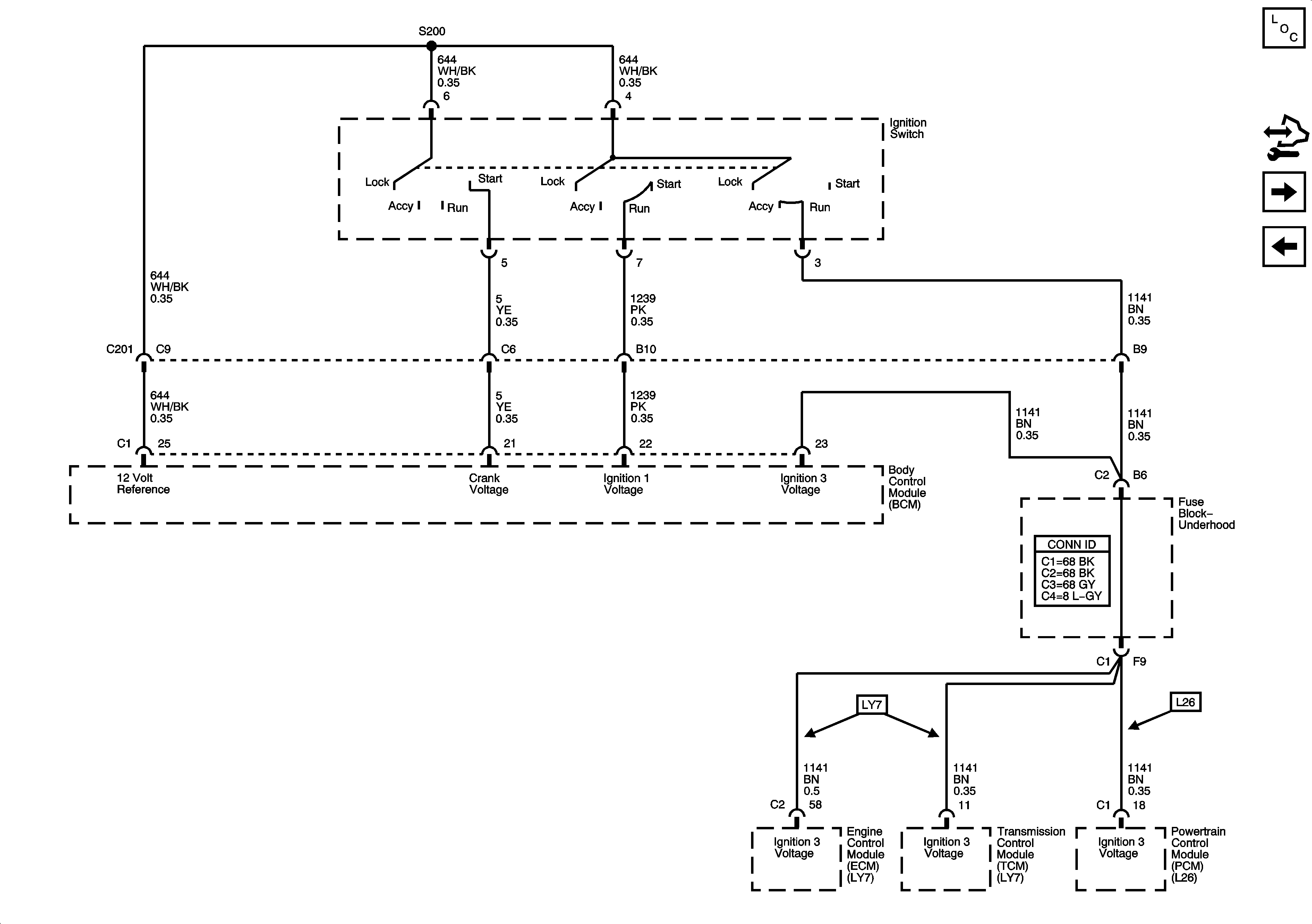
🢒 Ignition Switch
Ignition Switch
Ignition Switch
Master Electrical Component List
Control Module References
Fuse Block - Underhood BATT MAIN 1 Fuse, Fuse Block - I/P PK LAMPS, DISPLAYS, CHMSL/BKUP, INT LIGHT, RFA/MOD, RADIO/AMP, ONSTAR/ALDL, HVAC, and CANISTER Fuses and PK LP Relay
Fuse Block - Underhood B+ Bus