GM Service Manual Online
For 1990-2009 cars only
Makes
🢒
Generic
🢒
2006
🢒
Unit Repair
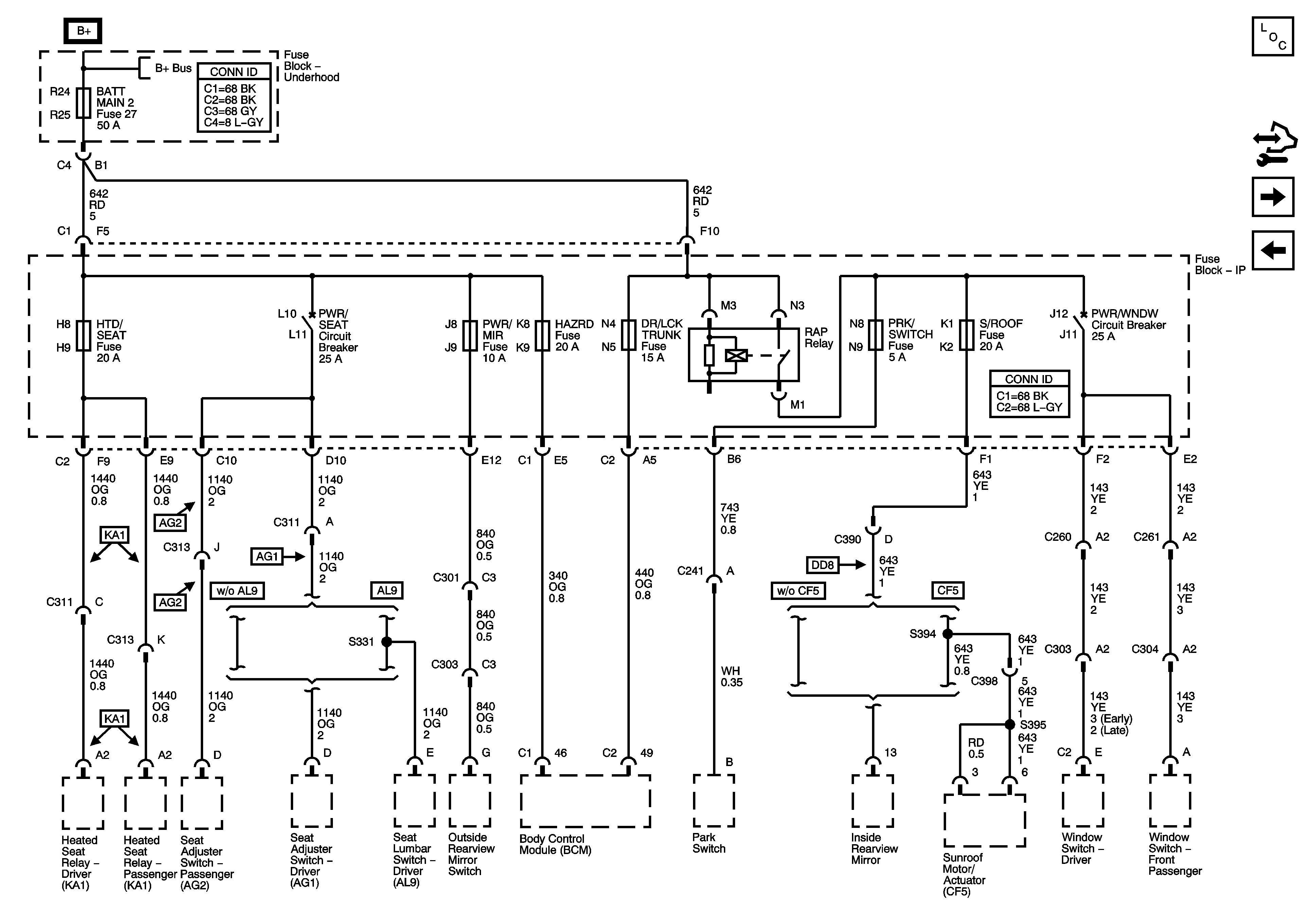
🢒 Fuse Block - Underhood BATT MAIN 2 Fuse, Fuse Block - I/P HTD SEAT, PWR MIRS, TURN/HAZ, DR LK/TRUNK, PRKSW, and SUN ROOF Fuses, PWR SEAT and PWR WDO Circuit Breakers, and RAP Relay
Fuse Block - Underhood BATT MAIN 2 Fuse, Fuse Block - I/P HTD SEAT, PWR MIRS, TURN/HAZ, DR LK/TRUNK, PRKSW, and SUN ROOF Fuses, PWR SEAT and PWR WDO Circuit Breakers, and RAP Relay
BATT MAIN 2, DR/LCK TRUNK, HAZRD, HTD/SEAT, PRK/SWITCH, PWR/MIR, S/ROOF Fuses and PWR/SEAT, PWR/WNDW Circuit Breakers
Master Electrical Component List
Control Module References
Fuse Block - Underhood BATT MAIN 3, BATT MAIN 4, ABS MTR, ABS SOL, PCM/ETC, TCM, WASHER/RVC, AUX PWR, and AIR PUMP Fuses, Fuse Block- I/P REAR WINDOW DEFOGGER Relay and HTD MIRROR Fuse
Fuse Block - Underhood BATT MAIN 1 Fuse, Fuse Block - I/P PK LAMPS, DISPLAYS, CHMSL/BKUP, INT LIGHT, RFA/MOD, RADIO/AMP, ONSTAR/ALDL, HVAC, and CANISTER Fuses and PK LP Relay
Fuse Block - Underhood B+ Bus