GM Service Manual Online
For 1990-2009 cars only
Makes
🢒
Generic
🢒
2006
🢒
Unit Repair
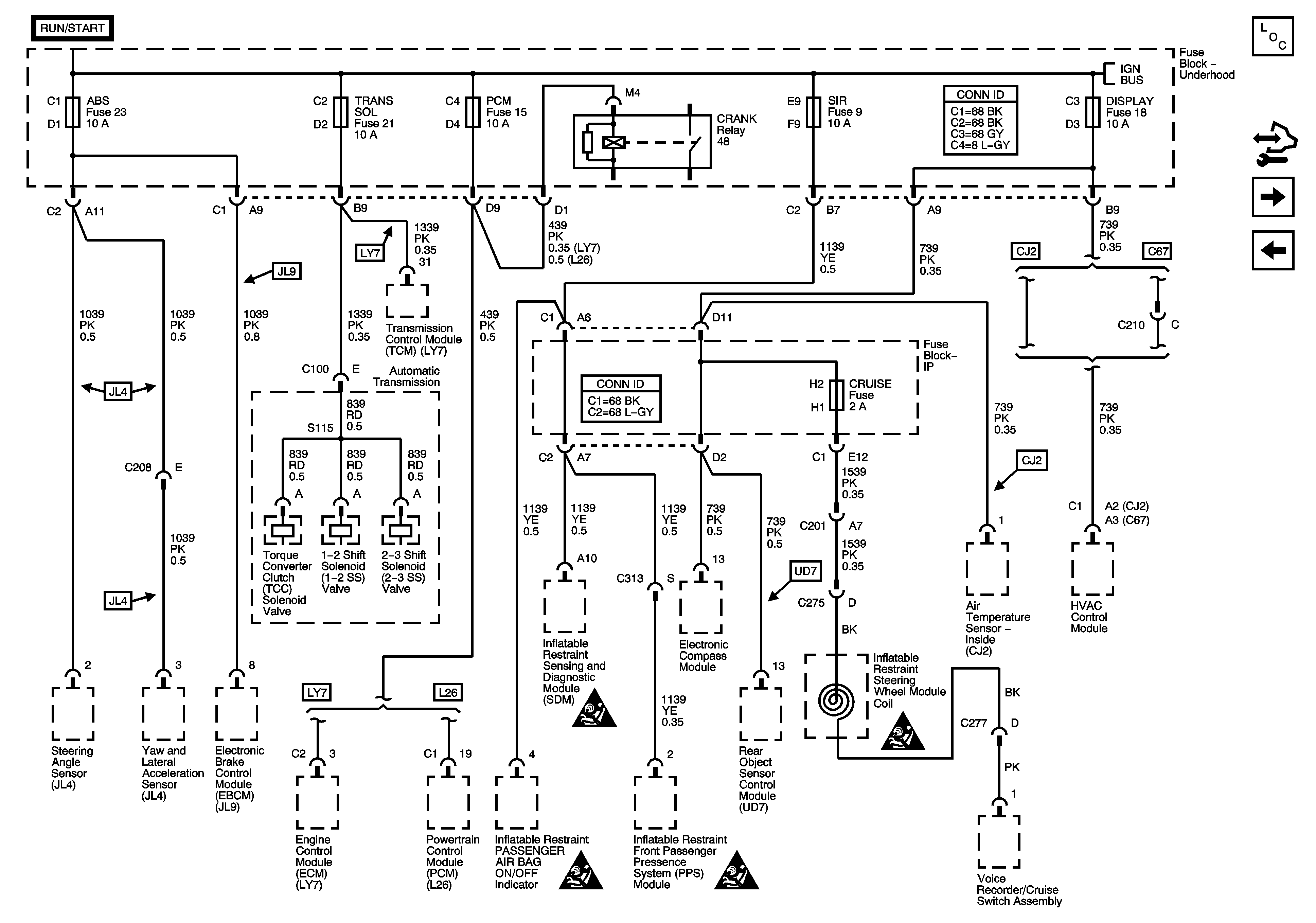
🢒 Fuse Block - Underhood ABS, TRANS SOL, PCM, SIR, and DISPLAY Fuses, CRANK Relay, and Fuse Block - I/P CRUISE SW Fuse
Fuse Block - Underhood ABS, TRANS SOL, PCM, SIR, and DISPLAY Fuses, CRANK Relay, and Fuse Block - I/P CRUISE SW Fuse
ABS, DISPLAY, PCM, SIR, SOL, TRANS Fuses, CRUISE (FUSE BLOCK - I/P)
Master Electrical Component List
Control Module References
Fuse Block - Underhood ETC, ELEK IGN (L26), FUEL INJ (L26), 02 SSR (L26), and EMISSION Fuses
Fuse Block - Underhood BATT MAIN 3, BATT MAIN 4, ABS MTR, ABS SOL, PCM/ETC, TCM, WASHER/RVC, AUX PWR, and AIR PUMP Fuses, Fuse Block- I/P REAR WINDOW DEFOGGER Relay and HTD MIRROR Fuse
Fuse Block - Underhood B+ Bus
SIR Caution for Zoning
SIR Caution for Zoning
SIR Caution for Zoning
SIR Caution for Zoning