GM Service Manual Online
For 1990-2009 cars only
Makes
🢒
Generic
🢒
2006
🢒
Unit Repair
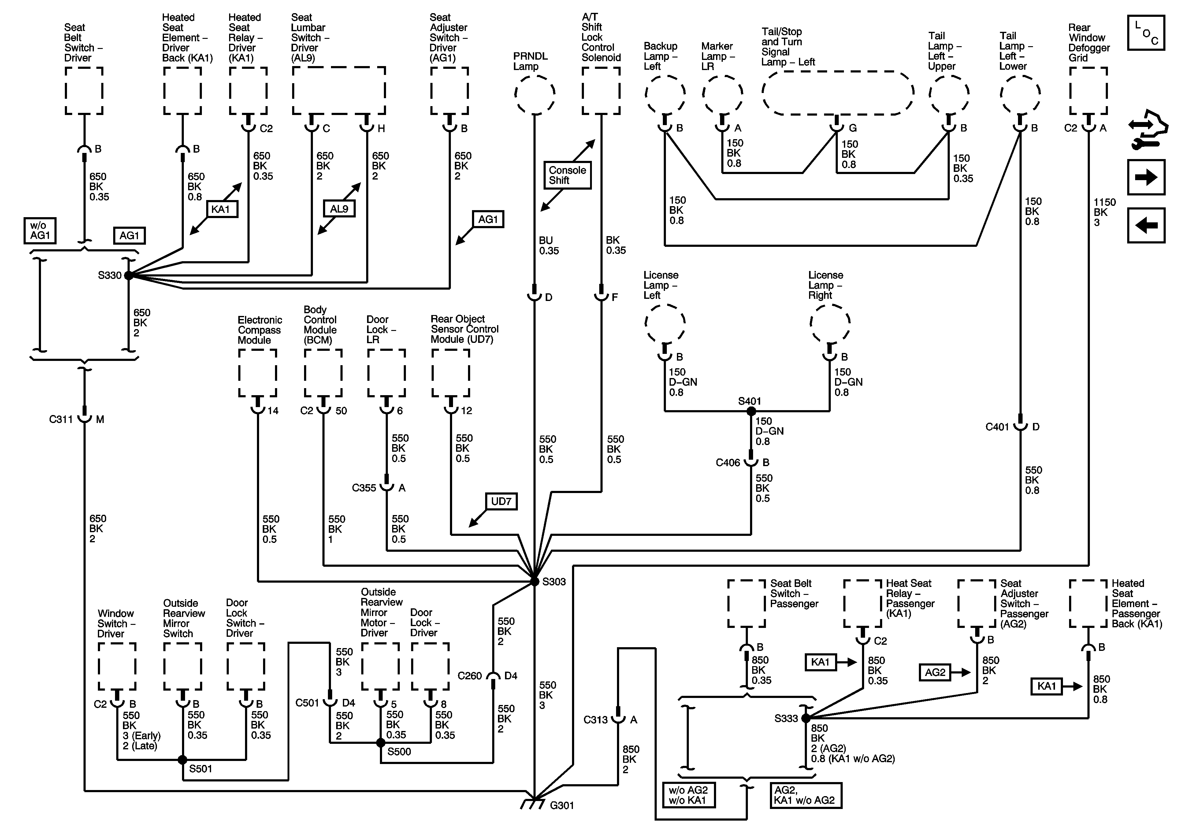
🢒 G301
G301
G301
Master Electrical Component List
Control Module References
G302
G202