GM Service Manual Online
For 1990-2009 cars only
Makes
🢒
Generic
🢒
2006
🢒
Unit Repair
🢒 AIR Controls (NU3)
AIR Controls (NU3)
AIR Controls (NU3)
Master Electrical Component List
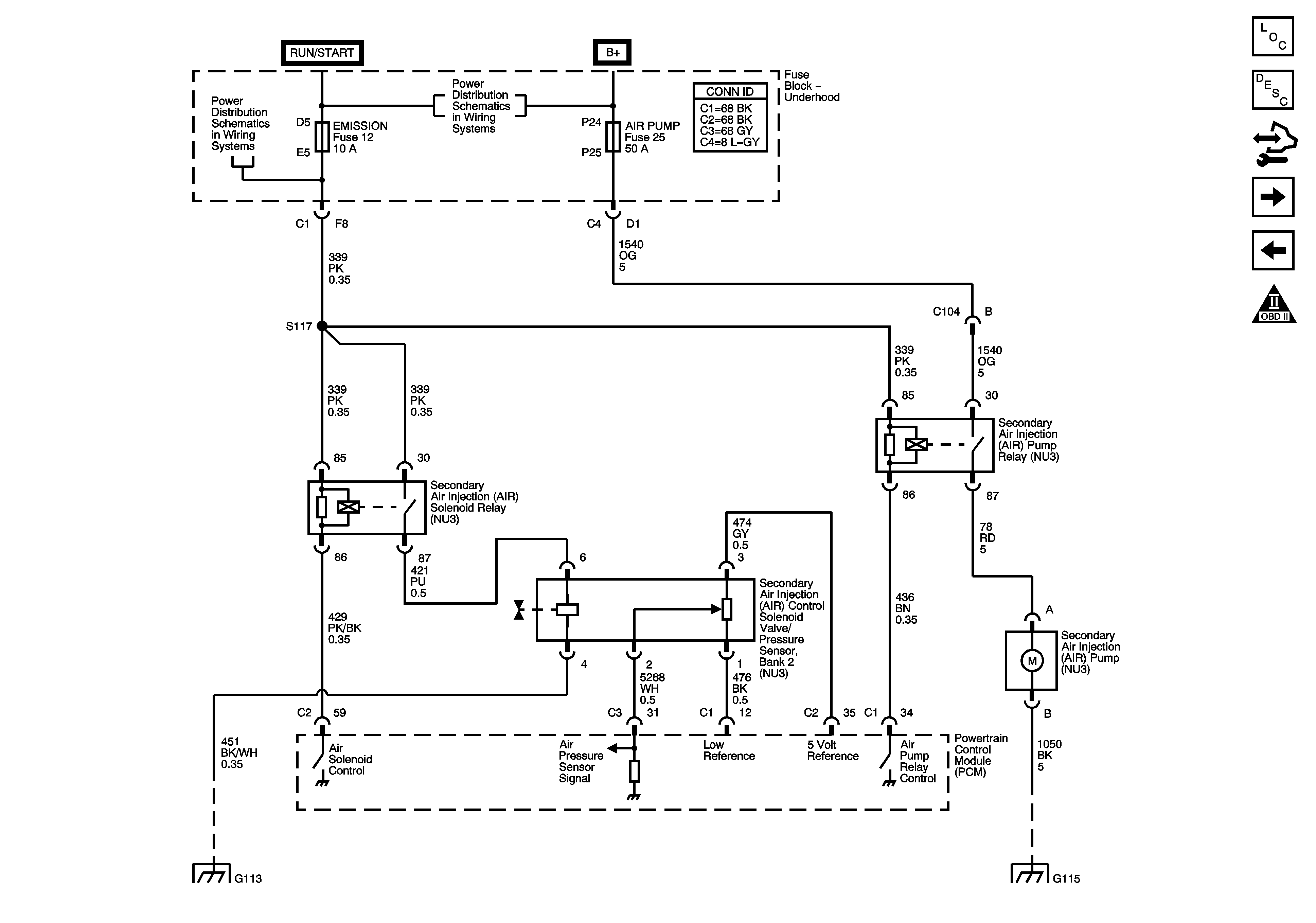
Secondary Air Injection System Description
Control Module References
Controlled/Monitored Subsystem References
EVAP, EGR, and FTP Controls
OBD II Symbol Description Notice
Fuse Block - Underhood ETC, ELEK IGN (L26), FUEL INJ (L26), 02 SSR (L26), and EMISSION Fuses
Fuse Block - Underhood B+ Bus
G101, G102, G103, G111, G112, and G113
G115 (L26)