GM Service Manual Online
For 1990-2009 cars only
Makes
🢒
Generic
🢒
2006
🢒
Unit Repair
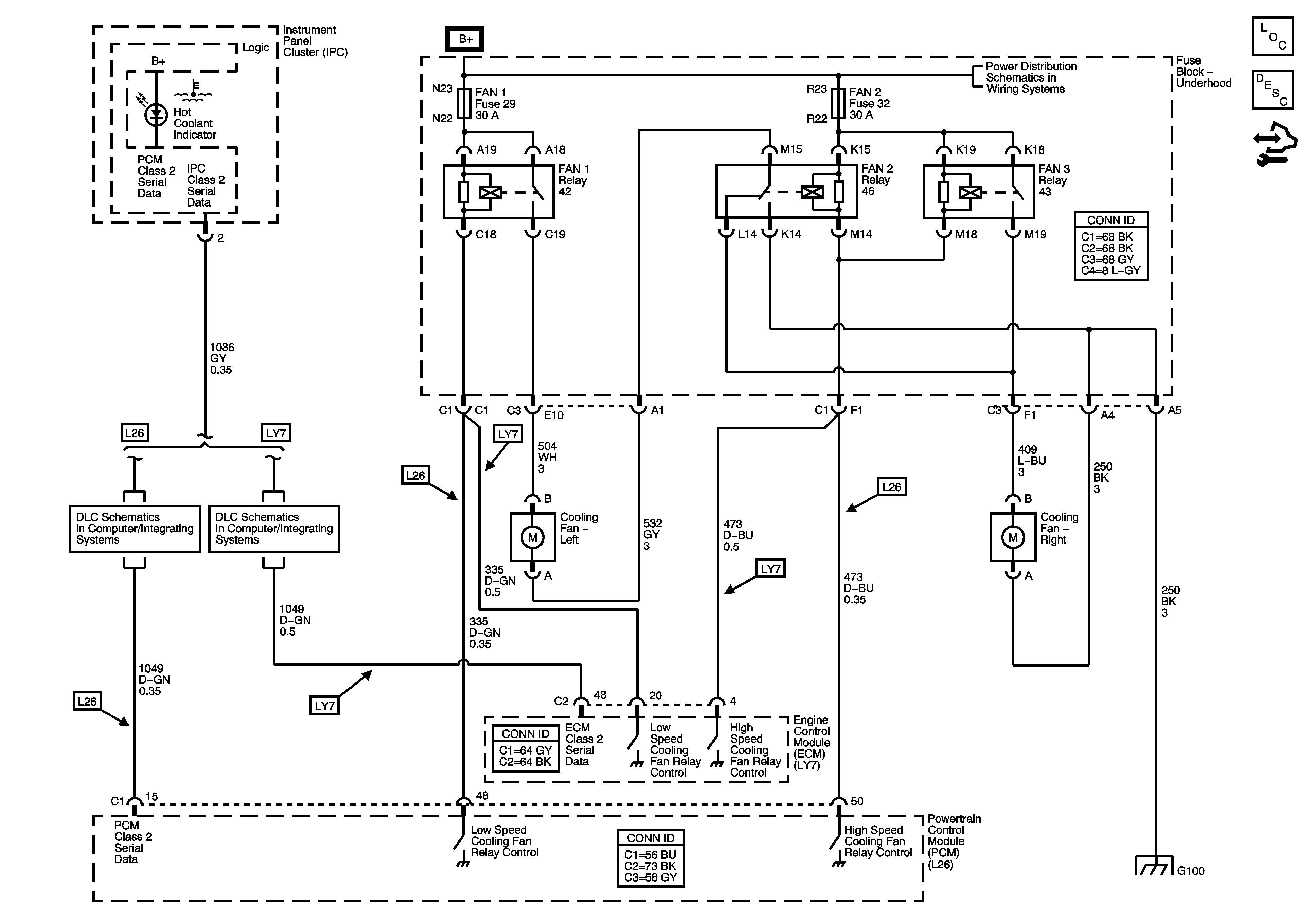
🢒 Engine Cooling Schematics
Engine Cooling Schematics
Master Electrical Component List
Cooling System Description and Operation
Control Module References
Fuse Block - Underhood B+ Bus
L26
LY7
G100