GM Service Manual Online
For 1990-2009 cars only
Makes
🢒
Generic
🢒
2006
🢒
Unit Repair
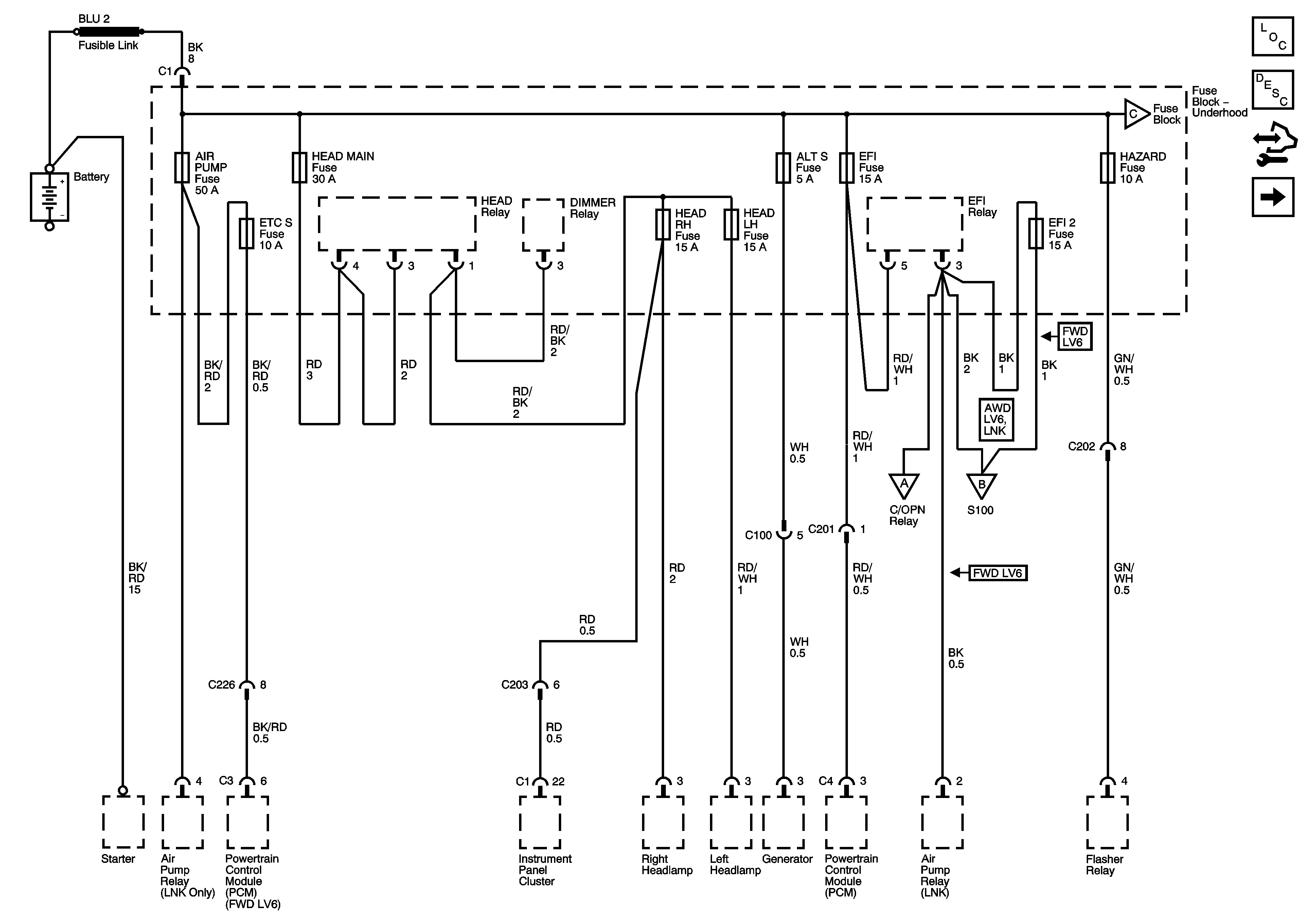
🢒 Air Pump, ETCS, Head, Alt S, EFI, EFI 2, Hazard Fuses
Air Pump, ETCS, Head, Alt S, EFI, EFI 2, Hazard Fuses
Air Pump, ETCS, Head, Alt S, EFI, Hazard, EFI 2 Fuses
Master Electrical Component List
Control Module References
S100