GM Service Manual Online
For 1990-2009 cars only
Makes
🢒
Generic
🢒
2006
🢒
Unit Repair
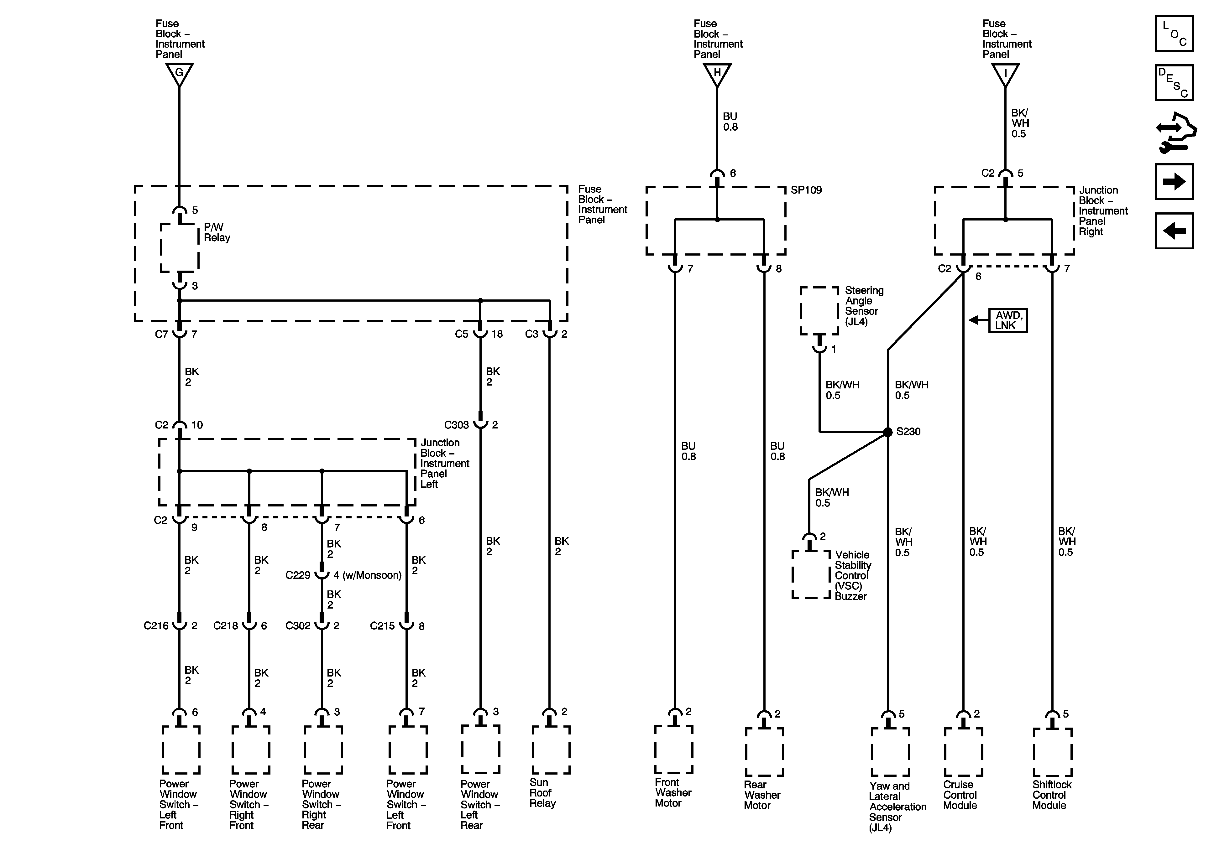
🢒 P/W Relay, SP109
P/W Relay, SP109
P/W Relay, SP109, S230
Master Electrical Component List
Control Module References
Junction Block - Instrument Panel Right
Wash, RR Wip, Wiper, ECU-IG, Gauge, Heater, DEF Fuses