GM Service Manual Online
For 1990-2009 cars only
Makes
🢒
Generic
🢒
2006
🢒
Unit Repair
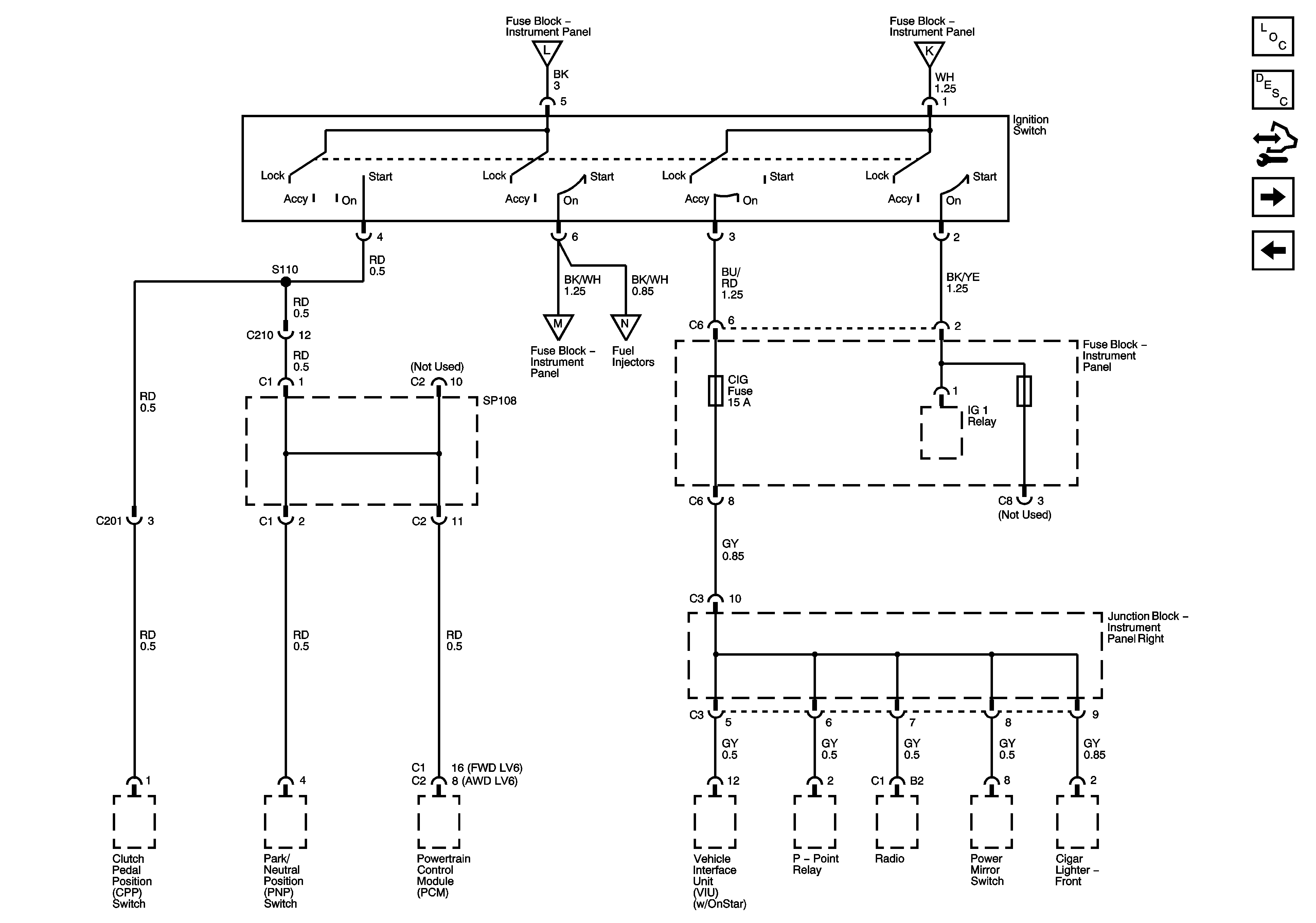
🢒 Ignition Switch (1 of 2)
Ignition Switch (1 of 2)
Ignition Switch 1 of 2
Master Electrical Component List
Control Module References
Ignition Switch (2 of 2)
Junction Block - Instrument Panel Right