GM Service Manual Online
For 1990-2009 cars only
Makes
🢒
Generic
🢒
2006
🢒
Unit Repair
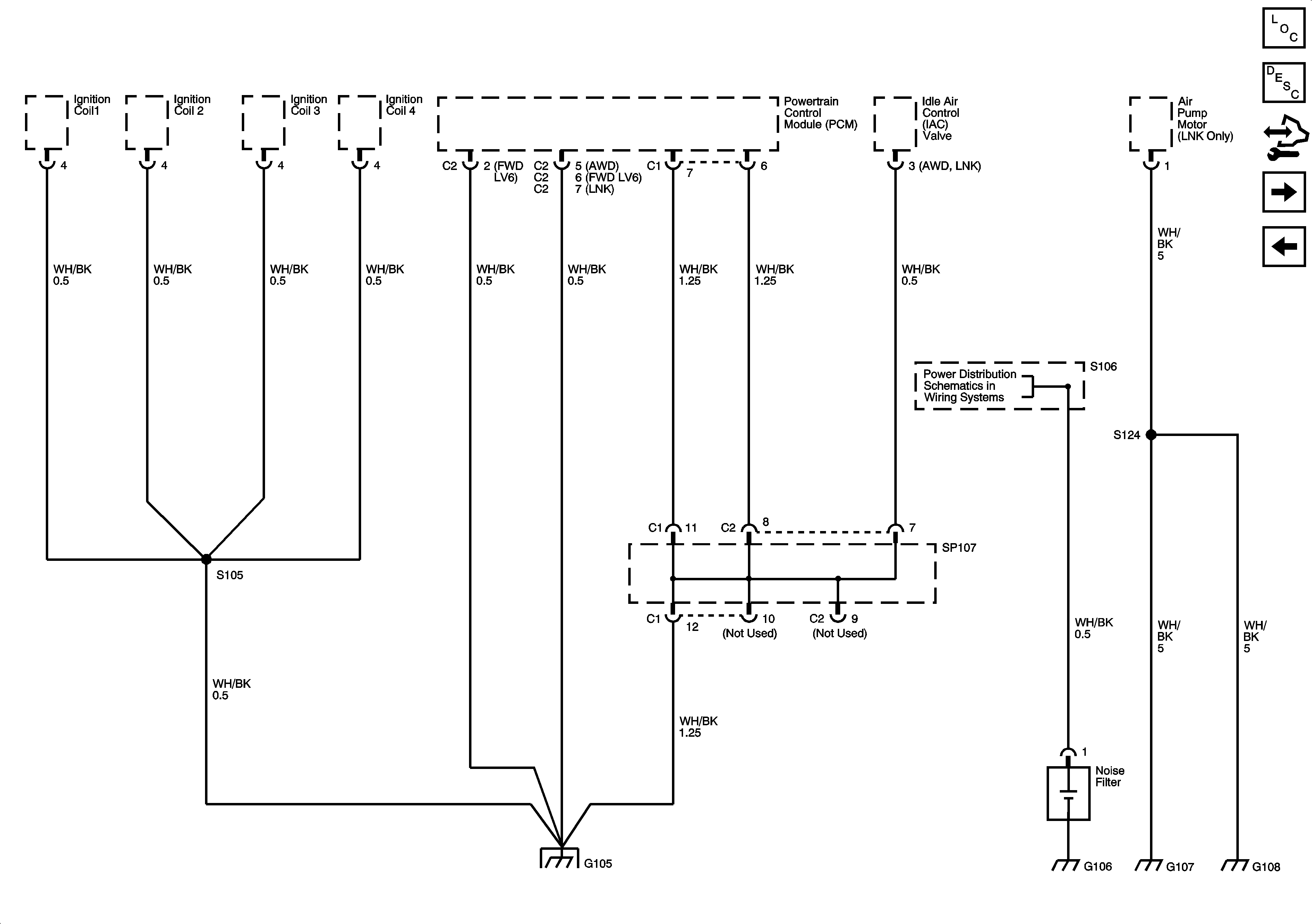
🢒 S105, SP107, G105, G106, G107, G108
S105, SP107, G105, G106, G107, G108
S105, G105, G106, G107, G108
Master Electrical Component List
Control Module References
SP201 and G201
SP107, SP108, G104
Ignition Switch (2 of 2)