GM Service Manual Online
For 1990-2009 cars only
Makes
🢒
Generic
🢒
2006
🢒
Unit Repair
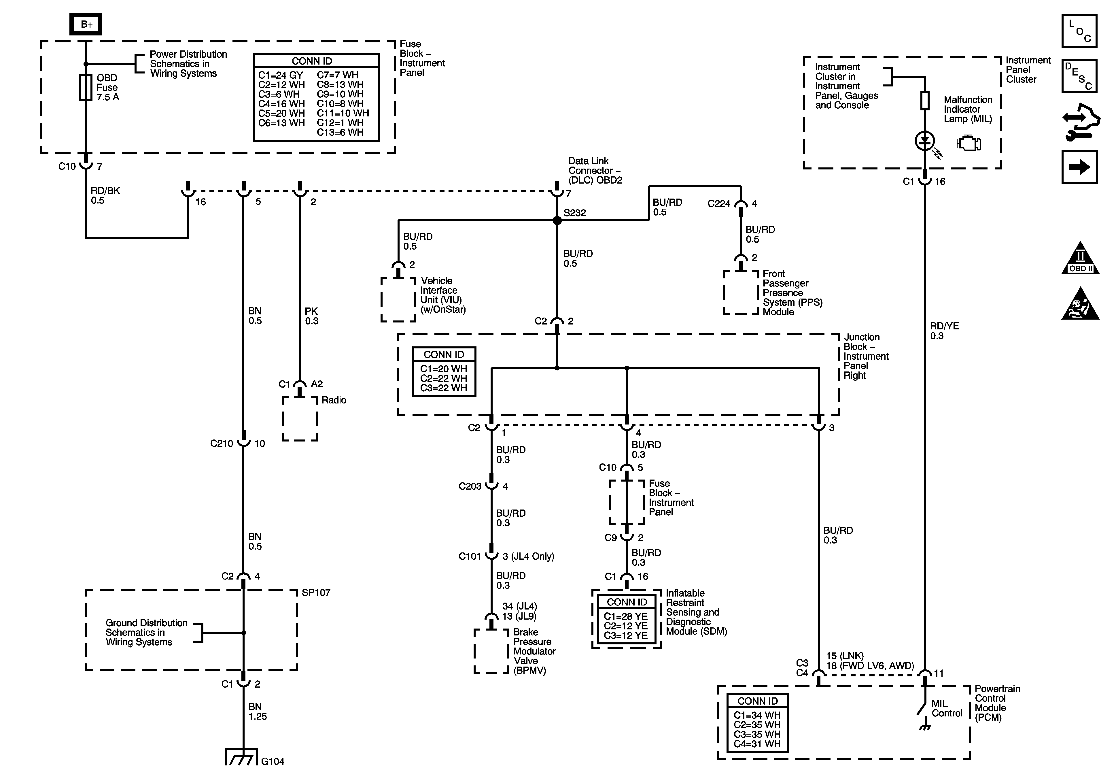
🢒 Data Link Connector - 1 of 3
Data Link Connector - 1 of 3
Data Link Connector - 1 of 3
Master Electrical Component List
Data Link Communications Description and Operation
Control Module References
Data Link Connector - 2 of 3
SIR Caution for Zoning
OBD II Symbol Description Notice
Power, AM 1, Door, Tail, P/Point, ECU-B, Stop, OBD, INV, Fuses
SP107, SP108, G104
SP107, SP108, G104
Charge, Air Bag, Malfunction, O/D OFF, Cruise Indicators