GM Service Manual Online
For 1990-2009 cars only
Makes
🢒
Generic
🢒
2006
🢒
Unit Repair
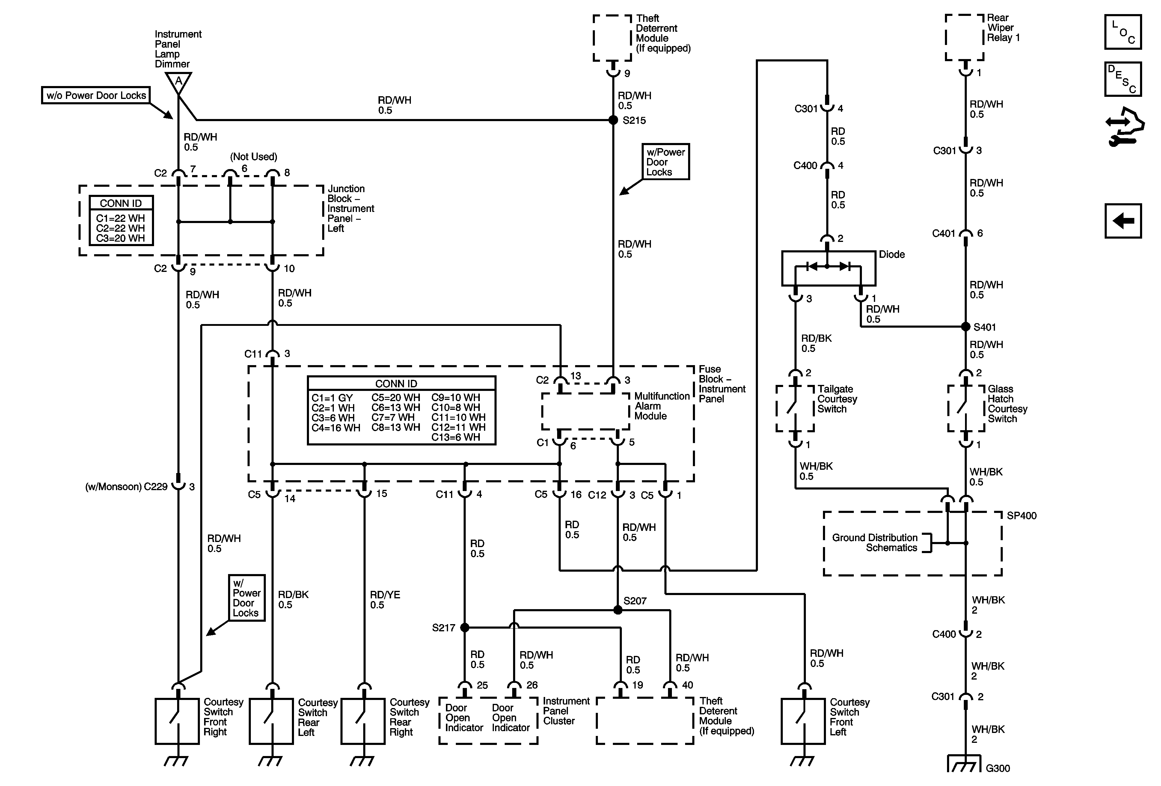
🢒 Dome/Courtesy Lamp Switches
Dome/Courtesy Lamp Switches
Dome/Courtesy Lamp Switches
Master Electrical Component List
Interior Lighting Systems Description and Operation
Control Module References
Dome/Courtesy Lamps
SP400
G202, G300, G301, G302