GM Service Manual Online
For 1990-2009 cars only
Makes
🢒
Generic
🢒
2006
🢒
Unit Repair
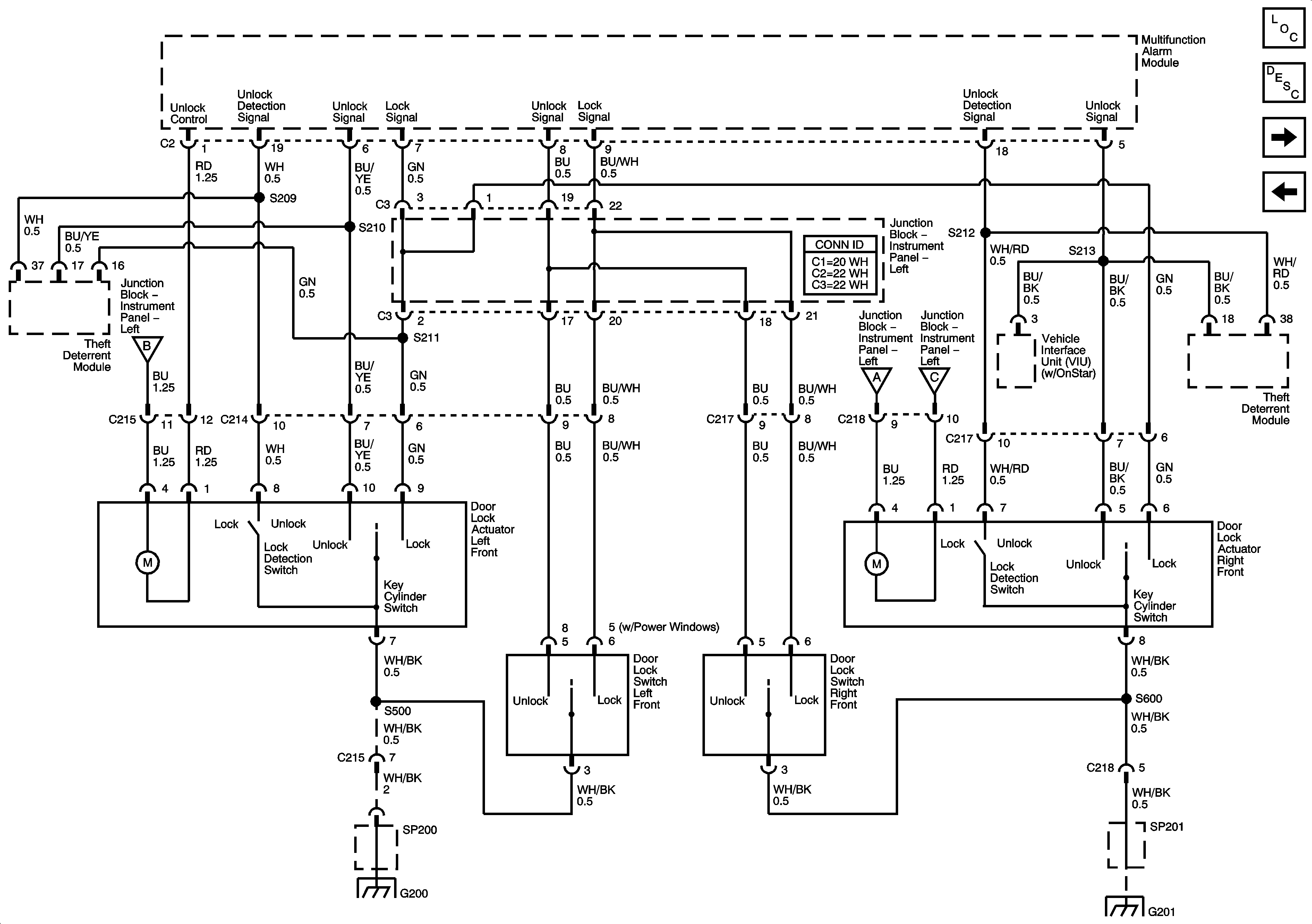
🢒 Multifunction Alarm Module, Rear Door Lock, Glass Hatch, Tailgate Actuators
Multifunction Alarm Module, Rear Door Lock, Glass Hatch, Tailgate Actuators
Multifunction Alarm Module, Rear Door Lock, Glass Hatch, Tailgate Actuators
Master Electrical Component List
Theft Systems Description and Operation
Control Module References
Park/Neutral Position Switch, Brake Pressure Modulator Valve (BPMV), Multifunction Alarm Module
Multifunction Alarm Module, Rear Door Lock, Glass Hatch and Tailgate Actuators
SP201 and G201
SP201 and G201