GM Service Manual Online
For 1990-2009 cars only
Makes
🢒
Generic
🢒
2006
🢒
Unit Repair
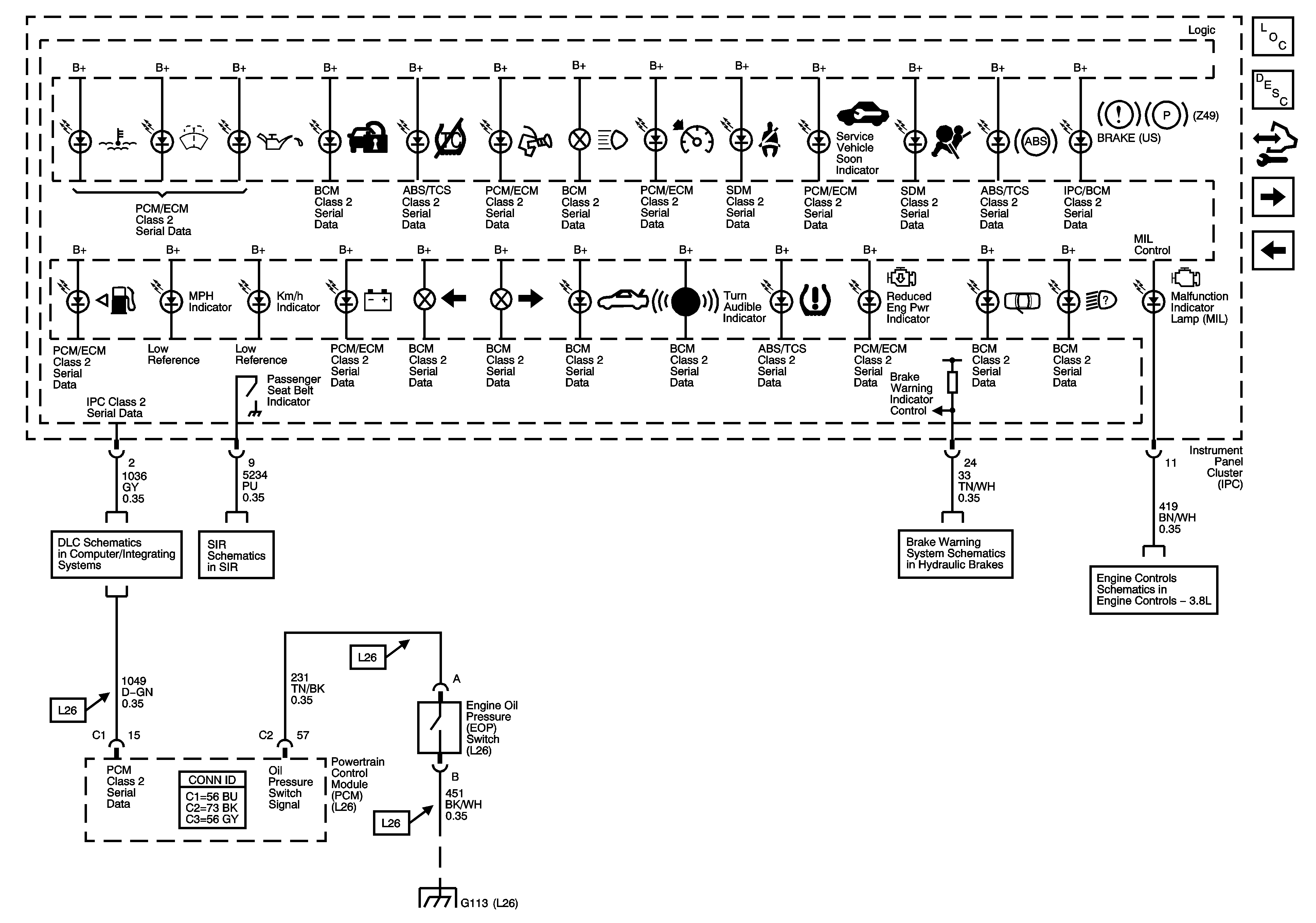
🢒 Indicators U2E
Indicators U2E
Indicators (U2E)
Master Electrical Component List
Instrument Cluster Description and Operation
Control Module References
Indicators UH8
Ambient Air Temperature Sensor, Electronic Compass
Data Link Connector (DLC) Schematics L26
Passenger Presence System
Brake Warning System Schematics
Module Power, Ground, Serial Data, and MIL
G101, G102, G103, G111, G112, and G113