GM Service Manual Online
For 1990-2009 cars only
Makes
🢒
Generic
🢒
2006
🢒
Unit Repair
🢒 Controls JL4
Controls JL4
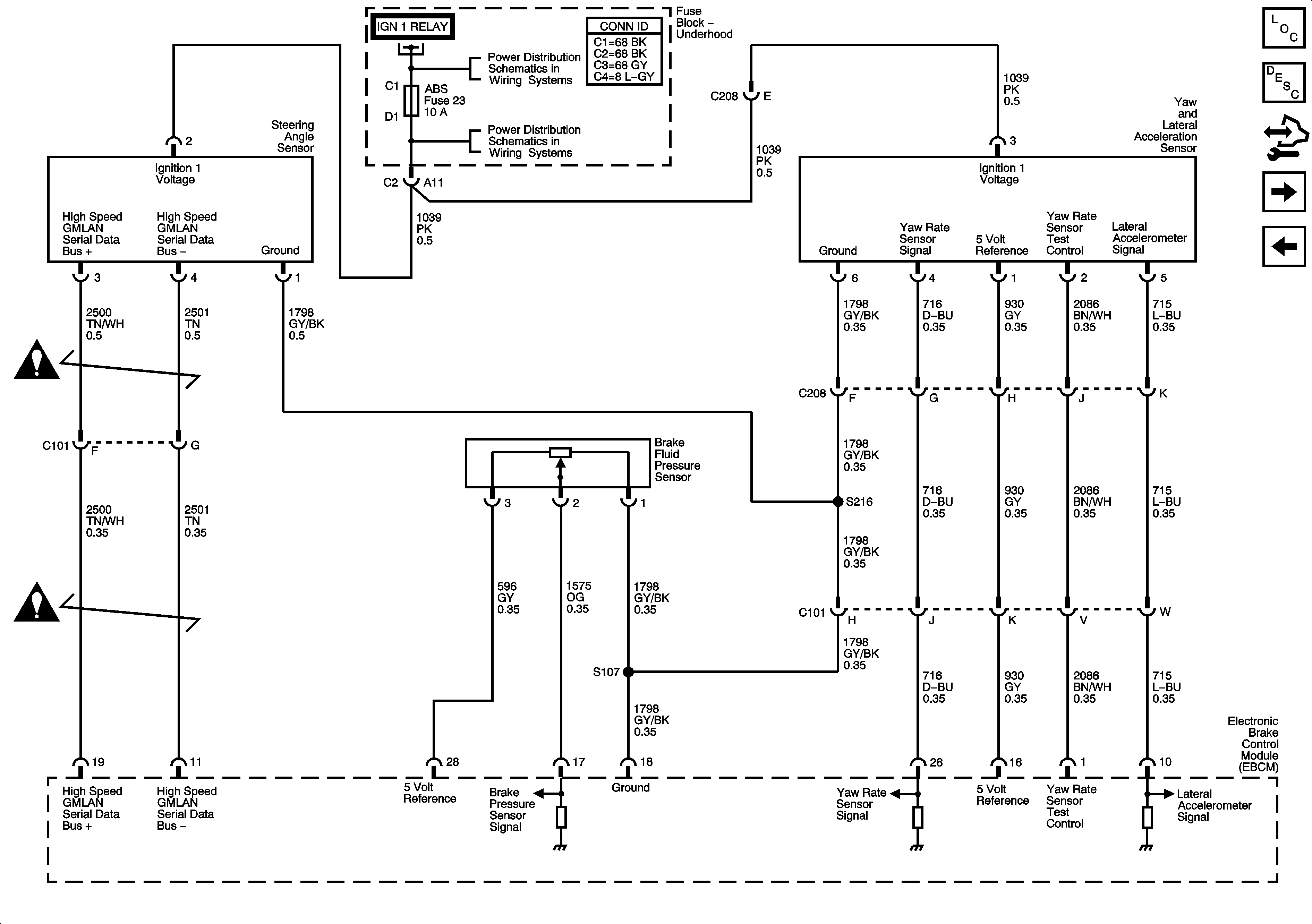
Active Brake and Stability Controls (JL4)
Master Electrical Component List
ABS Description and Operation
Control Module References
Wheel Speed Sensors
Data Active Brake and Stability
Fuse Block - Underhood B+ Bus
Fuse Block - Underhood B+ Bus
Fuse Block - Underhood ABS, TRANS SOL, PCM, SIR, and DISPLAY Fuses, CRANK Relay, and Fuse Block - I/P CRUISE SW Fuse
Antilock Brake System Schematic Icons
Antilock Brake System Schematic Icons