GM Service Manual Online
For 1990-2009 cars only
Makes
🢒
Generic
🢒
2006
🢒
Unit Repair
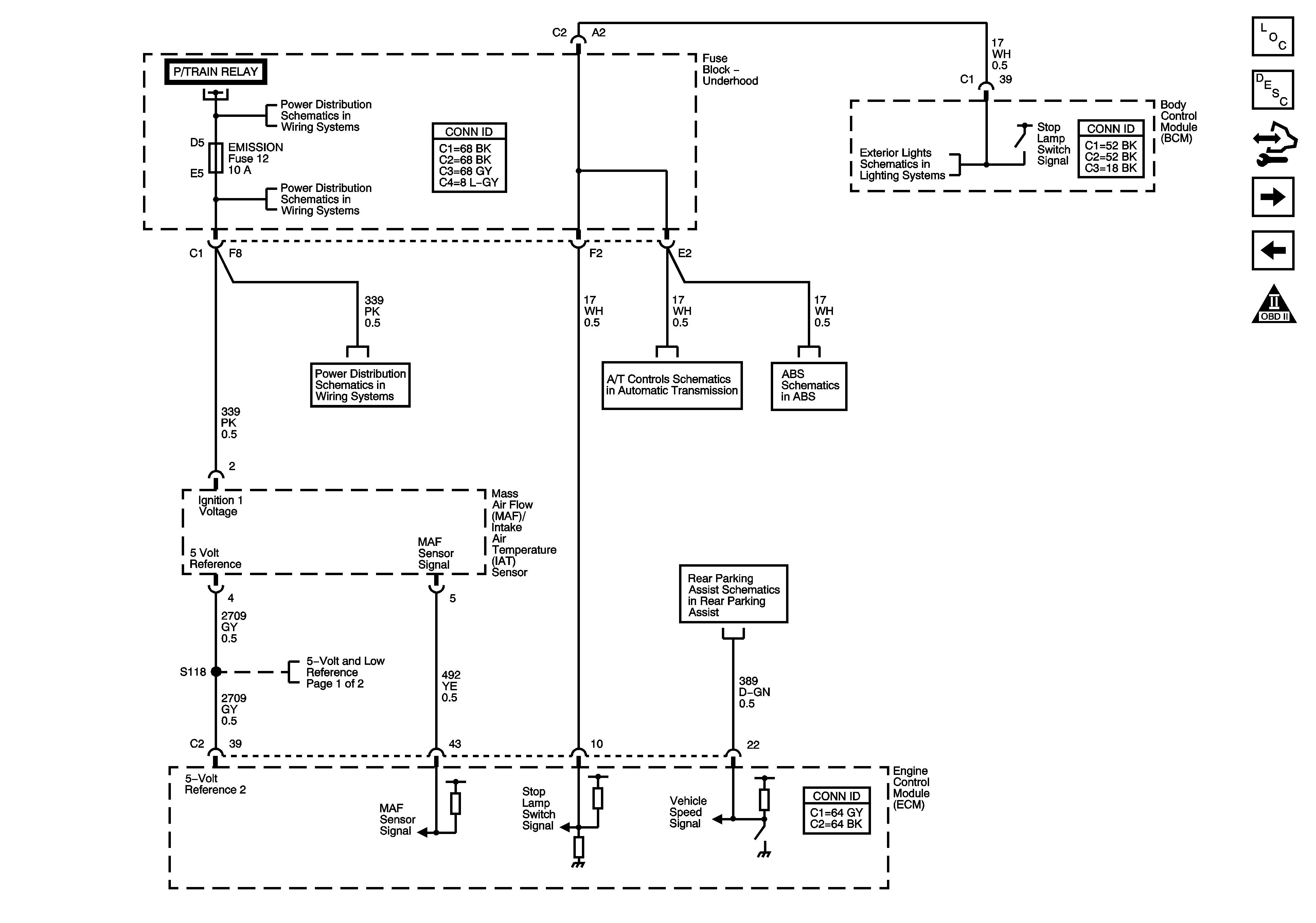
🢒 MAF, VSS and Stop Lamp Switch
MAF, VSS and Stop Lamp Switch
MAF, VSS and Stop Lamp Switch
Master Electrical Component List
Engine Control Module Description
Control Module References
Oxygen Sensors
Pressure and Temperature Sensors
Engine Controls Schematic Icons
Fuse Block - Underhood B+ Bus
Fuse Block - Underhood B+ Bus
Fuse Block - Underhood ETC, ELEK IGN (L26), FUEL INJ (L26), 02 SSR (L26), and EMISSION Fuses
Fuse Block - Underhood ETC, ELEK IGN (L26), FUEL INJ (L26), 02 SSR (L26), and EMISSION Fuses
Shift and TCC Solenoid Valves, TFT Sensor, and Stop Lamp Switch (LY7)
Data Active Brake and Stability
Object Detection Schematics
5 Volt and Low Reference Page 2 of 2