GM Service Manual Online
For 1990-2009 cars only
Makes
🢒
Generic
🢒
2006
🢒
Unit Repair
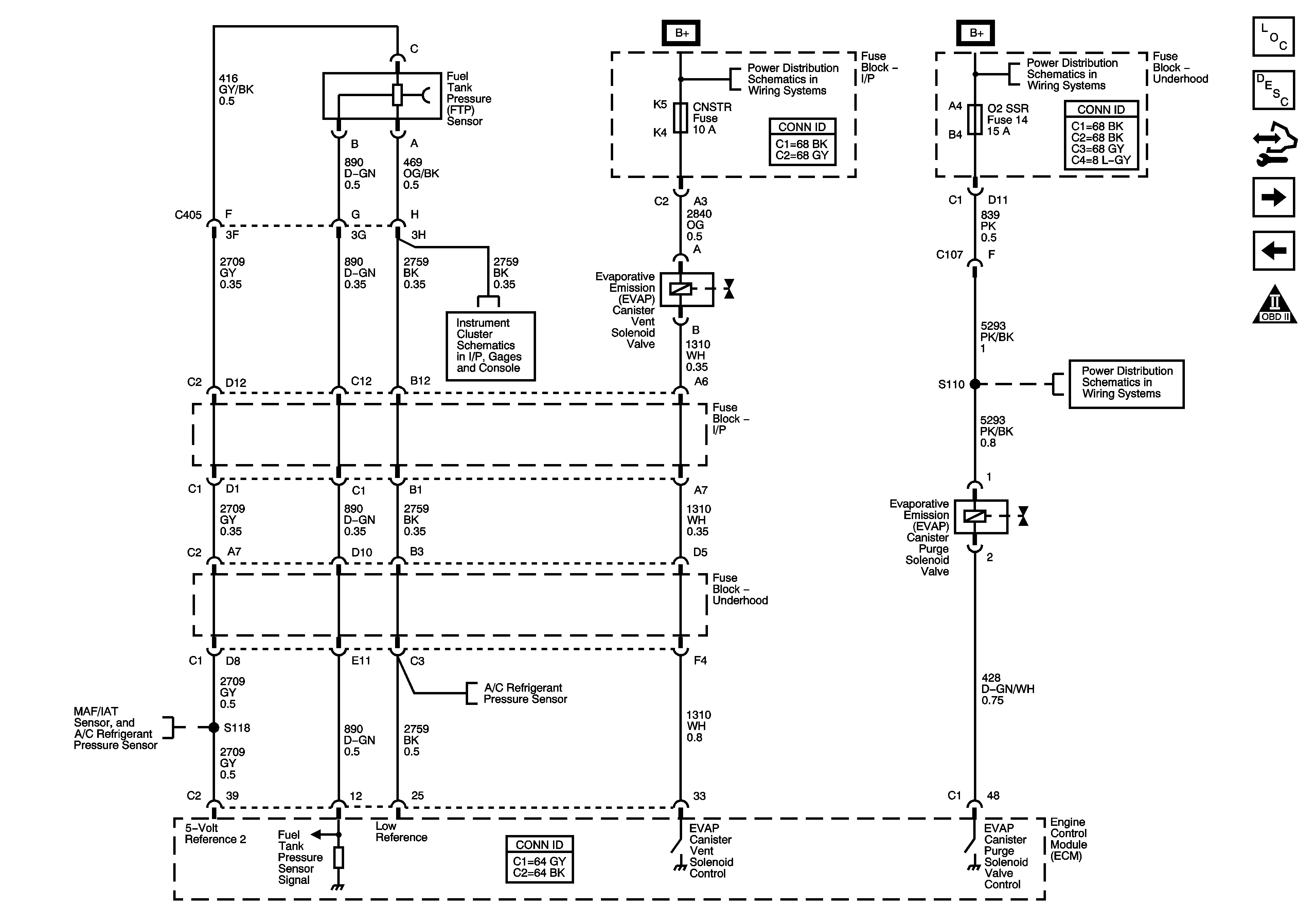
🢒 EVAP Controls
EVAP Controls
EVAP Controls
Master Electrical Component List
Fuel System Description
Control Module References
Module References
Fuel Controls - Fuel Pump and Injectors
Engine Controls Schematic Icons
Fuse Block - Underhood BATT MAIN 1 Fuse, Fuse Block - I/P PK LAMPS, DISPLAYS, CHMSL/BKUP, INT LIGHT, RFA/MOD, RADIO/AMP, ONSTAR/ALDL, HVAC, and CANISTER Fuses and PK LP Relay
Fuse Block - Underhood B+ Bus
Power, Ground, Serial Data, and Gages LY7
Fuse Block - Underhood ELEK IGN, FUEL INJ, and 02 SSR Fuses (LY7)
5 Volt and Low Reference page 1 of 2
5 Volt and Low Reference page 1 of 2