GM Service Manual Online
For 1990-2009 cars only
Makes
🢒
Generic
🢒
2006
🢒
Unit Repair
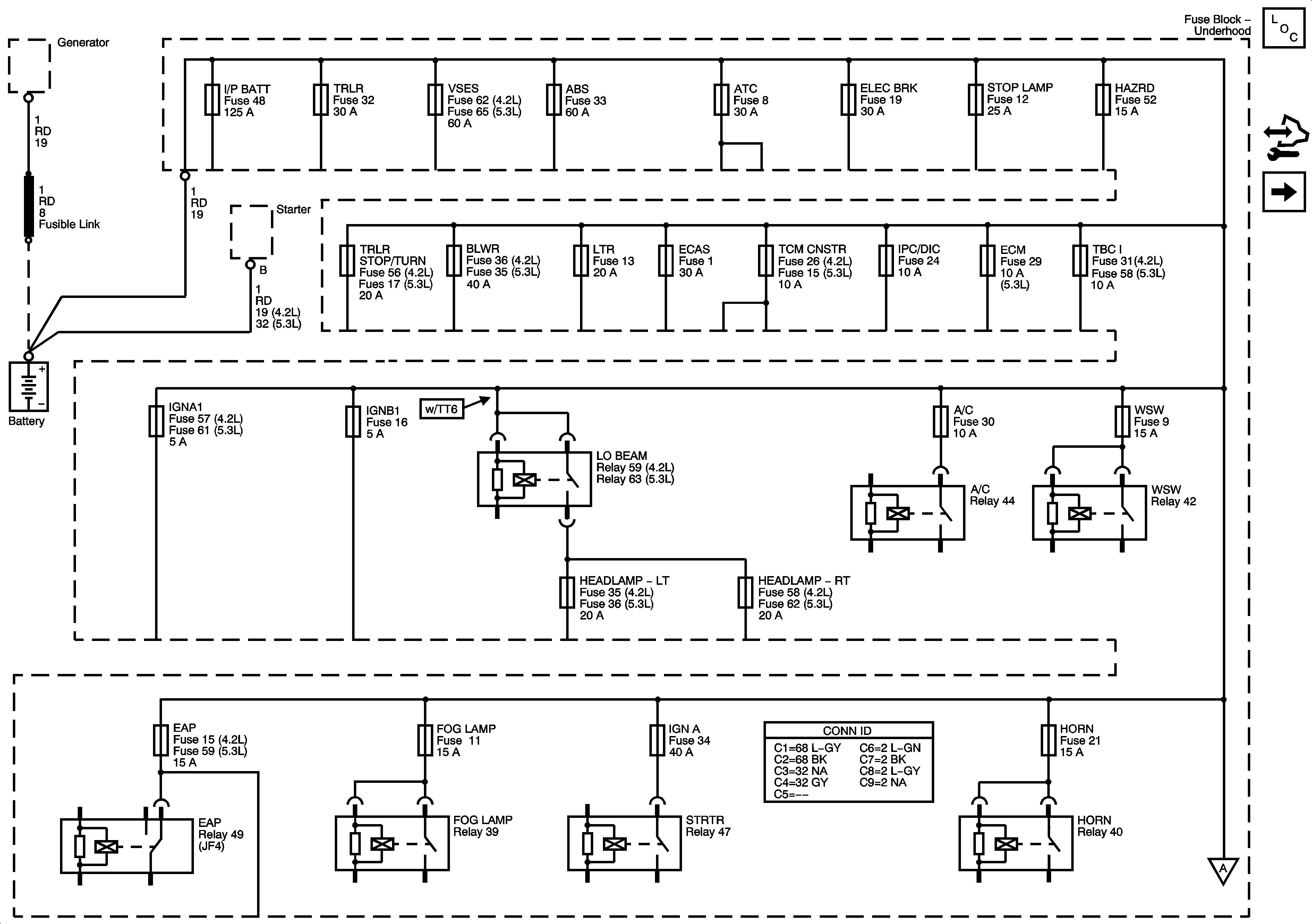
🢒 B+ Bus - Underhood Fuse Block - 1 of 2
B+ Bus - Underhood Fuse Block - 1 of 2
B+ Bus - Underhood Fuse Block - 1 of 2
Master Electrical Component List
Control Module References
B+ Bus - Underhood Fuse Block - 2 of 2
B+ Bus - Underhood Fuse Block - 2 of 2