GM Service Manual Online
For 1990-2009 cars only
Makes
🢒
Generic
🢒
2006
🢒
Unit Repair
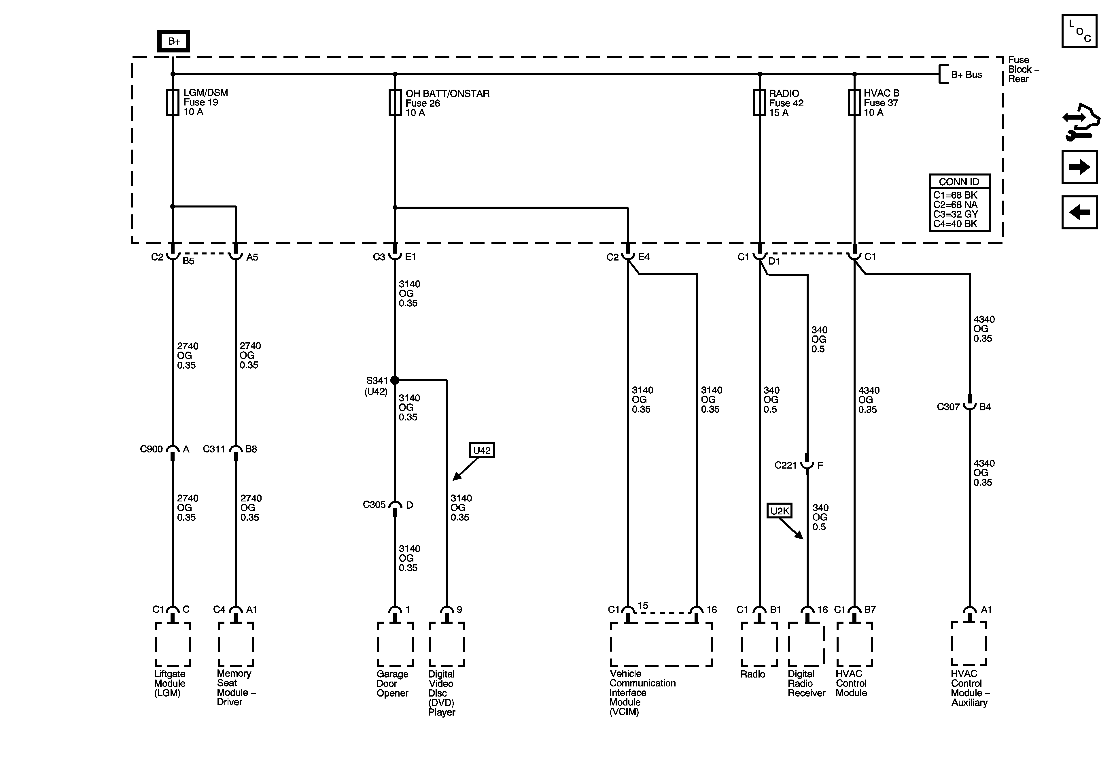
🢒 HVAC B, LGM/DSM, OH BATT/ONSTAR, and RADIO Fuses
HVAC B, LGM/DSM, OH BATT/ONSTAR, and RADIO Fuses
HVAC B, LGM/DSM, OH BATT/ONSTAR, and RADIO Fuses
Master Electrical Component List
Control Module References
AUX PWR 1, S/ROOF, TBC 2, TBC 3, TBC 4, and TBC 5 Fuses
EAP, ECM, PCMB, TBC I, and TCM CNSTR Fuses
B+ Bus - Rear Fuse Block