GM Service Manual Online
For 1990-2009 cars only
Makes
🢒
Generic
🢒
2006
🢒
Unit Repair
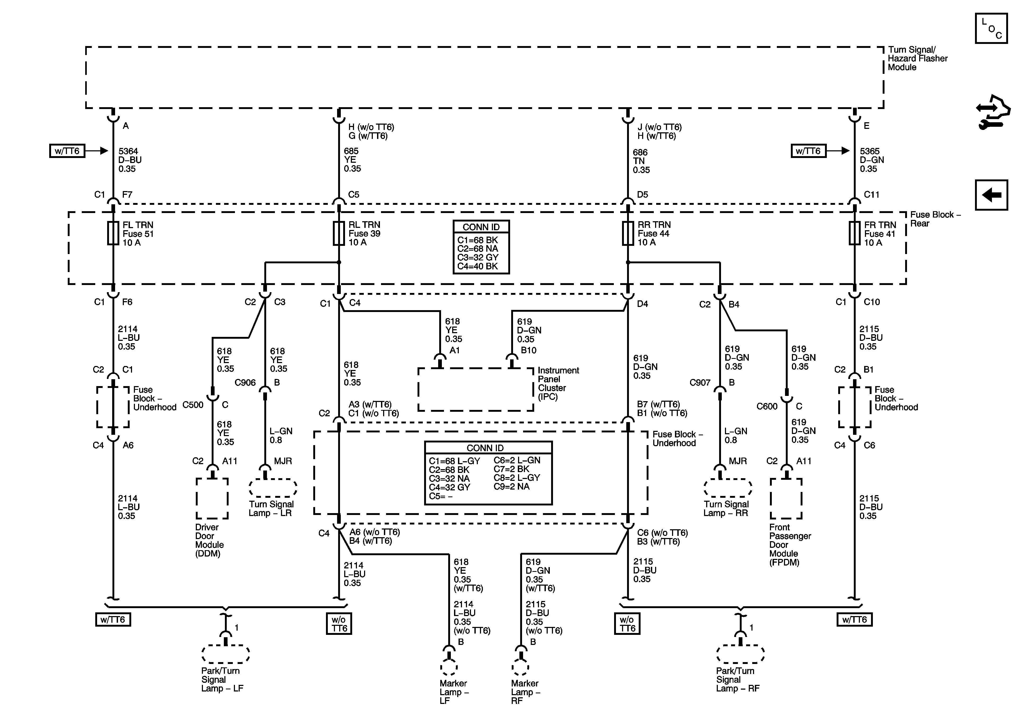
🢒 FL TRN, FR TRN, RL TRN,and RR TRN Fuses
FL TRN, FR TRN, RL TRN,and RR TRN Fuses
FL TRN, FR TRN, RL TRN, and RR TRN Fuses
Master Electrical Component List
Control Module References
COILS,HDM, HEADLAMP-LT, HEADLAMP-RT, HI HEADLAMP-LT, HI HEADLAMP-RT, IGN COILS, LO HEADLAMP-LT, LO HEADLAMP-RT, TRLR LT TRN, TRLR RT TRN, AND TRLR STOP/TURN Fuses