GM Service Manual Online
For 1990-2009 cars only
Makes
🢒
Generic
🢒
2006
🢒
Unit Repair
🢒 LY7
LY7
LY7
Master Electrical Component List
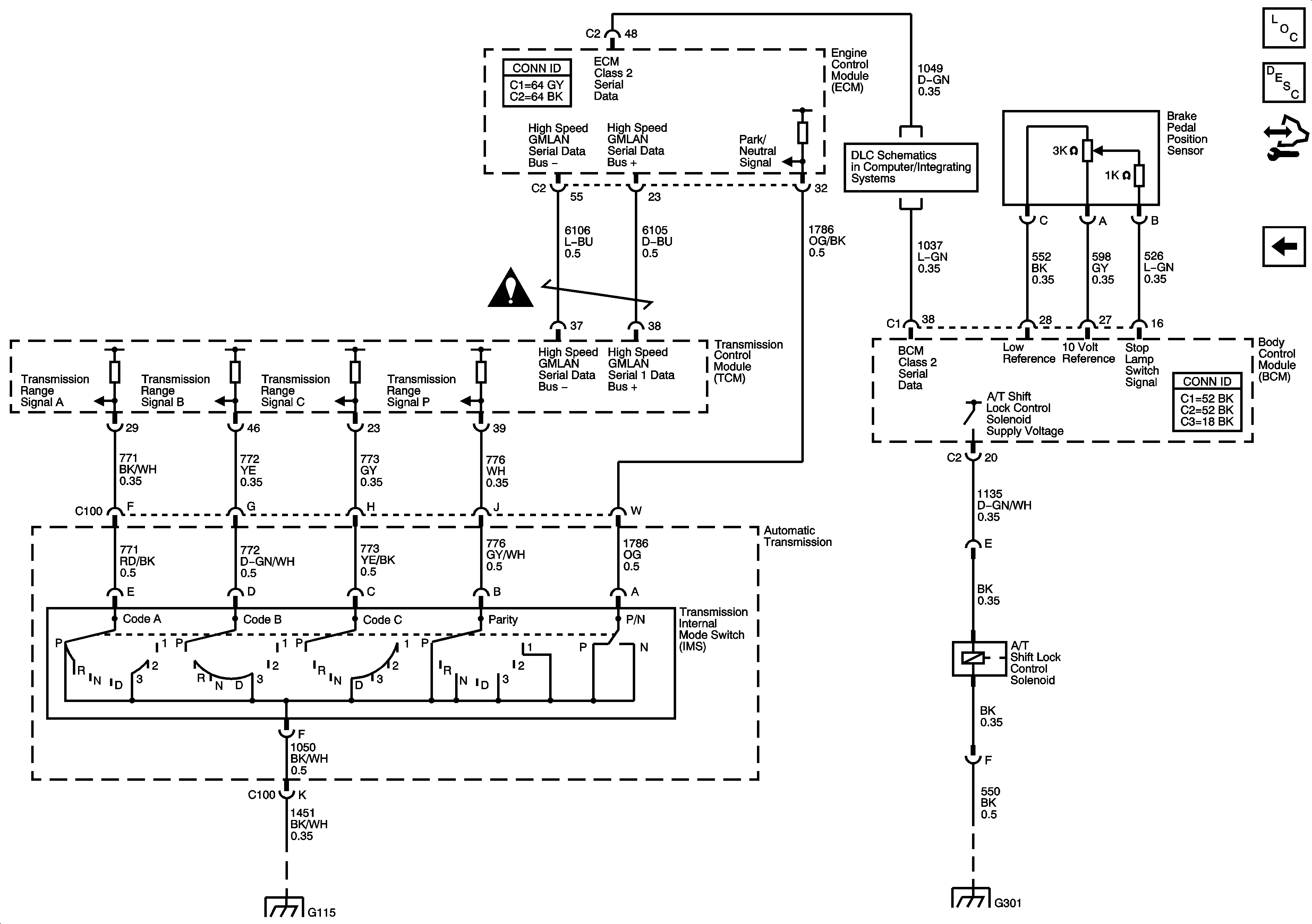
Automatic Transmission Shift Lock Control Description and Operation
Control Module References
L26
Data Link Connector (DLC) Schematics LY7
Shift Lock Control Schematic Icons
G115 (LY7)
G301