GM Service Manual Online
For 1990-2009 cars only

DTC P0850 3.6L


Object Number: 1552118  Size: LF
Master Electrical Component List
Automatic Transmission Controls Schematics
OBD II Symbol Description Notice
Control Module References

Circuit Description

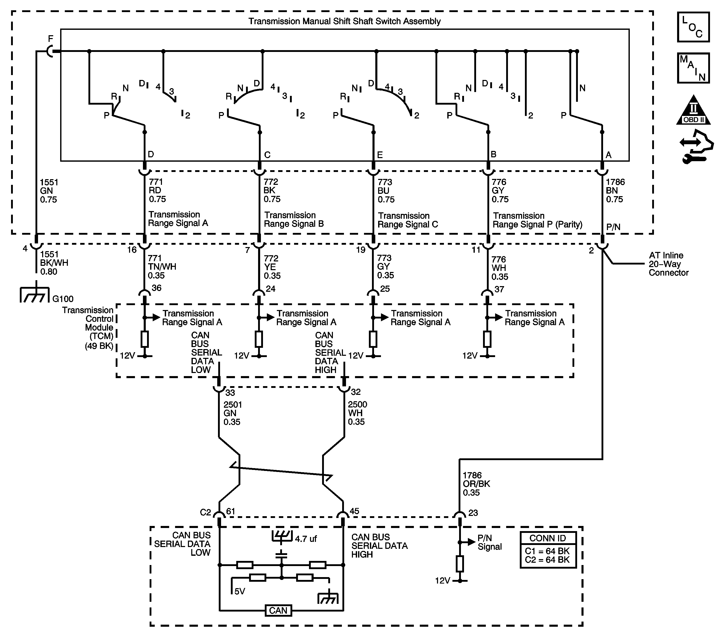
The engine control module (ECM) provides 12 volts to the Park/Neutral switch of the manual shift shaft position switch. The manual shift shaft position switch is a sliding contact assembly that attaches to the manual shift shaft inside the transmission. The switch consists of five separate circuits, four of which indicate gear selector position to the transmission control module (TCM), and one that indicates Park/Neutral position to the ECM. When the transmission is in Park or Neutral, the switch closes and pulls the ECM voltage low, 0 volts. When the transmission is not in Park or Neutral, the ECM voltage is high, 12 volts. The ECM uses the switch in order to enable starter operation.

If the Park/Neutral switch and the transmission manual shift shaft position switch do not agree for a specified length of time, DTC P0850 sets. DTC P0850 is a type C DTC.

DTC Descriptor

This diagnostic procedure supports the following DTC:

DTC P0850 Park/Neutral Position (PNP) Switch Circuit

Conditions for Running the DTC

The ignition is ON.

Conditions for Setting the DTC

DTC P0850 sets when either of the following conditions are true:

Condition 1

The Park/Neutral switch circuit is low, 0 volts, for 100 seconds while the TCM is reporting the gear selector is in Reverse or any forward range.

Condition 2

The Park/Neutral switch circuit is high, 12 volts, for 200 seconds while the TCM is reporting the gear selector is in Park or Neutral.

Action Taken When the DTC Sets

    • The ECM does not illuminate the malfunction indicator lamp (MIL).
    • The ECM uses the transmission range data to enable engine cranking.
    • The ECM stores the operating conditions when the Conditions for Setting the DTC are met. This information is stored as a Failure Record.
    • The ECM stores DTC P0850 in ECM history.

Conditions for Clearing the MIL/DTC

    • The ECM clears the DTC from ECM history if the vehicle completes 40 warm-up cycles without a non emission diagnostic fault occurring.
    • The ECM cancels the default action when the ignition is OFF long enough in order to power down the ECM.
    • A scan tool can clear the DTC.

Step

Action

Value(s)

Yes

No

1

Did you perform the Diagnostic System Check - Vehicle?

--

Go to Step 2

Go to Diagnostic System Check - Vehicle

2

  1. Install a scan tool.
  2. Turn ON the ignition with the engine OFF.
  3. Important: 

       • Record the Failure Records before clearing the DTCs. Using the Clear Info function erases the Failure Records.
       • Using the Clear Info function erases stored DTCs in both the ECM and TCM.

  4. Record the DTC Failure Records.
  5. Clear the DTC.
  6. Did you record TCM Failure Records for DTC P1820, P1822, P1823, P1825 or P1826?

--

Go to Diagnostic Trouble Code (DTC) List/Type

Go to Step 3

3

  1. Turn ON the ignition with the engine OFF.
  2. Select Engine Data 2 on the scan tool.
  3. Monitor the PNP Switch display on the scan tool.
  4. Shift the transmission to PARK.

Does the PNP Switch display Park/Neutral?

--

Go to Step 4

Go to Step 8

4

Shift the transmission from Park to Drive.

Does the PNP Switch display "In Gear"?

--

Go to Testing for Intermittent Conditions and Poor Connections

Go to Step 5

5

Disconnect the automatic transmission inline 20-way connector.

Does the PNP Switch display Park/Neutral?

--

Go to Step 6

Go to Step 7

6

Test the PNP Switch signal circuit for a short to ground between the automatic transmission inline 20-way connector and manual shift shaft position switch. Refer to Testing for Short to Ground .

Did you find the condition?

--

Go to Step 11

Go to Step 12

7

Test the PNP Switch signal circuit for a short to ground between the automatic transmission inline 20-way connector and the ECM. Refer to Testing for Short to Ground .

Did you find and correct the condition?

--

Go to Step 14

Go to Step 13

8

  1. Disconnect the automatic transmission inline 20-way connector.
  2. Connect the J 45681 jumper harness to the vehicle harness.
  3. Connect a fused jumper from the PNP switch signal circuit to ground.
  4. Monitor the PNP Switch display.

Does the PNP Switch display Park/Neutral?

--

Go to Step 10

Go to Step 9

9

Test the PNP Switch signal circuit for an open between the automatic transmission inline 20-way connector and the ECM. Refer to Testing for Continuity .

Did you find and correct the condition?

--

Go to Step 14

Go to Step 13

10

Test the PNP Switch signal circuit for an open between the automatic transmission inline 20-way connector and the manual shift shaft position switch. Refer to Testing for Continuity .

Did you find the condition?

--

Go to Step 11

Go to Step 12

11

Replace the transmission internal wiring harness. Refer to Wiring Harness Replacement .

Is the action complete?

--

Go to Step 14

--

12

Replace the manual shaft shift position switch. Refer to Manual Shift Detent Lever with Shaft Position Switch Assembly Removal in Transmission Unit Repair Manual.

Is the action complete?

--

Go to Step 14

--

13

Replace the ECM.

Refer to Control Module References for replacement, setup and programming.

Is the action complete?

--

Go to Step 14

--

14

Perform the following procedure to verify the repair:

  1. Select DTC.
  2. Select Clear DTC Information.
  3. Turn OFF the ignition for at least 30 seconds.
  4. Start the engine.
  5. Select Specific DTC.
  6. Enter DTC P0850.

Has the test run and passed?

--

Go to Step 15

Go to Step 2

15

With the scan tool, observe the stored information, capture info and DTC info.

Does the scan tool display any DTCs that you have not diagnosed?

--

Go to Diagnostic Trouble Code (DTC) List - Vehicle

System OK