GM Service Manual Online
For 1990-2009 cars only

Tools Required

    • J 6125-1B Slide Hammer
    • J 41818 Crankshaft Bearing Cap Remover

    Object Number: 1402083  Size: SH

    Important: 

       • The crankshaft bearing caps are machined with the engine block, for the proper clearances. Mark or identify each crankshaft bearing cap location and direction before removal. The crankshaft bearing caps MUST be installed to their original position and direction.
       • Do not use the bearing cap M8 side bolts again.

  1. Remove the crankshaft position (CKP) sensor bolt (702).
  2. Remove the CKP sensor (701).
  3. Remove the O-ring (750) from the sensor, as required.

  4. Object Number: 1552494  Size: SH
  5. Remove the crankshaft bearing cap M8 bolts (127).
  6. Remove the bearing cap M10 bolts (129) and studs (128).
  7. Notice: Refer to Fastener Notice in the Preface section.


    Object Number: 1552495  Size: SH
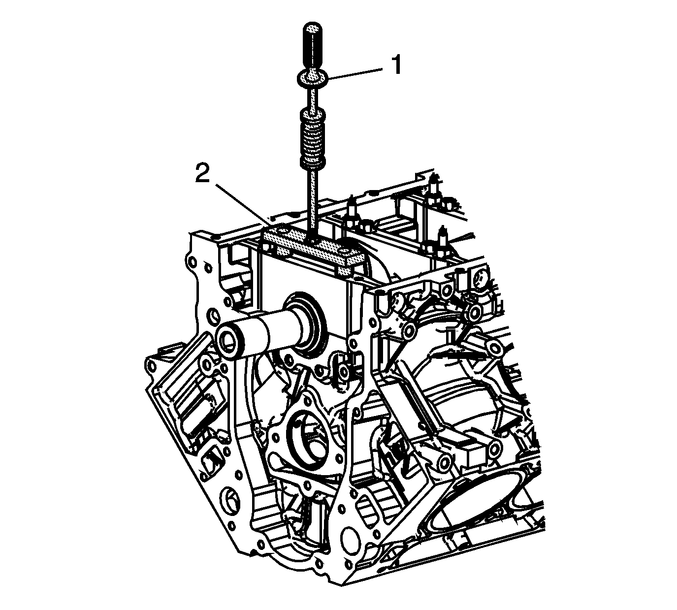
  8. Install the J 41818  (2).
  9. Tighten
    Tighten the J 41818  (2) bolts to 11 N·m (100 lb in).

  10. Install the J 6125-1B  (1) to the J 41818  (2) in order to remove the crankshaft bearing caps.

  11. Object Number: 156152  Size: SH
  12. Remove the bearing caps.

  13. Object Number: 156151  Size: SH
  14. Remove the crankshaft.

  15. Object Number: 156153  Size: SH

    Important: Use care when handling the crankshaft. Avoid damage to the CKP sensor reluctor ring teeth. Nicks, burrs or other damage to the teeth may affect on-board diagnostics (OBD) II system performance.

  16. Lay the crankshaft onto 2 wooden V-blocks or other protective surface.

  17. Object Number: 64293  Size: SH
  18. Remove the crankshaft bearings from the bearing caps and the engine block.
  19. Mark, sort, or organize the crankshaft bearings so they may be installed to their original position and location. Refer to Separating Parts .