GM Service Manual Online
For 1990-2009 cars only

Tools Required

    • EN 46330 Timing Belt Tensioner Retaining Pin
    • J 41478 Crankshaft Front Oil Seal Installer
    • J 41665 Crankshaft Balancer and Sprocket Installer
    • J 42386-A Flywheel Holding Tool
    • J 45059 Angle Meter

    Object Number: 156149  Size: SH
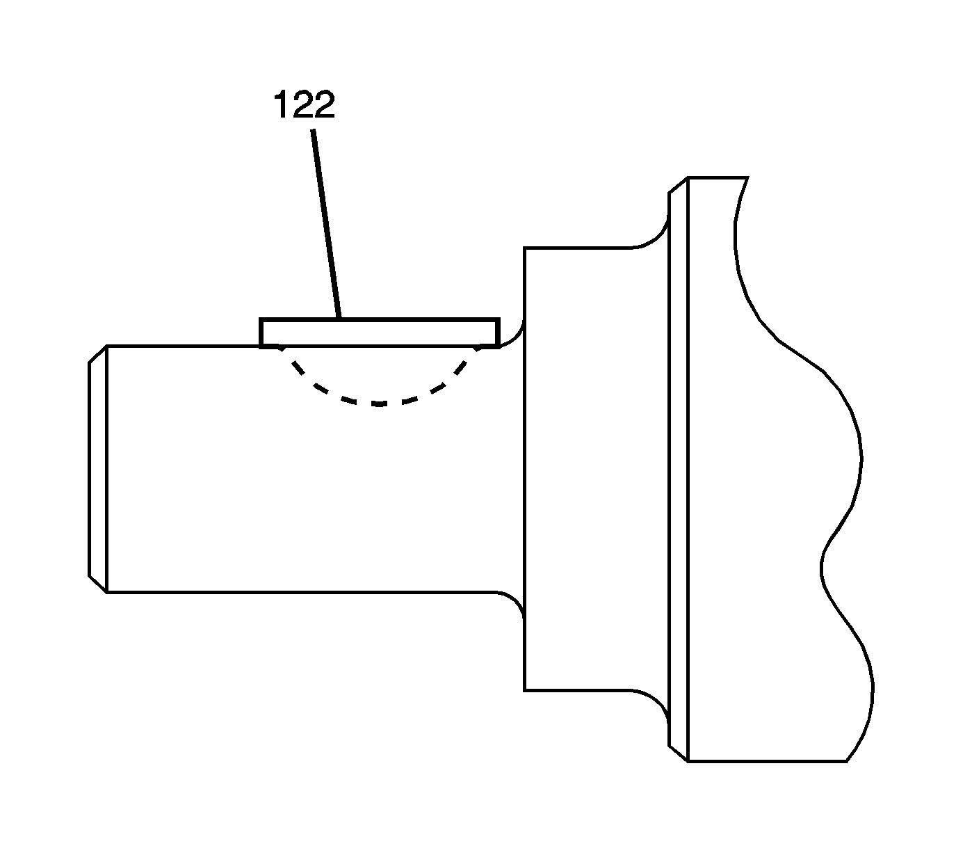
  1. Install the key into the crankshaft keyway, if previously removed.

  2. Object Number: 1272887  Size: SH
  3. Tap the key (122) into the keyway until both ends of the key bottom onto the crankshaft.

  4. Object Number: 1658182  Size: SH
  5. Install the crankshaft sprocket (207) onto the front of the crankshaft. Align the crankshaft key with the crankshaft sprocket keyway.

  6. Object Number: 1658237  Size: SH
  7. Use the J 41478  (1) and the J 41665  (2) in order to install the crankshaft sprocket.
  8. Install the sprocket onto the crankshaft until fully seated against the crankshaft flange.

  9. Rotate the crankshaft sprocket until the alignment mark is in the 12 o'clock position.

  10. Object Number: 1658249  Size: SH
  11. Compress the timing chain tensioner guide and install the EN 46330 .
  12. Notice: Refer to Fastener Notice in the Preface section.


    Object Number: 1658251  Size: SH
  13. Install the timing chain tensioner (232) and bolts (231).
  14. Tighten
    Tighten the timing chain tensioner bolts to 25 N·m (18 lb ft).


    Object Number: 1658265  Size: SH

    Important: 

       • The sprocket teeth and timing chain must mesh.
       • The camshaft and the crankshaft sprocket alignment marks MUST be aligned properly.

  15. Install the camshaft sprocket (205), timing chain (208), and bolt (206).

  16. Object Number: 1658268  Size: SH
  17. Inspect the sprockets for proper alignment. The mark on the camshaft sprocket (1) should be located in the 6 o'clock position and the mark on the crankshaft sprocket (2) should be located in the 12 o'clock position.

  18. Object Number: 1658271  Size: SH
  19. Remove the EN 46330 .
  20. Important: Do not apply threadlock to the flex plate bolts at this time.

  21. Temporarily install the automatic transmission flex plate or manual transmission flywheel and bolts. Refer to Engine Flywheel Installation .

  22. Object Number: 1559840  Size: SH
  23. Install the J 42386-A and bolts. Use 1 M10-1.5 x 120 mm bolt and 1 M10-1.5 x 45 mm bolt for proper tool operation.
  24. Tighten
    Tighten the J 42386-A bolts to 50 N·m (37 lb ft).


    Object Number: 1658274  Size: SH
  25. Tighten the camshaft sprocket bolt.
  26. Tighten

    1. Tighten the camshaft sprocket bolt a first pass to 75 N·m (55 lb ft).
    2. Tighten the camshaft sprocket bolt a final pass an additional 50 degrees using the J 45059 .
  27. Remove the J 42386-A and bolts.
  28. Remove the automatic transmission flex plate or manual transmission flywheel and bolts. Refer to Engine Flywheel Removal .