GM Service Manual Online
For 1990-2009 cars only

Removal Procedure

  1. Raise and suitably support the vehicle.

  2. Object Number: 750902  Size: SH
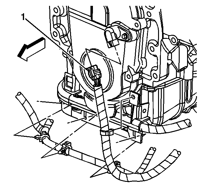
  3. Disconnect the camshaft position (CMP) sensor electrical connector (1).

  4. Object Number: 858218  Size: SH
  5. Remove the CMP sensor bolt.
  6. Remove the CMP sensor.
  7. Inspect the CMP sensor for wear, cracks or leakage if the sensor is not being replaced.

Installation Procedure

Important: Inspect the CMP sensor O-ring for wear or damage. If a problem is found, replace the O-ring. Lubricate the new O-ring with engine oil before installing.


    Object Number: 858218  Size: SH
  1. Install the CMP sensor.
  2. Notice: Refer to Fastener Notice in the Preface section.

  3. Install the CMP sensor bolt.
  4. Tighten
    Tighten the bolt to 12 N·m (106 lb in).


    Object Number: 750902  Size: SH
  5. Connect the CMP sensor electrical connector (1).
  6. Lower the vehicle.