GM Service Manual Online
For 1990-2009 cars only

Tools Required

J 41712 Oil Pressure Sensor Socket

Removal Procedure

  1. Clean area around the oil sensor/switch before removing it.

  2. Object Number: 1656451  Size: SH
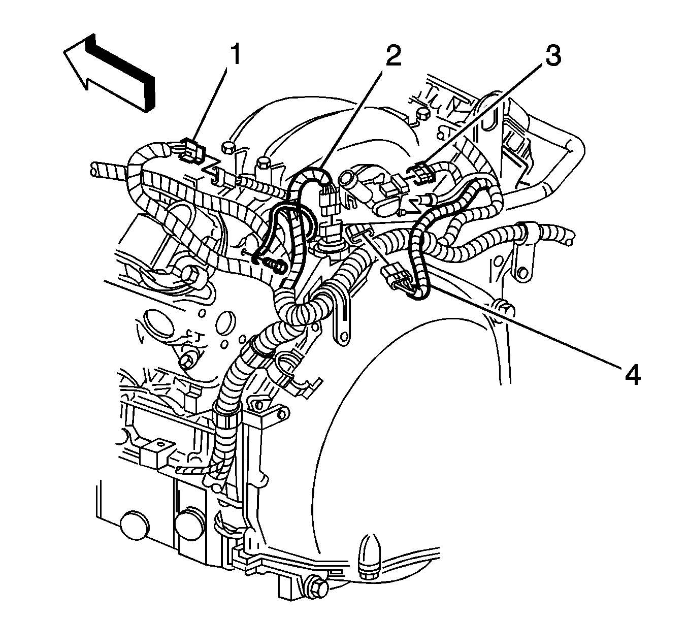
  3. Disconnect the electrical connector for the oil pressure sensor/switch (2).

  4. Object Number: 1658870  Size: SH
  5. Remove the oil pressure sensor/switch with the J 41712  (1).

Installation Procedure


    Object Number: 1658870  Size: SH
  1. If installing the old sensor, coat the threads with sealant GM P/N 12346004 (Canadian P/N 10953480) or equivalent.
  2. Notice: Refer to Fastener Notice in the Preface section.

  3. Install the oil pressure sensor/switch with the J 41712  (1).
  4. Tighten
    Tighten the engine oil pressure sensor to 35 N·m (26 lb ft).


    Object Number: 1656451  Size: SH
  5. Reconnect the oil pressure sensor/switch electrical connector (2).