GM Service Manual Online
For 1990-2009 cars only
Figure 1:

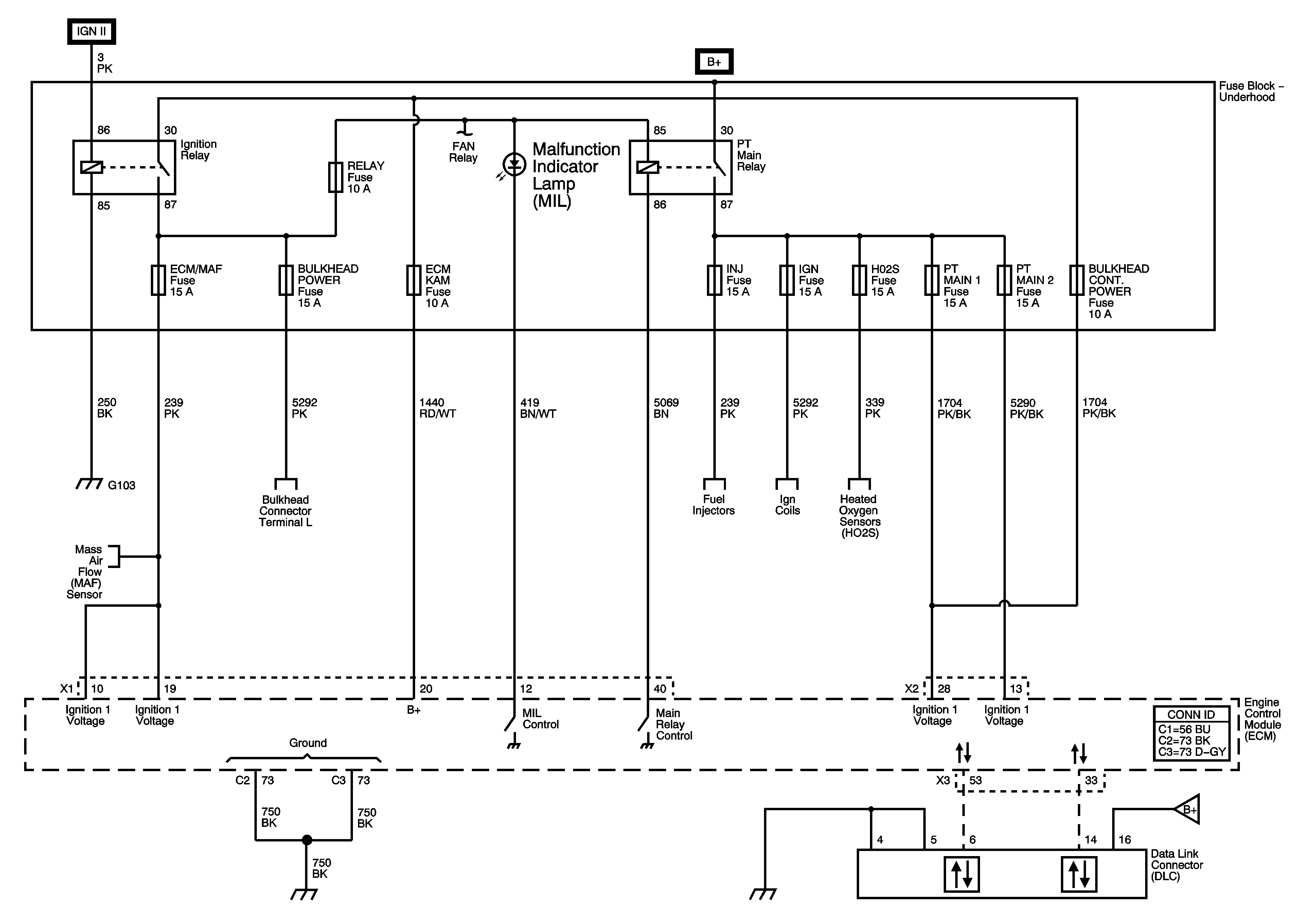
Module Power, Ground, and MIL


Object Number: 2036427  Size: FS
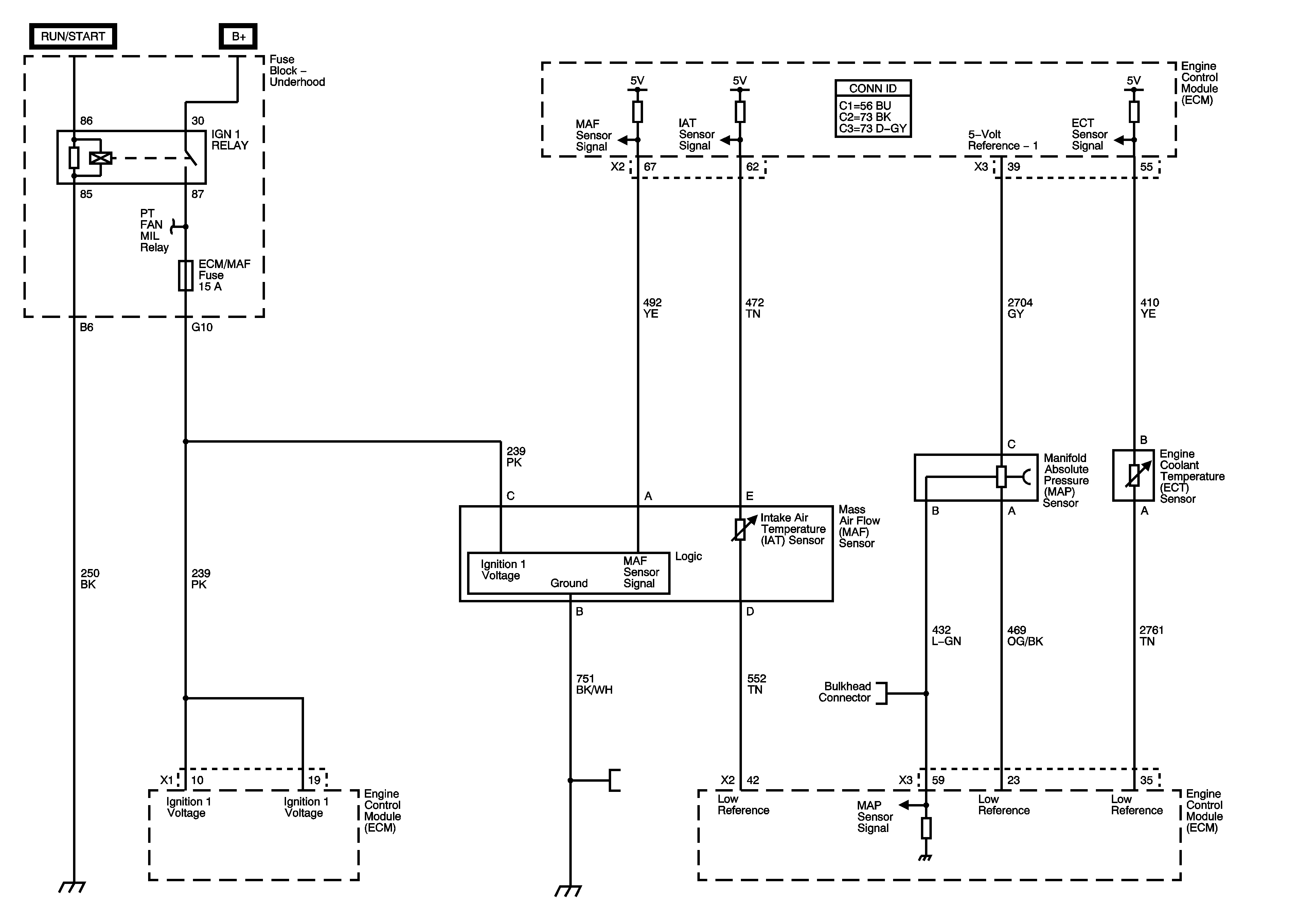
Figure 2:

Engine Data sensors - 5 Volt Reference and Low Reference


Object Number: 2036431  Size: FS
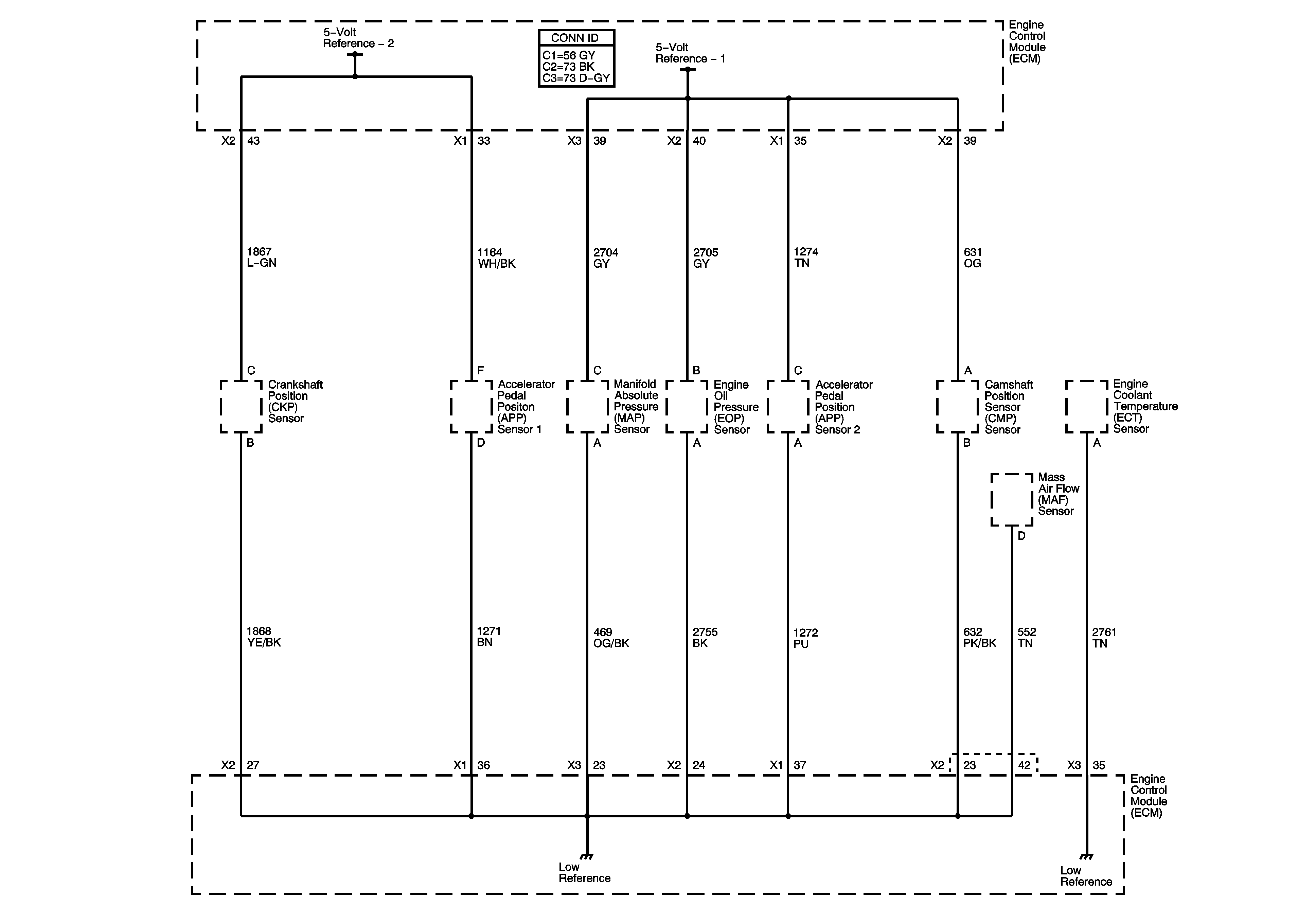
Figure 3:

Engine Data Sensors


Object Number: 2036432  Size: FS
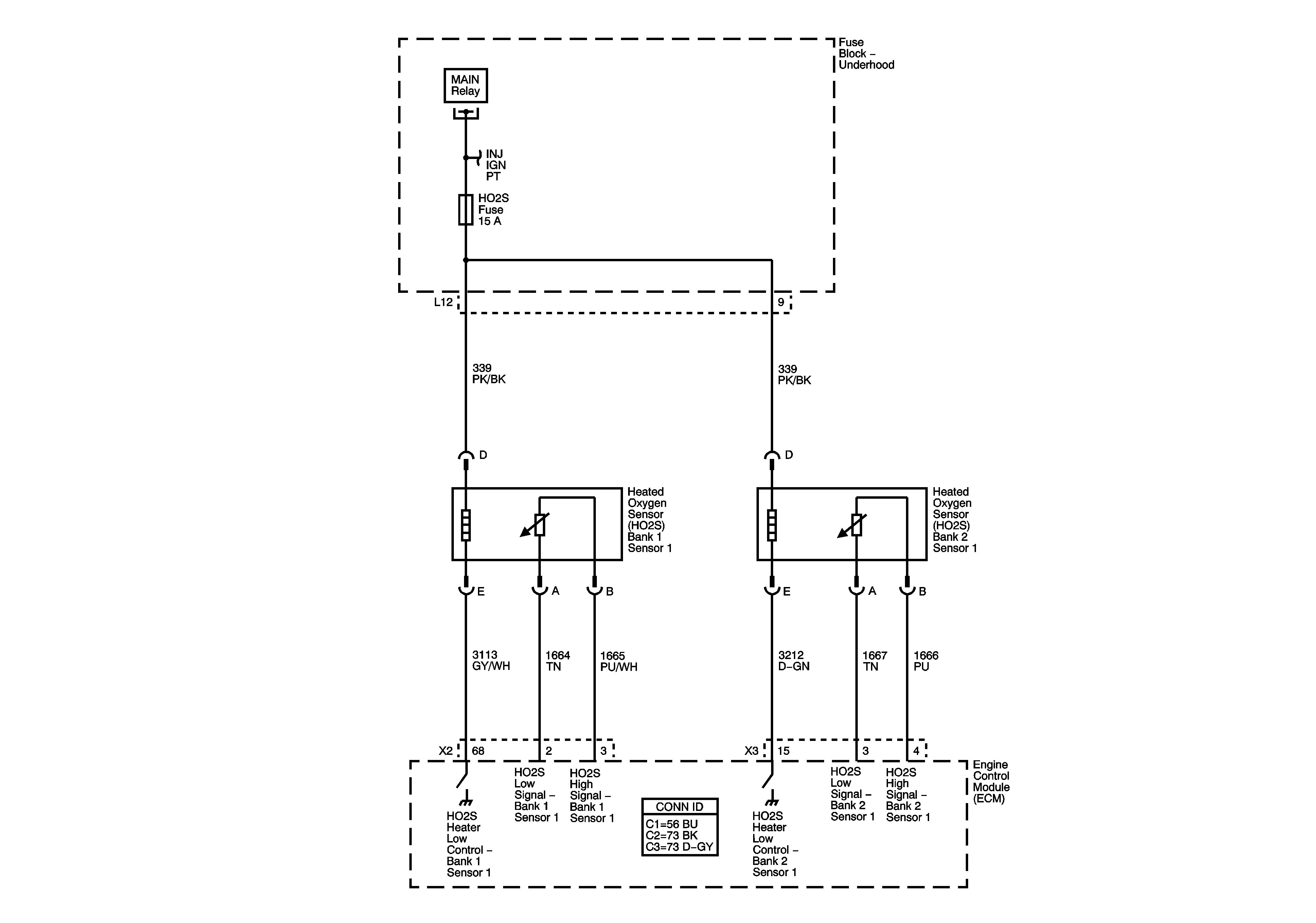
Figure 4:

Engine Data Sensors - Heated Oxygen Sensors


Object Number: 2036437  Size: FS
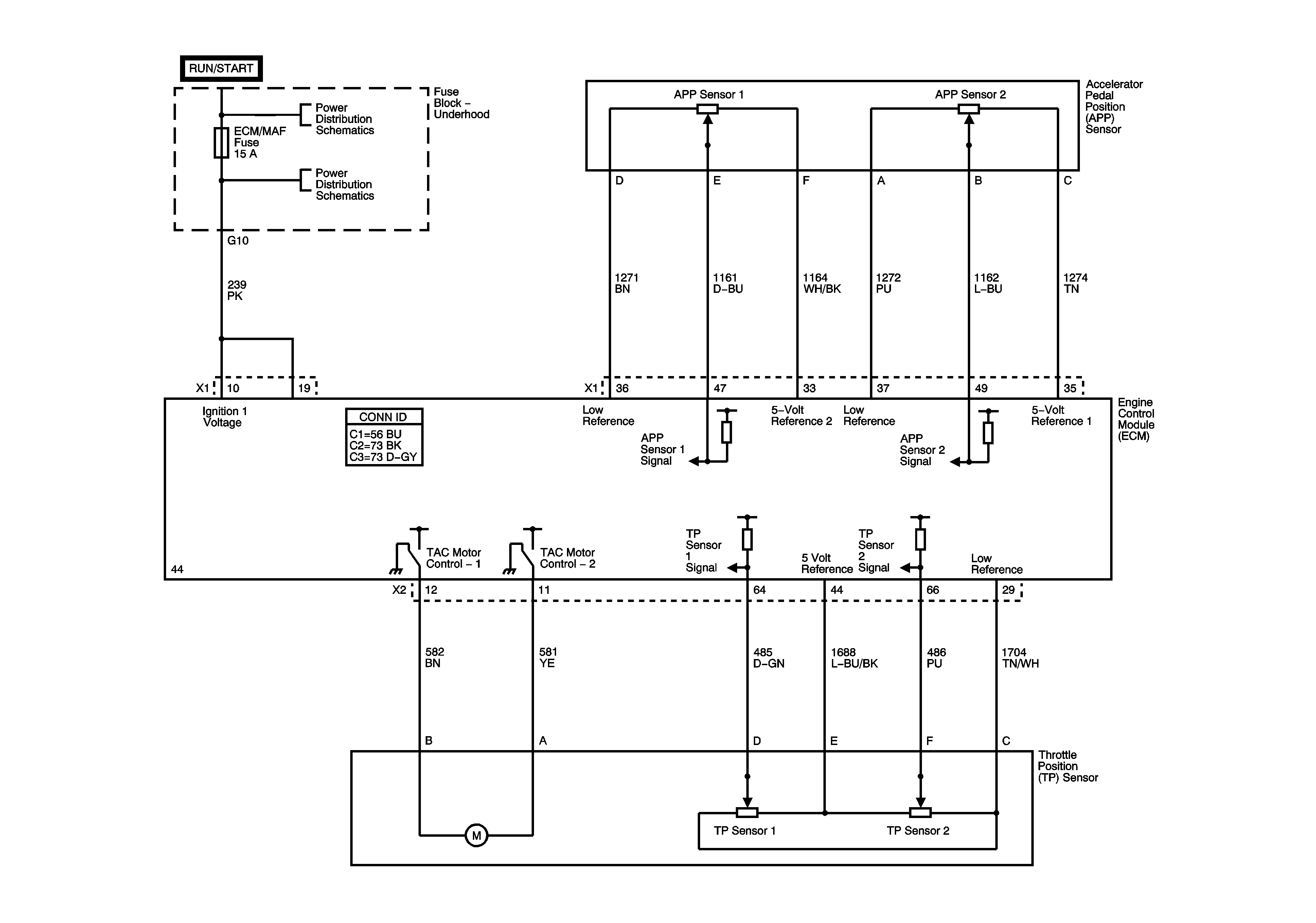
Figure 5:

Engine Data Sensors - Throttle Actuator Controls


Object Number: 2036441  Size: FS
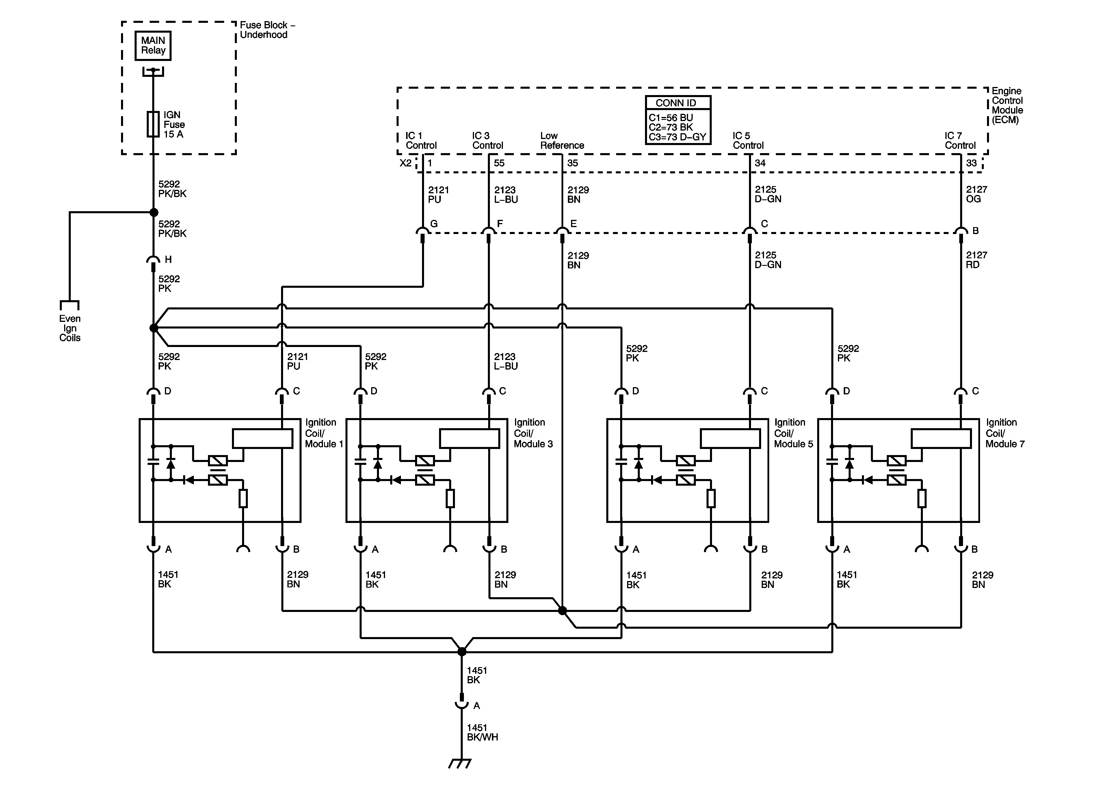
Figure 6:

Ignition Controls 1


Object Number: 2036444  Size: FS
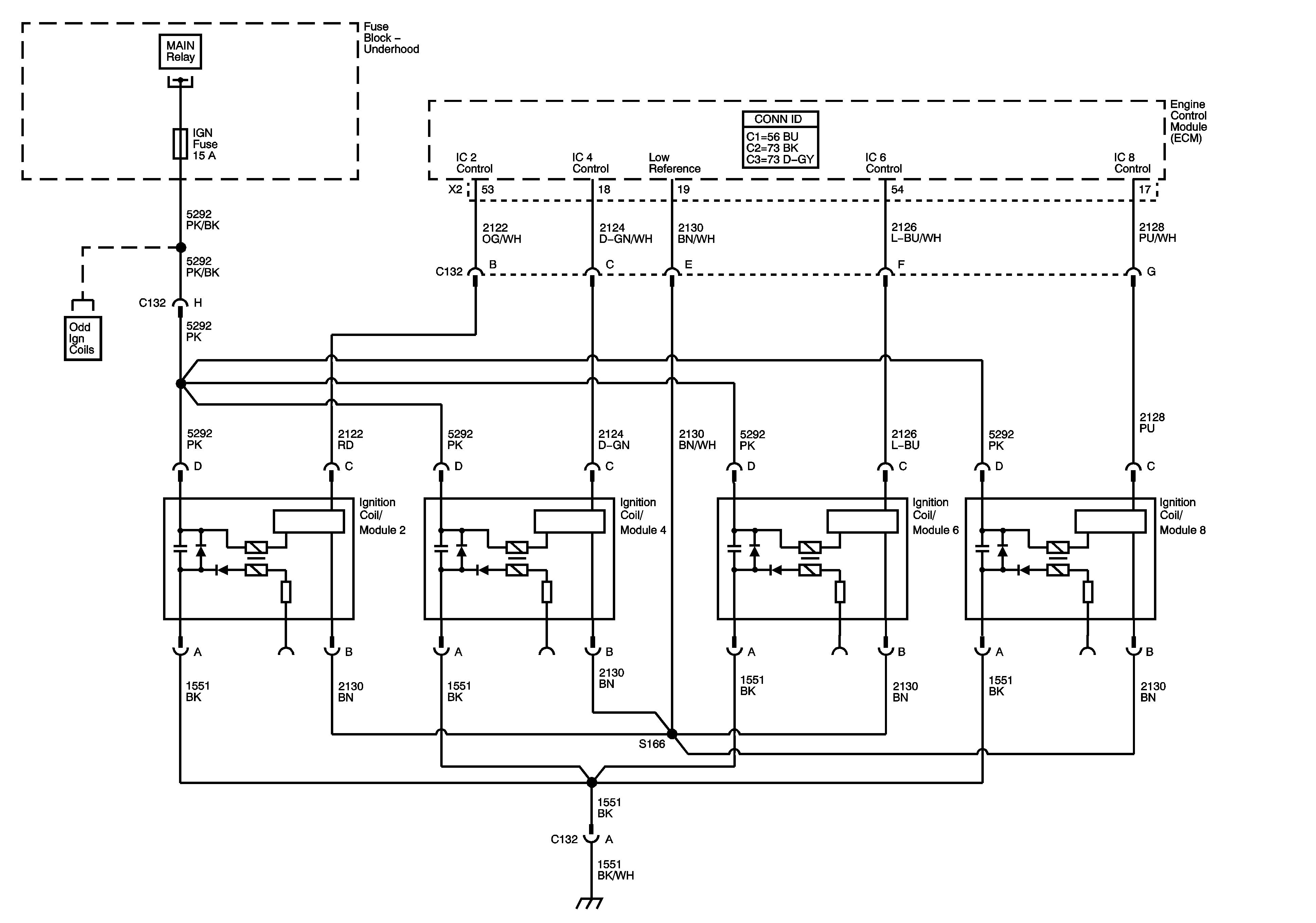
Figure 7:

Ignition Controls 2


Object Number: 2036449  Size: FS
Figure 8:

Ignition Controls - Crankshaft, Camshaft, and Knock Sensors


Object Number: 2036451  Size: FS
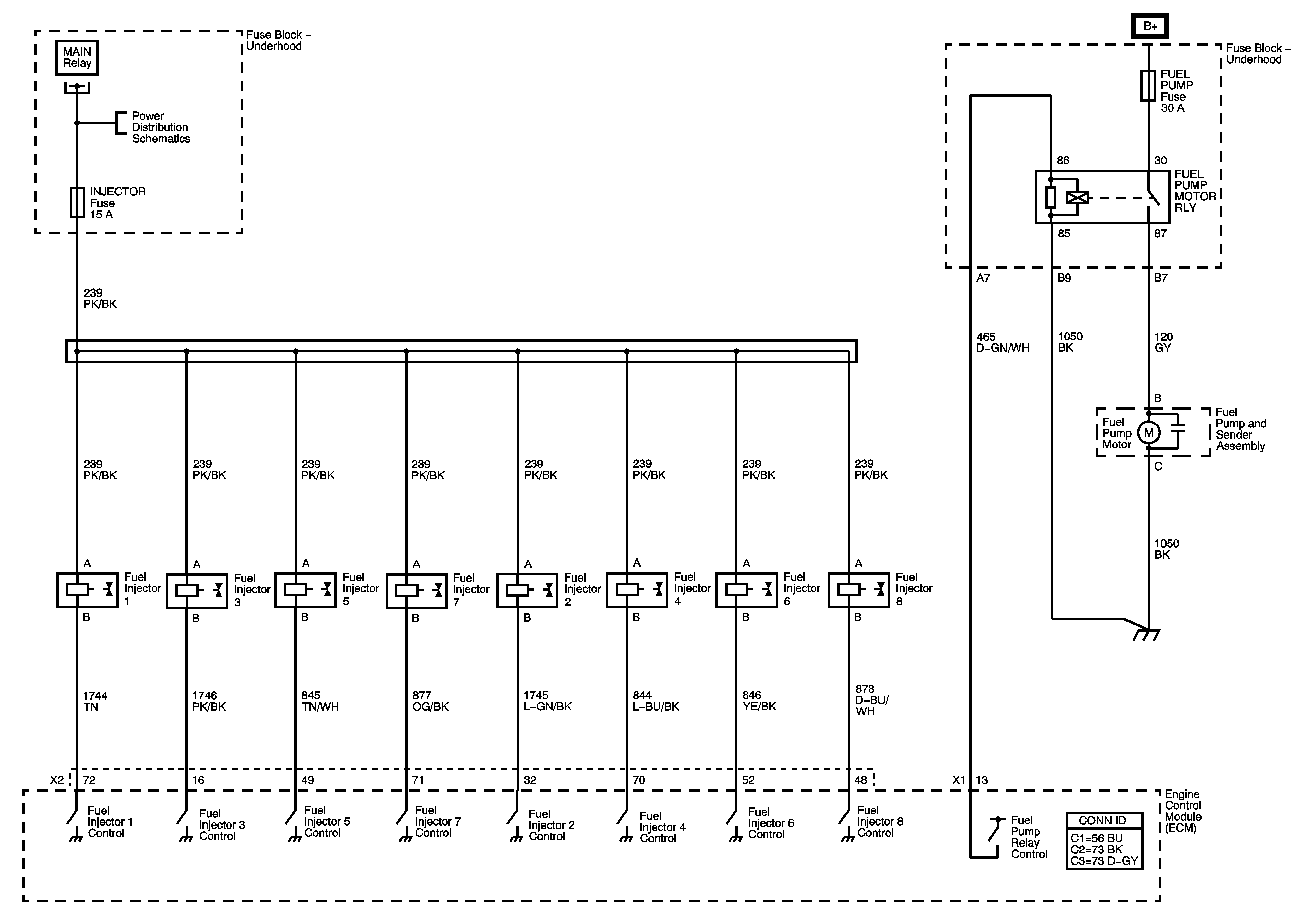
Figure 9:

Fuel Controls - Fuel Injectors and Fuel Pump


Object Number: 2036453  Size: FS
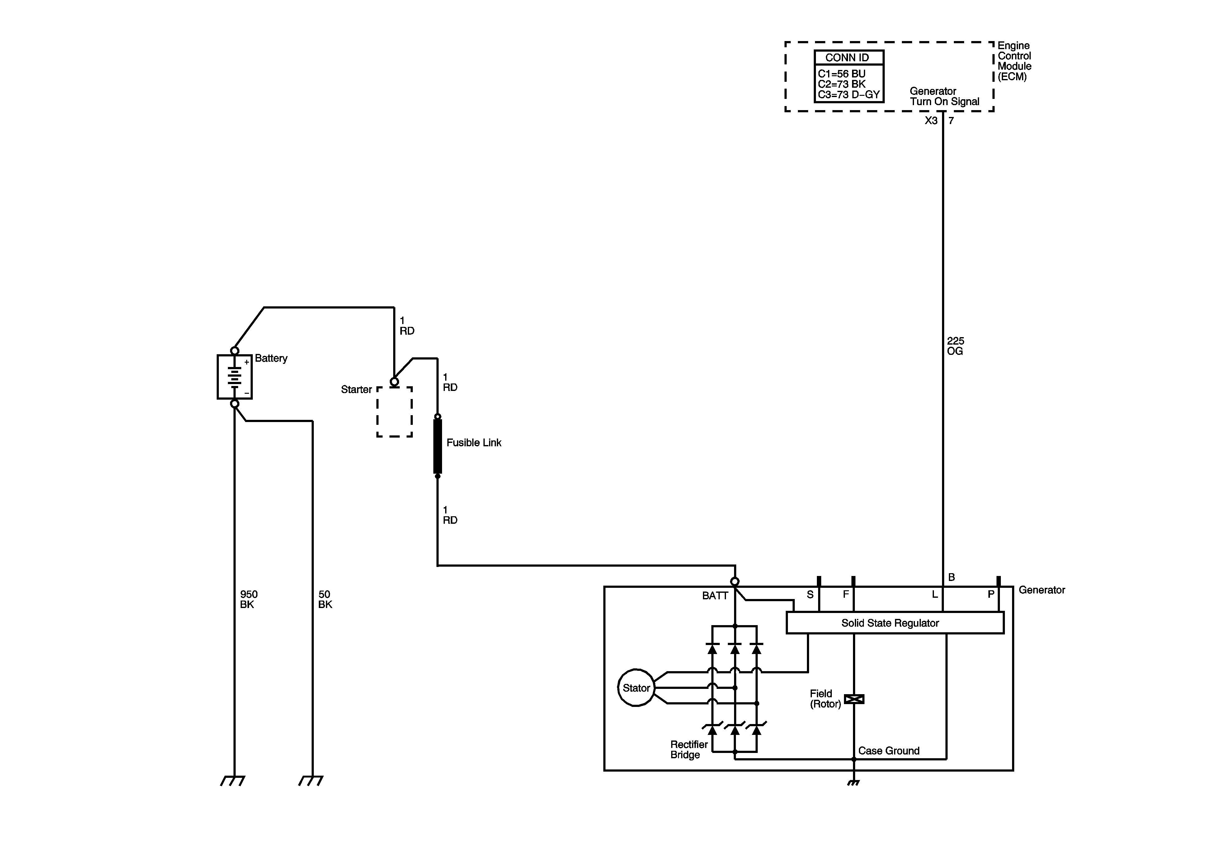
Figure 10:

Generator L Terminal


Object Number: 2036456  Size: FS
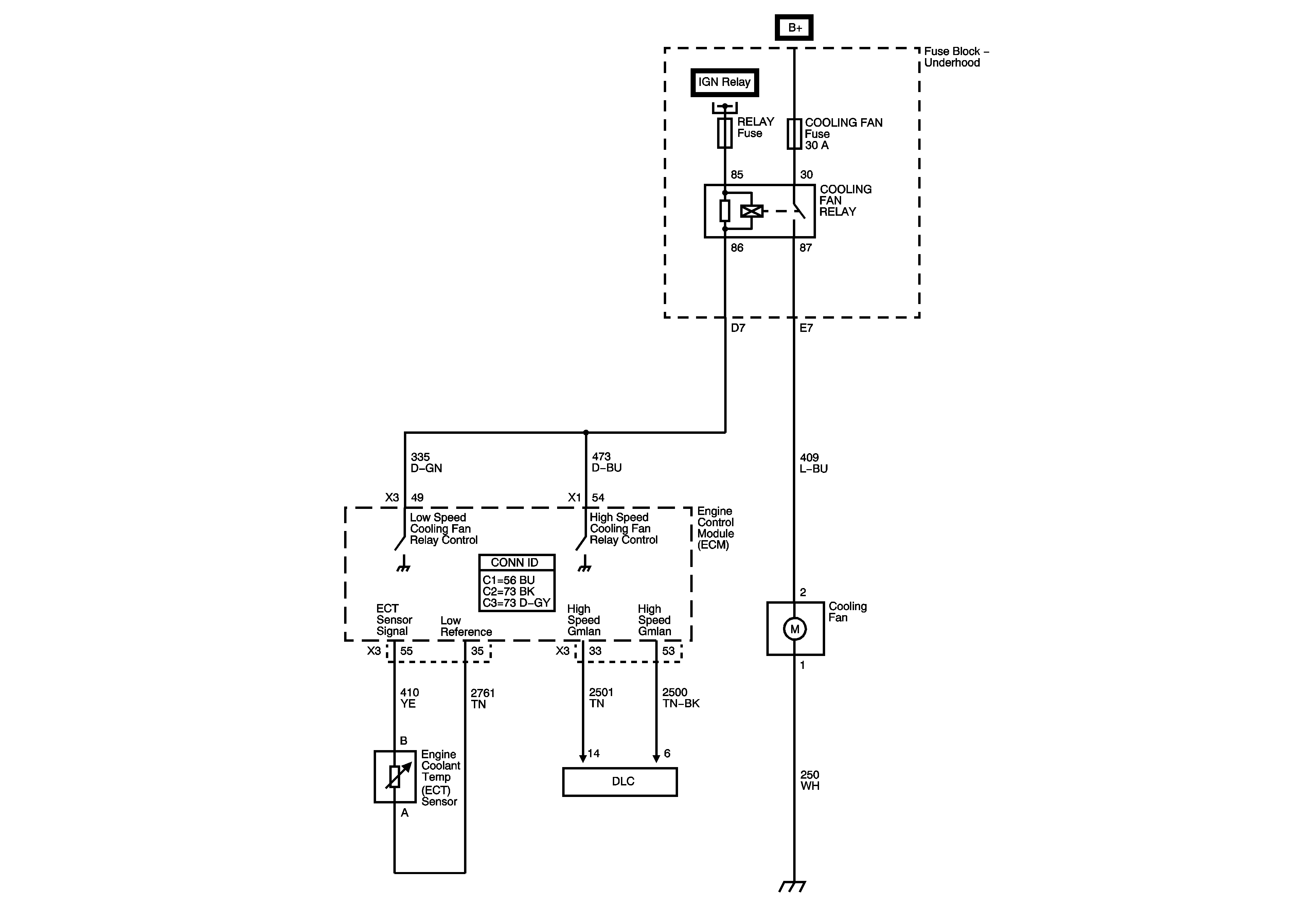
Figure 11:

Cooling Fan Relay Controls


Object Number: 2036459  Size: FS
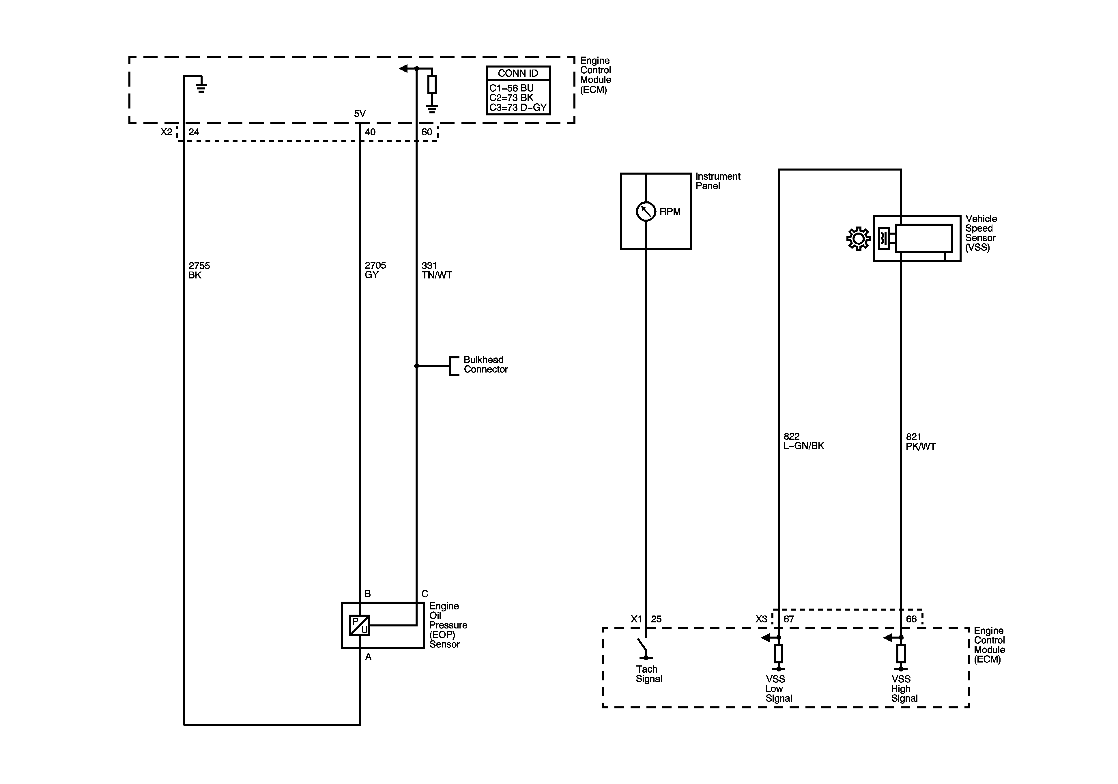
Figure 12:

Engine Oil Pressure Sensor, Tachometer, and VSS


Object Number: 2036461  Size: FS