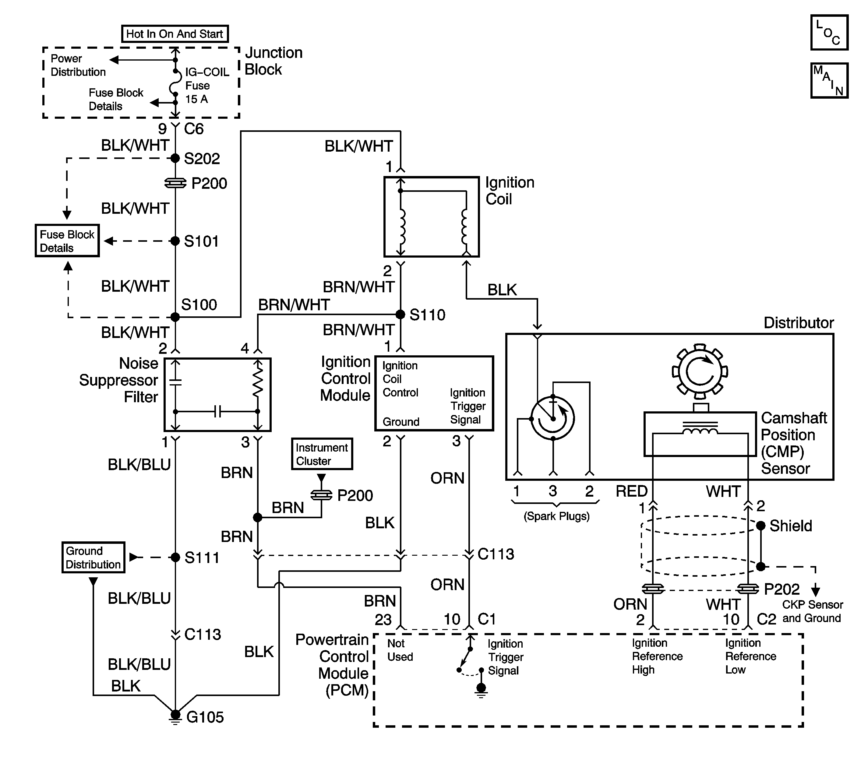
Battery voltage is applied to the ignition coil when the ignition switch is turned to the ON or START positions. The ignition control module toggles the primary windings of the ignition coil in order to induce a high voltage in the secondary windings of the ignition coil. The powertrain control module (PCM) commands the ignition control module based on numerous inputs including the camshaft position sensor. The high voltage induced in the secondary windings of the ignition coil is applied through the distributor cap and rotor to the spark plugs.
Check for any of the following conditions:
| • | The fuel injectors may spray fuel, but not enough fuel to start the engine. Check the engine coolant temperature (ECT) sensor reading with a scan tool. The indicated temperature should be close to the actual engine temperature in order for the PCM to deliver the correct amount of fuel. |
| • | Check TP sensor reading with a scan tool. The TP sensor reading should be 7-18% (0.42-1.15 volts) with the throttle closed. |
| • | Check the battery condition and the engine cranking speed. The engine will not start and improper diagnosis may occur if the starting system is not operating to necessary levels. Refer to Main Relay Circuit Diagnosis. |
| • | Water or foreign material can cause a no start during freezing weather. The engine may start after 5 or 6 minutes in a heated shop. The malfunction may not recur until parked overnight in freezing temperatures. |
| • | Low fuel pressure can result in a very lean air/fuel mixture which may be difficult to ignite. Refer to Fuel System Diagnosis |
| • | Fouled or damaged spark plugs will cause an Engine Cranks But Will Not Run condition. Refer to Spark Plug Visual Diagnosis. |
| • | A vehicle that starts and runs after being brought to the shop for a Engine Cranks But Will Not Run complaint, may have an ignition system that is susceptible to moisture. Spray water on the ignition system components and wiring in order to check for an engine miss or stall. |
| • | Check for a malfunctioning main relay. A faulty main relay can cause no MIL and an engine that cranks but will not run. Refer to Main Relay Circuit Diagnosis . |
| • | Check the fuel injector resistor for faulty electrical connections or high electrical resistance. Normal fuel injector resistor resistance is 1.9-2.8 ohms at 20°C (68°F). |
| • | Check for a faulty IG fuse. |
An intermittent malfunction may be caused by a fault in the ignition system electrical circuit. Inspect the wiring harness and components for any of the following conditions:
| • | Backed out terminals. |
| • | Improper mating of terminals. |
| • | Broken electrical connector locks. |
| • | Improperly formed or damaged terminals. |
| • | Faulty terminal to wiring connections. |
| • | Physical damage to the wiring harness. |
| • | Broken conductor inside the wire insulation. |
| • | Corrosion of electrical connections, splices, or terminals. |
The numbers below refer to the step numbers in the Diagnostic Table.
The Powertrain OBD System Check prompts the technician to complete some basic checks and stores the freeze frame data on the scan tool if applicable. This creates an electronic copy of the data taken when the fault occurred. The information is then stored in the scan tool for later reference.
This step checks for spark at the spark plugs.
This step checks for faulty secondary ignition wires.
This step checks for proper resistance of the ignition coil.
The test lamp should flash from dim to bright, indicating a good reference pulse to the ignition control module (Igniter).
A test lamp that stayed ON or OFF in step 20 indicates an open or a short in the ignition control module (Igniter) trigger circuit.
This step checks for a faulty noise suppressor filter.
This step checks for a faulty noise suppressor filter.
Step | Action | Value(s) | Yes | No | ||||||
|---|---|---|---|---|---|---|---|---|---|---|
Did you perform the Powertrain On-Board Diagnostic System Check? | -- | |||||||||
2 | Check for DTCs with a scan tool. Is there a DTC P0340 set? | -- | ||||||||
Did each spark plug wire have a good crisp blue spark while cranking the engine? | -- | |||||||||
4 |
Did the engine start? | -- | ||||||||
Measure the resistance of each spark plug wire and the ignition coil wire. Is the resistance within the specified values? | 3.0k to 6.7k Ohms per ft. | |||||||||
6 |
Was a repair necessary? | -- | ||||||||
7 |
Does the ignition coil wire have a good crisp blue spark while cranking the engine? | -- | Go to Diagnostic Aids | |||||||
8 |
Is the voltage near the specified value? | B+ | ||||||||
9 | Repair the open to the ignition coil in the ignition feed circuit. Refer to Wiring Repairs in Wiring Systems. Is the action complete? | -- | -- | |||||||
Was the ignition coil resistance within the specified values? | 1.35 to 1.65 ohms at 20°C (68°F) 22.1k to 29.9k ohms at 20°C (68°F) | |||||||||
11 | Replace the ignition coil. Refer to Engine Electrical. Is the action complete? | -- | -- | |||||||
12 |
Is the voltage near the specified value? | B+ | ||||||||
13 |
Was a repair necessary? | -- | ||||||||
14 | Probe the ground circuit of the ignition control module with a test lamp connected to B+. Did the test lamp illuminate? | -- | ||||||||
15 | Repair the open in the ignition control module ground circuit. Refer to Wiring Repairs in Wiring Systems. Is the action complete? | -- | -- | |||||||
Does the test lamp flash from dim to bright? | -- | |||||||||
Was a repair necessary? | -- | |||||||||
18 | Replace the ignition control module. Refer to Ignition Coil Module Replacement in Engine Electrical. Is the action complete? | -- | -- | |||||||
Is the resistance near the specified value? | 2.2k ohms | |||||||||
Check the resistance between terminals 1 and 2, and between terminals 1 and 3 of the noise suppressor filter. Are both of the resistance checks at the specified value? | Infinity | |||||||||
21 |
Are both of the voltage checks near the specified value? | B+ | ||||||||
22 | Repair the open in the ignition feed circuit (BLK/WHT wire) or the open in the BRN/WHT wire between the ignition coil and the noise suppressor filter. Refer to Wiring Repairs in Wiring Systems. Is the action complete? | -- | -- | |||||||
23 | Repair any faulty electrical connections in the ignition system components and recheck for spark. Is the action complete? | -- | -- | |||||||
24 | Replace the noise suppressor filter. Is the action complete? | -- | -- | |||||||
25 | Replace any spark plug wires or ignition coil wire that were not within the specified resistance values in step 4. Is the action complete? | -- | -- | |||||||
26 | Replace the PCM. Refer to Powertrain Control Module Replacement . Is the action complete? | -- | -- | |||||||
27 | Start the engine and observe the MIL. Did the engine start and then run with the MIL OFF? | -- | System OK | Go to the Applicable Diagnostic Table |