GM Service Manual Online
For 1990-2009 cars only

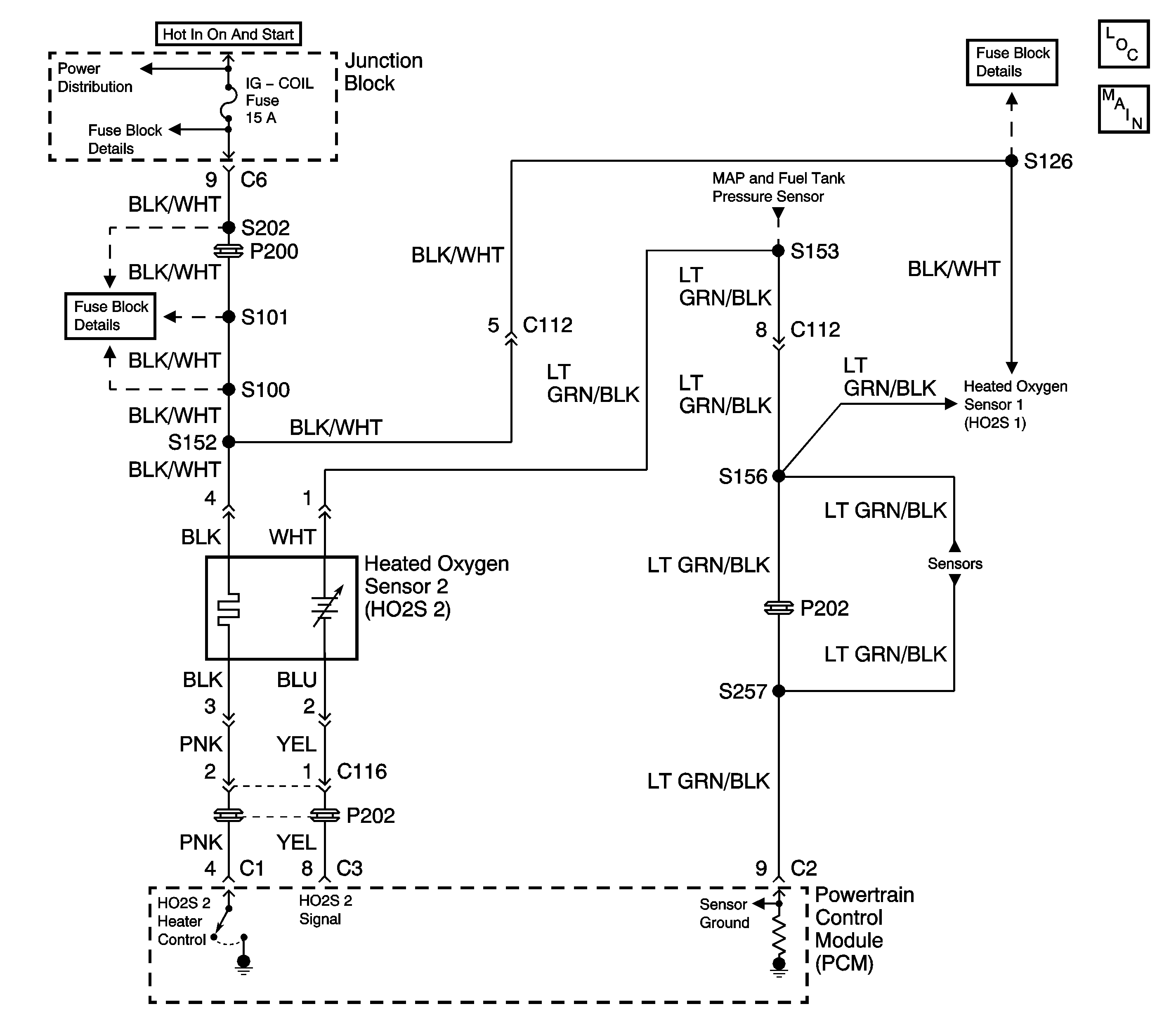
Object Number: 1561853  Size: LF
Engine Controls Schematics

Circuit Description

The heated oxygen sensors (HO2S) increase the amount of time the sensor spends in closed loop fuel control operation or catalyst monitoring operation. The oxygen sensor heater is required by the post-catalyst HO2S (sensor 2) in order to maintain the high operating temperatures necessary for effective operation. The heater helps provide accurate oxygen content readings of the engine exhaust by the HO2S.

Conditions for Running the DTC

    • Engine coolant temperature is greater than or equal to 80°C (176°F).
    • Engine is running at 2,000 RPM or more for at least 2 minutes.

Conditions for Setting the DTC

    • The resistor voltage is less than 2.5 volts with the heater off.
    • The resistor voltage is greater than 0.31 volts with the heater on.
    • Either of the above conditions present for 5 seconds.

Action Taken When the DTC Sets

    • The PCM illuminates the malfunction indicator lamp (MIL) after two consecutive ignition cycles in which the diagnostic runs with the fault active.
    • The PCM records the operating conditions at the time the diagnostic fails. This information is stored in the Freeze Frame buffer.

Conditions for Clearing the MIL/DTC

    • The MIL turns OFF after three consecutively passing trips without a fault present.
    • A History DTC clears after 40 consecutive warm-up cycles without a fault.
    • Use the scan tool Clear DTC Information function or disconnect the PCM battery feed in order to clear the DTC.

Diagnostic Aids

Check for a faulty electrical connection to the PCM.

An intermittent malfunction may be caused by a fault in the HO2S 2 sensor electrical circuit. Inspect the wiring harness and components for any of the following conditions:

    • Backed out terminals.
    • Improper mating of terminals.
    • Broken electrical connector locks.
    • Improperly formed or damaged terminals.
    • Faulty terminal to wiring connections.
    • Physical damage to the wiring harness.
    • A broken wire inside the insulation.
    • Corrosion of electrical connections, splices, or terminals.

If a DTC P0141 cannot be duplicated, the information included in the Freeze Frame data can be useful in determining vehicle operating conditions when the DTC was first set.

Test Description

The numbers below refer to the step numbers in the Diagnostic Table.

  1. The Powertrain (OBD) System Check prompts the technician to complete some basic checks and store the Freeze Frame data on the scan tool if applicable. This creates an electronic copy of the data taken when the fault occurred. The information is then stored in the scan tool for later reference.

  2. This step determines if the fault is present.

  3. The HO2S 2 heater is powered by the IG-COIL fuse located in Junction Block.

  4. Measure the resistance of the heater portion of the HO2S 2.

  5. This step checks for a short to ground in the HO2S 2 heater circuit. If no short is found in the HO2S 2 heater circuit check for a faulty (shorted) HO2S 2.

Step

Action

Value(s)

Yes

No

1

Did you perform the Powertrain On-Board Diagnostic (OBD) System Check?

--

Go to Step 2

Go to Powertrain On Board Diagnostic (OBD) System Check

2

  1. Turn ON the ignition, leaving the engine OFF.
  2. Perform the scan tool Clear DTC Information function.
  3. Operate the vehicle within the Freeze Frame conditions as specified.

Does the scan tool indicate DTC P0141?

--

Go to Step 3

Go To Diagnostic Aids

3

  1. Turn OFF the ignition.
  2. Disconnect the HO2S 2 electrical connector.
  3. Turn ON the ignition, leaving the engine OFF.
  4. Probe the ignition feed circuit (harness side) of the HO2S 2 connector with a test lamp connected to ground.

Is the test lamp ON?

--

Go to Step 4

Go to Step 6

4

  1. Turn OFF the ignition.
  2. Reconnect the HO2S 2 electrical connector.
  3. Disconnect the PCM electrical connectors.
  4. Turn ON the ignition, leaving the engine OFF.
  5. Measure the voltage from the HO2S 2 heater control circuit (harness side) at the PCM, using a DMM.

Is the voltage above the specified value?

10 volts

Go to Step 5

Go to Step 7

5

  1. Turn OFF the ignition.
  2. Disconnect the HO2S 2 electrical connector.
  3. Measure the resistance between the HO2S 2 terminals 3 and 4 at the HO2S 2 pigtail (sensor side), using the DMM.

Is the HO2S 2 heater resistance within the specified value?

11.7-15.6 ohms at 20°C (68°F)

Go to Step 12

Go to Step 11

6

Inspect the IG-COIL fuse in the fuse block.

Is the fuse blown?

--

Go to Step 8

Go to Step 9

7

  1. Check the HO2S 2 heater control circuit for an open or a short to ground.
  2. Repair as necessary. Refer to Wiring Repairs in Wiring Systems.

Was a repair necessary?

--

Go to Step 13

Go to Step 10

8

  1. Replace the faulty fuse and check the ignition feed circuit for a short to ground.
  2. Repair as necessary. Refer to Wiring Repairs in Wiring Systems.

Was a repair necessary?

--

Go to Step 13

Go to Step 11

9

Repair the open in the ignition feed circuit. Refer to Wiring Repairs in Wiring Systems.

Is the action complete?

--

Go to Step 13

--

10

  1. Check the connections at the HO2S 2 electrical connector.
  2. Repair as necessary.

Was a repair necessary?

--

Go to Step 13

Go to Step 11

11

Replace the HO2S 2. Refer to Heated Oxygen Sensor Replacement .

Is the action complete?

--

Go to Step 13

--

12

Replace the PCM. Refer to Powertrain Control Module Replacement .

Is the action complete?

--

Go to Step 13

--

13

  1. Perform the scan tool Clear DTC Information function and road test the vehicle within the Freeze Frame conditions that set the DTC.
  2. Review the scan tool data and check for DTCs. The repair is complete if no DTCs are stored.

Are any DTCs displayed on the scan tool?

--

Go to the Applicable DTC Table

System OK